ZHCSJT8 May   2019 TAS5806M

PRODUCTION DATA.  

  1. 特性
  2. 应用
  3. 说明
    1.     简化方框图
  4. 修订历史记录
  5. Device Comparison Table
  6. Pin Configuration and Functions
    1.     Pin Functions
  7. Specifications
    1. 7.1 Absolute Maximum Ratings
    2. 7.2 ESD Ratings
    3. 7.3 Recommended Operating Conditions
    4. 7.4 Thermal Information
    5. 7.5 Electrical Characteristics
    6. 7.6 Timing Requirements
    7. 7.7 Typical Characteristics
      1. 7.7.1 Bridge Tied Load (BTL) Configuration Curves with 1 SPW Mode
      2. 7.7.2 Bridge Tied Load (BTL) Configuration Curves
      3. 7.7.3 Parallel Bridge Tied Load (PBTL) Configuration
  8. Parametric Measurement Information
  9. Detailed Description
    1. 9.1 Overview
    2. 9.2 Functional Block Diagram
    3. 9.3 Feature Description
      1. 9.3.1 Power Supplies
      2. 9.3.2 Device Clocking
      3. 9.3.3 Serial Audio Port – Clock Rates
      4. 9.3.4 Clock Halt Auto-recovery
      5. 9.3.5 Sample Rate on the Fly Change
      6. 9.3.6 Serial Audio Port - Data Formats and Bit Depths
      7. 9.3.7 Digital Audio Processing
      8. 9.3.8 Class D Audio Amplifier
        1. 9.3.8.1 Speaker Amplifier Gain Select
    4. 9.4 Device Functional Modes
      1. 9.4.1 Software Control
      2. 9.4.2 Speaker Amplifier Operating Modes
        1. 9.4.2.1 BTL Mode
        2. 9.4.2.2 PBTL Mode
      3. 9.4.3 Low EMI Modes
        1. 9.4.3.1 Minimize EMI with Spread Spectrum
        2. 9.4.3.2 Channel to Channel Phase shift
        3. 9.4.3.3 Multi-Devices PWM Phase Synchronization
      4. 9.4.4 Thermal Foldback
      5. 9.4.5 Device State Control
      6. 9.4.6 Device Modulation
        1. 9.4.6.1 BD Modulation
        2. 9.4.6.2 1SPW Modulation
        3. 9.4.6.3 Hybrid Modulation
    5. 9.5 Programming and Control
      1. 9.5.1 I2 C Serial Communication Bus
      2. 9.5.2 Slave Address
        1. 9.5.2.1 Random Write
        2. 9.5.2.2 Sequential Write
        3. 9.5.2.3 Random Read
        4. 9.5.2.4 Sequential Read
        5. 9.5.2.5 DSP Memory Book, Page and BQ update
        6. 9.5.2.6 Example Use
        7. 9.5.2.7 Checksum
          1. 9.5.2.7.1 Cyclic Redundancy Check (CRC) Checksum
          2. 9.5.2.7.2 Exclusive or (XOR) Checksum
      3. 9.5.3 Control via Software
        1. 9.5.3.1 Startup Procedures
        2. 9.5.3.2 Shutdown Procedures
        3. 9.5.3.3 Protection and Monitoring
          1. 9.5.3.3.1 Over-current Shutdown (OCSD)
          2. 9.5.3.3.2 DC Detect
    6. 9.6 Register Maps
      1. 9.6.1 CONTROL PORT Registers
        1. 9.6.1.1  RESET_CTRL Register (Offset = 1h) [reset = 0x00]
          1. Table 7. RESET_CTRL Register Field Descriptions
        2. 9.6.1.2  DEVICE_CTRL_1 Register (Offset = 2h) [reset = 0x00]
          1. Table 8. DEVICE_CTRL_1 Register Field Descriptions
        3. 9.6.1.3  DEVICE_CTRL_2 Register (Offset = 3h) [reset = 0x10]
          1. Table 9. DEVICE_CTRL_2 Register Field Descriptions
        4. 9.6.1.4  I2C_PAGE_AUTO_INC Register (Offset = Fh) [reset = 0x00]
          1. Table 10. I2C_PAGE_AUTO_INC Register Field Descriptions
        5. 9.6.1.5  SIG_CH_CTRL Register (Offset = 28h) [reset = 0x00]
          1. Table 11. SIG_CH_CTRL Register Field Descriptions
        6. 9.6.1.6  CLOCK_DET_CTRL Register (Offset = 29h) [reset = 0x00]
          1. Table 12. CLOCK_DET_CTRL Register Field Descriptions
        7. 9.6.1.7  SDOUT_SEL Register (Offset = 30h) [reset = 0h]
          1. Table 13. SDOUT_SEL Register Field Descriptions
        8. 9.6.1.8  I2S_CTRL Register (Offset = 31h) [reset = 0x00]
          1. Table 14. I2S_CTRL Register Field Descriptions
        9. 9.6.1.9  SAP_CTRL1 Register (Offset = 33h) [reset = 0x02]
          1. Table 15. SAP_CTRL1 Register Field Descriptions
        10. 9.6.1.10 SAP_CTRL2 Register (Offset = 34h) [reset = 0x00]
          1. Table 16. SAP_CTRL2 Register Field Descriptions
        11. 9.6.1.11 SAP_CTRL3 Register (Offset = 35h) [reset = 0x11]
          1. Table 17. SAP_CTRL3 Register Field Descriptions
        12. 9.6.1.12 FS_MON Register (Offset = 37h) [reset = 0x00]
          1. Table 18. FS_MON Register Field Descriptions
        13. 9.6.1.13 BCK_MON Register (Offset = 38h) [reset = 0x00]
          1. Table 19. BCK_MON Register Field Descriptions
        14. 9.6.1.14 CLKDET_STATUS Register (Offset = 39h) [reset = 0x00]
          1. Table 20. CLKDET_STATUS Register Field Descriptions
        15. 9.6.1.15 CHANNEL_FORCE_HIZ Register (Offset = 40h) [reset = 0x01]
          1. Table 21. CHANNEL_FORCE_HIZ Register Field Descriptions
        16. 9.6.1.16 DIG_VOL_CTL Register (Offset = 4Ch) [reset = 30h]
          1. Table 22. DIG_VOL_CTR Register Field Descriptions
        17. 9.6.1.17 DIG_VOL_CTRL2 Register (Offset = 4Eh) [reset = 0x33]
          1. Table 23. DIG_VOL_CTRL2 Register Field Descriptions
        18. 9.6.1.18 DIG_VOL_CTRL3 Register (Offset = 4Fh) [reset = 0x30]
          1. Table 24. DIG_VOL_CTRL3 Register Field Descriptions
        19. 9.6.1.19 AUTO_MUTE_CTRL Register (Offset = 50h) [reset = 0x07]
          1. Table 25. AUTO_MUTE_CTRL Register Field Descriptions
        20. 9.6.1.20 AUTO_MUTE_TIME Register (Offset = 51h) [reset = 0x00]
          1. Table 26. AUTO_MUTE_TIME Register Field Descriptions
        21. 9.6.1.21 ANA_CTRL Register (Offset = 53h) [reset = 0x00]
          1. Table 27. ANA_CTRL Register Field Descriptions
        22. 9.6.1.22 AGAIN Register (Offset = 54h) [reset = 0x00]
          1. Table 28. AGAIN Register Field Descriptions
        23. 9.6.1.23 BQ_WR_CTRL1 Register (Offset = 5Ch) [reset = 0x00]
          1. Table 29. BQ_WR_CTRL1 Register Field Descriptions
        24. 9.6.1.24 DAC_CTRL Register (Offset = 5Dh) [reset = 0xF8]
          1. Table 30. DAC_CTRL Register Field Descriptions
        25. 9.6.1.25 ADR_PIN_CTRL Register (Offset = 60h) [reset = 0h]
          1. Table 31. ADR_PIN_CTRL Register Field Descriptions
        26. 9.6.1.26 ADR_PIN_CONFIG Register (Offset = 61h) [reset = 0x00]
          1. Table 32. ADR_PIN_CONFIG Register Field Descriptions
        27. 9.6.1.27 DSP_MISC Register (Offset = 66h) [reset = 0h]
          1. Table 33. DSP_MISC Register Field Descriptions
        28. 9.6.1.28 DIE_ID Register (Offset = 67h) [reset = 0h]
          1. Table 34. DIE_ID Register Field Descriptions
        29. 9.6.1.29 POWER_STATE Register (Offset = 68h) [reset = 0x00]
          1. Table 35. POWER_STATE Register Field Descriptions
        30. 9.6.1.30 AUTOMUTE_STATE Register (Offset = 69h) [reset = 0x00]
          1. Table 36. AUTOMUTE_STATE Register Field Descriptions
        31. 9.6.1.31 PHASE_CTRL Register (Offset = 6Ah) [reset = 0x00]
          1. Table 37. PHASE_CTR Register Field Descriptions
        32. 9.6.1.32 SS_CTRL0 Register (Offset = 6Bh) [reset = 0x00]
          1. Table 38. SS_CTRL0 Register Field Descriptions
        33. 9.6.1.33 SS_CTRL1 Register (Offset = 6Ch) [reset = 0x00]
          1. Table 39. SS_CTRL1 Register Field Descriptions
        34. 9.6.1.34 SS_CTRL2 Register (Offset = 6Dh) [reset = 0x50]
          1. Table 40. SS_CTRL2 Register Field Descriptions
        35. 9.6.1.35 SS_CTRL3 Register (Offset = 6Eh) [reset = 0x11]
          1. Table 41. SS_CTRL3 Register Field Descriptions
        36. 9.6.1.36 SS_CTRL4 Register (Offset = 6Fh) [reset = 0x24]
          1. Table 42. SS_CTRL4 Register Field Descriptions
        37. 9.6.1.37 CHAN_FAULT Register (Offset = 70h) [reset = 0x00]
          1. Table 43. CHAN_FAULT Register Field Descriptions
        38. 9.6.1.38 GLOBAL_FAULT1 Register (Offset = 71h) [reset = 0h]
          1. Table 44. GLOBAL_FAULT1 Register Field Descriptions
        39. 9.6.1.39 GLOBAL_FAULT2 Register (Offset = 72h) [reset = 0h]
          1. Table 45. GLOBAL_FAULT2 Register Field Descriptions
        40. 9.6.1.40 OT WARNING Register (Offset = 73h) [reset = 0x00]
          1. Table 46. OT_WARNING Register Field Descriptions
        41. 9.6.1.41 PIN_CONTROL1 Register (Offset = 74h) [reset = 0x00]
          1. Table 47. PIN_CONTROL1 Register Field Descriptions
        42. 9.6.1.42 PIN_CONTROL2 Register (Offset = 75h) [reset = 0xF8]
          1. Table 48. PIN_CONTROL2 Register Field Descriptions
        43. 9.6.1.43 MISC_CONTROL Register (Offset = 76h) [reset = 0x00]
          1. Table 49. MISC_CONTROL Register Field Descriptions
        44. 9.6.1.44 FAULT_CLEAR Register (Offset = 78h) [reset = 0x00]
          1. Table 50. FAULT_CLEAR Register Field Descriptions
  10. 10Application and Implementation
    1. 10.1 Application Information
      1. 10.1.1 Bootstrap Capacitors
      2. 10.1.2 Inductor Selections
      3. 10.1.3 Power Supply Decoupling
      4. 10.1.4 Output EMI Filtering
    2. 10.2 Typical Applications
      1. 10.2.1 2.0 (Stereo BTL) System
      2. 10.2.2 Design Requirements
      3. 10.2.3 Detailed Design Procedure
        1. 10.2.3.1 Step1:Hardware Integration
        2. 10.2.3.2 Step2: Speaker Tuning
        3. 10.2.3.3 Software Integration
        4. 10.2.3.4 Application Curves
      4. 10.2.4 Mono (PBTL) system
      5. 10.2.5 Application Curves
  11. 11Power Supply Recommendations
    1. 11.1 DVDD Supply
    2. 11.2 PVDD Supply
  12. 12Layout
    1. 12.1 Layout Guidelines
      1. 12.1.1 General Guidelines for Audio Amplifiers
      2. 12.1.2 Importance of PVDD Bypass Capacitor Placement on PVDD Network
      3. 12.1.3 Optimizing Thermal Performance
        1. 12.1.3.1 Device, Copper, and Component Layout
        2. 12.1.3.2 Stencil Pattern
          1. 12.1.3.2.1 PCB footprint and Via Arrangement
          2. 12.1.3.2.2 Solder Stencil
    2. 12.2 Layout Example
  13. 13器件和文档支持
    1. 13.1 文档支持
      1. 13.1.1 相关文档
    2. 13.2 接收文档更新通知
    3. 13.3 社区资源
    4. 13.4 商标
    5. 13.5 静电放电警告
    6. 13.6 Glossary
  14. 14机械、封装和可订购信息

封装选项

机械数据 (封装 | 引脚)
散热焊盘机械数据 (封装 | 引脚)
订购信息

Serial Audio Port - Data Formats and Bit Depths

The device supports industry-standard audio data formats, including standard I2S, left-justified, right-justified and TDM/DSP data. Data formats are selected via Register (P0-R51-D[5:4]). If the high width of LRCK/FS in TDM/DSP mode is less than 8 cycles of SCK, the register (P0-R51-D[3:2]) should set to 01. All formats require binary two's complement, MSB-first audio data; up to 32-bit audio data is accepted. All the data formats, word length and clock rate supported by this device are shown in Table 1. The data formats are detailed in Figure 56 through Figure 60. The word length are selected via Register (P0-R51-D[1:0]). The offsets of data are selected via Register (P0-R51-D[7]) and Register (P0-R52-D[7:0]). Default setting is I2S and 24 bit word length.

TAS5806M Left-Justfied-Audio-Data-Format.gifFigure 56. Left Justified Audio Data Format
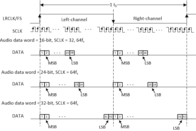
TAS5806M I2S-Audio-Data-Format.gif
I2S Data Format; L-channel = LOW, R-channel = HIGH
Figure 57. I2S Audio Data Format
TAS5806M Right-Justfied-Audio-Data-Format.gif
Right Justified Data Format; L-channel = HIGH, R-channel = LOW
Figure 58. Right Justified Audio Data Format
TAS5806M aud_data_format_tdm1_slaseg8.gif
TDM Data Format with OFFSET = 0
In TDM Modes, Duty Cycle of LRCK/FS should be 1x SCLK at minimum. Rising edge is considered frame start.
Figure 59. TDM 1 Audio Data Format
TAS5806M aud_data_format_tdm2_slaseg8.gif
TDM Data Format with OFFSET = 1
In TDM Modes, Duty Cycle of LRCK/FS should be 1x SCLK at minimum. Rising edge is considered frame start.
Figure 60. TDM 2 Audio Data Format