ZHCS794B February   2012  – August 2015 SN75DP126

PRODUCTION DATA.  

  1. 特性
  2. 应用
  3. 说明
  4. 修订历史记录
  5. 说明 (续)
  6. Pin Configuration and Functions
  7. Specifications
    1. 7.1  Absolute Maximum Ratings
    2. 7.2  ESD Ratings
    3. 7.3  Recommended Operating Conditions
    4. 7.4  Thermal Information
    5. 7.5  Power Supply Electrical Characteristics
    6. 7.6  Main Link Input Electrical Characteristics
    7. 7.7  DisplayPort Main Link Output Electrical Characteristics
    8. 7.8  HDMI/DVI Main Link Output Electrical Characteristics
    9. 7.9  HPD/CAD/EN Electrical Characteristics
    10. 7.10 AUX/DDC/I2C Electrical Characteristics
    11. 7.11 DisplayPort Main Link Output Switching Characteristics
    12. 7.12 HDMI/DVI Main Link Switching Characteristics
    13. 7.13 HPD/CAD Switching Characteristics
    14. 7.14 AUX/DDC/I2C Switching Characteristics
    15. 7.15 Typical Characteristics
  8. Detailed Description
    1. 8.1 Overview
    2. 8.2 Functional Block Diagram
    3. 8.3 Feature Description
      1. 8.3.1 Implementing the EN Signal
      2. 8.3.2 Hot Plug Detect (HPD) and Cable Adapter Detect (CAD) Description
      3. 8.3.3 OVS Function Description
      4. 8.3.4 AUX and DDC Configuration Details
      5. 8.3.5 Source-Side Main Link EQ Configuration Details
      6. 8.3.6 DP-HDMI Adaptor ID Buffer
      7. 8.3.7 GPU with a Unified AUX/DDC Configuration
      8. 8.3.8 GPU with Separate DDC and AUX Channels
    4. 8.4 Device Functional Modes
      1. 8.4.1 Operating Modes Overview
    5. 8.5 Register Maps
      1. 8.5.1 Link Training and DPCD Description
      2. 8.5.2 Local I2C Interface Overview
  9. Application and Implementation
    1. 9.1 Application Information
    2. 9.2 Typical Application
      1. 9.2.1 Design Requirements
      2. 9.2.2 Detailed Design Procedure
        1. 9.2.2.1 AC Coupling Capacitors
        2. 9.2.2.2 Configuration Options
        3. 9.2.2.3 Dual Layout for Single or Dual Power Supply
      3. 9.2.3 Application Curves
  10. 10Power Supply Recommendations
    1. 10.1 Analog vs Digital vs High Power
    2. 10.2 Analog Power-Supply Pins and Analog Reference Voltages
  11. 11Layout
    1. 11.1 Layout Guidelines
      1. 11.1.1 Layer Stack
      2. 11.1.2 Power Plane Do's and Don'ts for Four-Layer Boards
      3. 11.1.3 Differential Traces
    2. 11.2 Layout Example
  12. 12器件和文档支持
    1. 12.1 社区资源
    2. 12.2 商标
    3. 12.3 静电放电警告
    4. 12.4 Glossary
  13. 13机械、封装和可订购信息

封装选项

机械数据 (封装 | 引脚)
散热焊盘机械数据 (封装 | 引脚)
订购信息

Specifications

Absolute Maximum Ratings

over operating free-air temperature range (unless otherwise noted)(1)
MIN MAX UNIT
Supply voltage range VCC –0.3 4 V
VDD, VDD_DREG –0.3 1.3 V
Voltage range Main Link I/O Differential Voltage –0.3 1.4 V
DP_HPD_SNK, TMDS_HPD_SNK, SCL_SNK, SDA_SNK –0.3 5.5 V
EN –0.3 1.3 V
All other terminals –0.3 4 V
Tstg Storage temperature –55 150 °C
Stresses beyond those listed under Absolute Maximum Ratings may cause permanent damage to the device. These are stress ratings only, which do not imply functional operation of the device at these or any other conditions beyond those indicated under Recommended Operating Conditions. Exposure to absolute-maximum-rated conditions for extended periods may affect device reliability.

ESD Ratings

VALUE UNIT
V(ESD) Electrostatic discharge Human body model (HBM), per ANSI/ESDA/JEDEC JS-001(1) ±2000 V
Charged-device model (CDM), per JEDEC specification JESD22-C101(2) ±1000
JEDEC document JEP155 states that 500-V HBM allows safe manufacturing with a standard ESD control process.
JEDEC document JEP157 states that 250-V CDM allows safe manufacturing with a standard ESD control process.

Recommended Operating Conditions

over operating free-air temperature range (unless otherwise noted)
MIN NOM MAX UNIT
VCC Supply voltage 3 3.3 3.6 V
VDD Digital core and Main Link supply voltage 1.0 1.05 1.2 V
TA Operating free-air temperature 0 85 °C
TS Storage temperature -65 150 °C
TCASE Case temperature 97.1 °C
DP++ MAIN LINK TERMINALS
VID Peak-to-peak input differential voltage; RBR, HBR, HBR2 0.3 1.40 Vpp
dR(DP) Data rate; DisplayPort sink 5.4 Gbps
dR(HDMI) Data rate; HDMI sink 3.4 Gbps
CAC AC coupling capacitance (each DP input and each DP output line) 75 200 nF
Rtdiff Differential output termination resistance; DisplayPort sink and HDMI sink 80 100 120 Ω
VOterm Output termination voltage (AC coupled) 0 2 V
tSK(HBR2) Intra-pair skew at the input at 5.4 Gbps 20 ps
tSK(HBR) Intra-pair skew at the input at 2.7 Gbps 100 ps
tSK(RBR) Intra-pair skew at the input at 1.62 Gbps 300 ps
AUX CHANNEL DATA TERMINALS
VI-DC DC Input Voltage, AUX_SRCp/n and AUX_SNKp/n (DP and TMDS modes) -0.5 3.6 V
VID Differential input voltage amplitude (DP mode only) 300 1400 mVPP
dR(AUX) Data rate (before Manchester encoding) 0.8 1 1.2 Mbps
dR(FAUX) Data rate Fast AUX (300ppm frequency tolerance) 720 Mbps
tjccin_adj Cycle-to-cycle AUX input jitter adjacent cycle (DP mode only) 0.05 UI
tjccin Cycle-to-cycle AUX input jitter within one cycle (DP mode only) 0.1 UI
CAC AUX AC coupling capacitance 75 200 nF
DDC, LOCAL I2C, AND CONTROL TERMINALS
VI-DC DC Input Voltage DP_HPD_SNK, TMDS_HPD_SNK, SCL/SDA_SNK –0.3 5.5 V
All other DDC, local I2C, and control terminals –0.3 3.6
VIH High-level input voltage SCL/SDA_SRC 2.1 V
All other DDC, Local I2C, and control terminals VCC–0.5
VIL Low-level input voltage(1) 0.5 V
VIM Mid-level input voltage(2) VCC/2–0.3 VCC/2+0.3
dR Data rate 100 kbps
VTH(EN) EN input threshold voltage 280 800 mV
fSCL SCL clock frequency standard I2C mode 100 kHz
tw(L) SCL clock low period standard I2C mode 4.7 μs
tw(H) SCL clock high period standard I2C mode 4.0 μs
Cbus Total capacitive load for each bus line (DDC and local I2C terminals) 400 pF
VIL for SCL_SRC and SDA_SRC are listed in the AUX/DDC/I2C Electrical Characteristics Table.
VIM is only applicable for 3-Level control pins.

Thermal Information

THERMAL METRIC(1) SN75DP126 UNIT
RHU (WQFN)
56 PINS
RθJA Junction-to-ambient thermal resistance 35 °C/W
RθJC(top) Junction-to-case (top) thermal resistance 25 °C/W
RθJB Junction-to-board thermal resistance 15 °C/W
ψJT Junction-to-top characterization parameter 2 °C/W
ψJB Junction-to-board characterization parameter 10 °C/W
RθJC(bot) Junction-to-case (bottom) thermal resistance 8 °C/W
For more information about traditional and new thermal metrics, see the Semiconductor and IC Package Thermal Metrics application report, SPRA953.

Power Supply Electrical Characteristics

over recommended operating conditions (unless otherwise noted)
PARAMETER(1) TEST CONDITIONS MIN TYP MAX UNIT
ICC Device current under normal operation 4 DP Lanes; DP Sink 138 242 mA
Maximum Conditions: DP at 5.4-Gbps PRBS, VOD = 510 mVpp,
PRE = 6 dB; AUX at 1-Mbps PRBS, VID = 1000 mVpp; EQ = 6 dB
Typical Conditions: DP at 5.4-Gbps PRBS, VOD = 510 mVpp,
PRE = 0 dB AUX and I2C Idle; EQ = 3 dB
2 DP Lanes; DP Sink 73 125 mA
Maximum Conditions: DP at 5.4-Gbps PRBS, VOD = 510 mVpp,
PRE = 6 dB; AUX at 1-Mbps PRBS, VID = 1000 mVpp; EQ = 6 dB
Typical Conditions: DP at 5.4-Gbps PRBS, VOD = 510 mVpp,
PRE = 0 dB AUX and I2C Idle; EQ = 3 dB
1 DP Lanes; DP Sink 42 70 mA
Maximum Conditions: DP at 5.4-Gbps PRBS, VOD = 510 mVpp,
PRE = 6 dB; AUX at 1-Mbps PRBS, VID = 1000 mVpp; EQ = 6 dB
Typical Conditions: DP at 5.4-Gbps PRBS, VOD = 510 mVpp,
PRE = 0 dB AUX and I2C Idle; EQ = 3 dB
4 DP Lanes; HDMI Sink 130 160 mA
Maximum Conditions: TMDS at 3.4 Gbps, VOD = 1200 mVpp,
VID = 1000 mVpp
Typical Conditions: TMDS at 3.4 Gbps, VOD = 1000 mVpp,
DDC and I2C Idle
ISD Shutdown mode current 4 DP Lanes 0.55 4.00 mA
ISBY Standby mode current 4 DP Lanes. 0.85 4.00 mA
ID3 D3 power down mode current 4 DP Lanes. 10 15 mA
IOD Output disable (squelch) mode current 4 DP Lanes. 53 75 mA
Values are VCC supply measurements for SN75DP126SS and VDD supply measurements for the SN75DP126DS; the maximum VCC supply measurement for the SN75DP126DS is 8 mA during normal operation and 0.5 mA during shutdown, standby, and D3 power down modes.

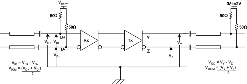
Main Link Input Electrical Characteristics

over recommended operating conditions (unless otherwise noted)
PARAMETER TEST CONDITIONS MIN TYP MAX UNIT
AEQ(HBR) Equalizer gain for RBR/HBR See Table 4 for EQ setting details;
Max value represents the typical value for the maximum configurable EQ setting
9 dB
AEQ(HBR2) Equalizer gain for HBR2 18 dB
AEQ(TMDS_D) Equalizer gain for DP sink in TMDS mode; data lanes 9 dB
AEQ(TMDS_C) Equalizer gain for DP sink in TMDS mode; clock lane 3 dB
AEQ(HDMI_D) EQ gain, HDMI sink; data lanes 9 dB
AEQ(HDMI_C) EQ gain, HDMI sink; clock lane 3 dB
RIN Input termination impedance 40 50 60 Ω
VIterm Input termination voltage AC coupled; self-biased 0 2 V
VSQUELCH Squelch threshold voltage SQUELCH_SENSITIVITY = 00 60 mVPP
SQUELCH_SENSITIVITY = 01 (default) 115
SQUELCH_SENSITIVITY = 10 160
SQUELCH_SENSITIVITY = 11 200

DisplayPort Main Link Output Electrical Characteristics

over recommended operating conditions (unless otherwise noted)
PARAMETER TEST CONDITIONS MIN TYP MAX UNIT
VOD(L0) Output Differential Voltage Swing VPRE(L0); 675 Mbps D10.2 Test Pattern;
BOOST = 01; 100-Ω Rtdiff Termination
238 340 442 mVPP
VOD(L1) 357 510 663
VOD(L2) 484 690 897
VOD(L3) 700 1000 1300
VOD(TMDS) 675 Mbps D10.2 Test Pattern; BOOST = 01 420 600 780
ΔVOD(L0L1) Output Peak-to-Peak Differential Voltage Delta ΔVODn = 20 × log(VODL(n+1) / VODL(n))
Per PHY_CTS section 3.2 at TP2
1.7 3.5 5.3 dB
ΔVOD(L1L2) 1.6 2.5 3.5
ΔVOD(L2L3) 0.8 3.5 6.0
VPRE(L0) Driver output pre-emphasis All VOD options; Any BOOST setting 0 0.25 dB
VPRE(L1) VOD = VOD(L0), VOD(L1), or VOD(L2); BOOST = 01 3.5
VPRE(L2) VOD = VOD(L0) or VOD(L1); BOOST = 01 6.0
VPRE(L3) VOD = VOD(L0); BOOST = 01 9.5
VPRE(BOOST) Output VPRE Boost BOOST = 10 +15 %dB
BOOST = 00 –15
ΔVPRE(L1L0) Pre-emphasis Delta Per PHY_CTS section 3.3 at TP2 2.0 dB
ΔVPRE(L2L1) 1.6
ΔVPRE(L3L2) 1.6
ΔVConsBit Non-transition bit voltage variation Per PHY_CTS section 3.3.5 30 %V
ROUT Driver output impedance 40 50 60 Ω
VOCM(SS) Steady state output common mode voltage 0 2 V
VOCM(PP) Output common mode noise Per PHY_CTS section 3.10 RBR, HBR 20 mVRMS
HBR2 30
IOS Short circuit current limit Main Link outputs shorted to GND 50 mA

HDMI/DVI Main Link Output Electrical Characteristics

over recommended operating conditions (unless otherwise noted)
PARAMETER TEST CONDITIONS MIN TYP MAX UNIT
VOH Single-end high level output voltage VSadj = 4.7 kΩ VCC –10 VCC +10 mV
VOL Single-end low level output voltage VSadj = 4.7 kΩ VCC –600 VCC –400 mV
VSWING Single-end output voltage swing VSadj = 4.7 kΩ; SDA_CTL/PRE ≤ VIL 400 600 mV
ΔVSWING Change in single-end output voltage swing per 100Ω ΔVSadj 20 mV
VOCM(SS) Steady state output common mode voltage VCC –300 VCC -200 mV
ΔVOCM(SS) Change in steady state output common mode voltage between logic levels –5 5 mV
VOD(PP) Peak-to-peak output differential voltage VSadj = 4.7 kΩ; SDA_CTL/PRE ≤ VIL 800 1200 mVPP
VSadj = 4.7 kΩ; SDA_CTL/PRE ≥ VIH 640
VOD(SS) Steady state output differential voltage VSadj = 4.7 kΩ; SDA_CTL/PRE ≤ VIL 1000 mVPP
VSadj = 4.7 kΩ; SDA_CTL/PRE ≥ VIH 630
IOS Short circuit current limit VID = 500 mV 15 mA

HPD/CAD/EN Electrical Characteristics

over recommended operating conditions (unless otherwise noted)
PARAMETER TEST CONDITIONS MIN TYP MAX UNIT
VIH High-level input voltage HPD_SNK, CAD_SNK 2.1 V
EN 0.8
VIL Low-level input voltage HPD_SNK, CAD_SNK 1.08 V
EN 0.285
VOH High-level output voltage IOH = 500 µA; HPD_SRC, CAD_SRC 2.7 3.6 V
VOL Low-level output voltage IOH = 500 µA; HPD_SRC, CAD_SRC 0 0.1 V
RoutCAD CAD series output resistance (1) DP_HPD_SNK = CAD_SNK = VCC 150 Ω
RoutHPD HPD series output resistance DP_HPD_SNK = TMDS_HPD_SNK = VCC 150 Ω
ILEAK Failsafe condition leakage current VCC = 0 V; V(pin) = 1.2 V; EN 20 μA
VCC = 0 V; V(pin) = 3.3 V; DP_HPD_SNK, TMDS_HPD_SNK 40
IH_HPD High level input current Device powered; VIH = 1.9 V;
IH_HPD includes RpdHPD resistor current
30 μA
IH_CAD 1
IL_HPD Low level input current Device powered; VIL = 0.8 V;
IL_HPD includes RpdHPD resistor current
30 μA
IL_CAD 1
RpdHPD HPD input termination to GND;
DP_HPD_SNK and TMDS_HPD_SNK
VCC = 0 V 100 130 160
REN EN terminal pull-up resistor 120 150 180

AUX/DDC/I2C Electrical Characteristics

over recommended operating conditions (unless otherwise noted)
PARAMETER TEST CONDITIONS MIN TYP MAX UNIT
CIO I/O capacitance VIO = 0 V; f(test) = 1 MHz 10 pF
rON On resistance AUX_SRCn to AUX_SNKn in DP mode VCC = 3.0 V w/ VI = 2.6 V or VCC = 3.6 V
w/ VI = 3.4 V; IO = 5 mA
10 Ω
On resistance AUX_SRCp to AUX_SNKp in DP mode VCC = 3.0 V w/ VI = 0.3 V or VCC = 3.6 V
w/ VI = 0.4 V; IO = 500 mA
10 Ω
On resistance SCL/SDA_SRC to AUX_SNK in TMDS mode VI = 0.4 V; IO = 3 mA 30 Ω
ΔrON On resistance variation with input signal voltage change in DP mode VCC = 3.6 V, IO = 5 mA, VI = 2.6 V to 3.4 V
VCC = 3.0 V, IO = 5 mA, VI = 0 V to 0.4 V
5 Ω
VID(HYS) Differential input hysteresis By design (simulation only) 50 mV
ILEAK Failsafe condition leakage current VCC = 0 V; V(pin) = 3.3 V; SCL/SDA_SNK 40 μA
VCC = 0 V; V(pin) = 3.3 V; AUX_SNK p/n 20
VCC = 0 V; V(pin) = 3.3 V; SCL_CTL/EQ, SDA_CTL/PRE, AUX_SRCp 5
VCC = 0 V; V(pin) = 3.3 V; AUX_SRCn, SCL/SDA_SRC 60
IH_AUX_DDC AUX/DDC High level input current Device powered; VI = VCC 5 μA
IH_I2C I2C High level input current 20
IL_AUX AUX Low level input current Device powered; VI = GND ;
IL_DDCSRC includes RDDC resistor current
5 μA
IL_I2C I2C Low level input current 40
IL_DDCSRC DDC Low level input current 80
VAUX+ AUX_SNKp voltage Per PHY_CTS section 3.19 0 0.4 V
VAUX– AUX_SNKn voltage Per PHY_CTS section 3.18 2.4 3.6 V
S1122 AC coupled AUX line insertion loss VID = 400 mV, 360 MHz sine wave 3 dB
RDDC Switchable pullup resistor on DDC at source side (SCL_DDC, SDA_DDC) CAD_SNK = VIH 48 60 72
VIL1 SCL/SDA_SRC low-level input voltage OVS ≥ VIH 0.4 V
VIL2 OVS at VIM 0.4
VIL3 OVS ≤ VIL 0.3
VOL1 SCL/SDA_SRC low-level output voltage OVS ≥ VIH 0.6 0.7 V
VOL2 OVS at VIM 0.5 0.6
VOL3 OVS ≤ VIL 0.4 0.5
VOL4 SCL/SDA_SNK and SCL/SDA_CTL low-level output voltage IO = 3 mA 0.4 V

DisplayPort Main Link Output Switching Characteristics

over recommended operating conditions (unless otherwise noted) Figure 1 and Figure 2
PARAMETER TEST CONDITIONS MIN TYP MAX UNIT
tPD Propagation delay time 350 ps
tSK1 Intra-pair output skew Signal input skew = 0 ps; dR = 2.7 Gbps, VPRE = 0 dB,
800 mVpp , D10.2 clock pattern at device input; see Figure 2
20 ps
tSK2 Inter-pair output skew 70 ps
Δtjit Total peak to peak residual jitter VOD(L0); VPRE(L0); EQ = 8 dB; clean source; minimum input and output cabling; 1.62 Gbps, 2.7 Gbps, and 5.4-Gbps PRBS7 data pattern. 15 ps
tsq_enter Squelch Entry Time Time from active DP signal turned off to ML output off with noise floor minimized 10 120 μs
tsq_exit Squelch Exit Time Time from DP signal on to ML output on 0 1 μs

HDMI/DVI Main Link Switching Characteristics

over recommended operating conditions (unless otherwise noted) Figure 3, Figure 4, and Figure 5
PARAMETER TEST CONDITIONS MIN TYP MAX UNIT
tPLH Propagation delay time (low to high) 250 600 ps
tPHL Propagation delay time (high to low) 250 800 ps
tT1 Transition time (rise and fall time); measured at 20% and 80% levels SRC ≤ VIL; SDA_CTL/PRE ≤ VIL; 340 MHz 75 140 ps
tT2 SRC at VIM; SDA_CTL/PRE ≤ VIL; 340 MHz 85 160
tT3 SRC ≥ VIH; SDA_CTL/PRE ≤ VIL; 340 MHz 100 200
tSK1(T) Intra-pair output skew 0.15tbit ps
tSK2(T) Inter-pair output skew 30 ps
ΔtJIT Total peak to peak residual jitter; clock and data lanes SRC at VIM; dR = 3.4 Gbps; 0 dB VPRE;
EQ = 13 dB
30 ps
tsq_enter Squelch Entry Time dR = 3.4 Gbps 10 120 μs
tsq_exit Squelch Exit Time 0 1

HPD/CAD Switching Characteristics

over recommended operating conditions (unless otherwise noted) Figure 6
PARAMETER TEST CONDITIONS MIN TYP MAX UNIT
tPD(HPD) Propagation delay DP/TMDS_HPD_SNK to HPD_SRC; rising edge and falling edge See Figure 7; not valid during switching time tS(HPD) 120 ns
tPD(CAD) Propagation delay CAD_SNK to CAD_SRC; rising edge and falling edge See Figure 10 50 ns
tSK(HPD_CAD) Output skew HPD_SRC to CAD_SRC when HDMI/DVI sink is selected; rising edge and falling edge See Figure 10 50 ns
tT(HPD1) HPD logic switch time See Figure 8 350 ms
tT(HPD2) HPD logic switch pause time See Figure 8 4.1 ms
tT(HPD3) HPD logical disconnect timeout See Figure 9 350 ms

AUX/DDC/I2C Switching Characteristics

over recommended operating conditions (unless otherwise noted)
PARAMETER TEST CONDITIONS MIN TYP MAX UNIT
tsk(AUX) AUX intra-pair skew VID = 400 mV, see Figure 11 400 ps
tPLH(AUX) AUX propagation delay, low to high CAD_SNK ≤ VIL; 1-Mbps pattern; see Figure 12 3 ns
tPHL(AUX) AUX propagation delay, high to low 3 ns
tPLH1(DDC) DDC propagation delay, low to high(1) Source to Sink; CAD_SNK ≥ VIH; 100-kbps pattern;
CL (Sink) = 400 pF; see Figure 13
360 ns
tPHL1(DDC) DDC propagation delay, high to low(1) 230 ns
tPLH2(DDC) DDC propagation delay, low to high(1) Sink to Source; CAD_SNK ≥ VIH; 100-kbps pattern;
CL (Source) = 100 pF; see Figure 14
250 ns
tPHL2(DDC) DDC propagation delay, high to low(1) 200 ns
tPU(AUX) Main link D3 wakeup time VID = 0.1 V, VICM = 2 V source side (before AC coupling caps) 50 µs
Local I2C
Refer to the I2C-Bus Specification, Version 2.1 (January 2000); SN75DP126 meets the switching characteristics for standard mode transfers up to 100 kbps.
Applies to DDC pass through to DisplayPort sink and the HDMI/DVI sink.
SN75DP126 link_tst_cir_llsea9.gif Figure 1. DisplayPort Sink Main Link Test Circuit
SN75DP126 skew_meas_llsea9.gif Figure 2. DisplayPort Sink Main Link Skew Measurements
SN75DP126 TMDS_op_skew_llsea9.gif Figure 3. HDMI/DVI Sink TMDS Output Skew Measurements
SN75DP126 TMDS_op_common_llsea9.gif Figure 4. HDMI/DVI TMDS Output Common Mode Measurement
SN75DP126 op_jitter_meas_llsea9.gif
The FR4 trace between TTP1 and TTP2 is designed to emulate 1-8” of FR4, AC coupling cap and connector. Trace width –4 mils.
All Jitter is measured at a BER of 10-9
Residual jitter reflects the total jitter measured at TTP4 minus the jitter measured at TTP1
VCC = 3.3 V
RT = 50Ω
The input signal from parallel Bert does not have any pre-emphasis. Refer to recommended operating conditions.
Figure 5. HDMI/DVI TMDS Output Jitter Measurement
SN75DP126 HPD_tst_cir_llsea9.gif Figure 6. HPD Test Circuit
SN75DP126 HPD_timing1_llsea9.gif Figure 7. HPD Timing Diagram #1
SN75DP126 HPD_timing2_llsea9.gif Figure 8. HPD Timing Diagram #2
SN75DP126 HPD_logic_timeout_llsea9.gif Figure 9. HPD Logic Disconnect Timeout
SN75DP126 HPD_logic_tim_llsea9.gif Figure 10. HPD and CAD Logic Description and Timing Diagram
SN75DP126 AUX_skew_meas_llsea9.gif Figure 11. AUX Skew Measurement
SN75DP126 AUX_slew_delay_llsea9.gif Figure 12. AUX Delay Measurement
SN75DP126 DDC_prop_dly_llsea9.gif Figure 13. DDC Propagation Delay – Source to Sink
SN75DP126 DDC2_prop_dly_llsea9.gif Figure 14. DDC Propagation Delay – Sink to Source

Typical Characteristics

SN75DP126 typ_EQ_gain_llsea9.gif
Figure 15. Typical EQ Gain Curves
SN75DP126 Fig22_SLLSEA9.gif
Gain represents SN75DP126 design simulation.
Figure 17. VOD vs. VSadj
SN75DP126 Fig24_SLLSEA9.png
Figure 19. SN75DP126 Output; 22-inch Input Trace;
15 dB EQ Setting; DP Sink
SN75DP126 Fig26_SLLSEA9.png
Figure 21. SN75DP126 Output; 22-inch Input Trace; 15 dB EQ Setting; TMDS Sink
SN75DP126 Fig21_SLLSEA9.gif
Figure 16. Characterization Test Board Trace Lengths
vs EQ Setting
SN75DP126 Fig23_SLLSEA9.png
Figure 18. Main Link Input with 22-inch Trace;
DisplayPort Sink
SN75DP126 Fig25_SLLSEA9.png
Figure 20. Main Link Input with 22-inch Trace; TMDS Sink