ZHCSYD3F June   2001  – June 2025 SN74LVC1G66-Q1

PRODUCTION DATA  

  1.   1
  2. 特性
  3. 应用
  4. 说明
  5. Pin Configuration and Functions
    1.     Pin Functions
  6. Specifications
    1. 5.1 Absolute Maximum Ratings
    2. 5.2 ESD Ratings
    3. 5.3 Recommended Operating Conditions
    4. 5.4 Thermal Information
    5. 5.5 Electrical Characteristics
    6. 5.6 Switching Characteristics
    7. 5.7 Analog Switch Characteristics
    8. 5.8 Operating Characteristics
    9. 5.9 Typical Characteristics
  7. Parameter Measurement Information
  8. Detailed Description
    1. 7.1 Overview
    2. 7.2 Functional Block Diagram
    3. 7.3 Feature Description
    4. 7.4 Device Functional Modes
  9. Application and Implementation
    1. 8.1 Application Information
    2. 8.2 Typical Application
      1. 8.2.1 Design Requirements
      2. 8.2.2 Detailed Design Procedure
      3. 8.2.3 Application Curve
  10. Power Supply Recommendations
  11. 10Layout
    1. 10.1 Layout Guidelines
    2. 10.2 Layout Example
  12. 11Device and Documentation Support
    1. 11.1 Documentation Support
      1. 11.1.1 Related Documentation
    2. 11.2 接收文档更新通知
    3. 11.3 支持资源
    4. 11.4 Trademarks
    5. 11.5 静电放电警告
    6. 11.6 术语表
  13. 12Revision History
  14. 13Mechanical, Packaging, and Orderable Information

封装选项

机械数据 (封装 | 引脚)
散热焊盘机械数据 (封装 | 引脚)
订购信息

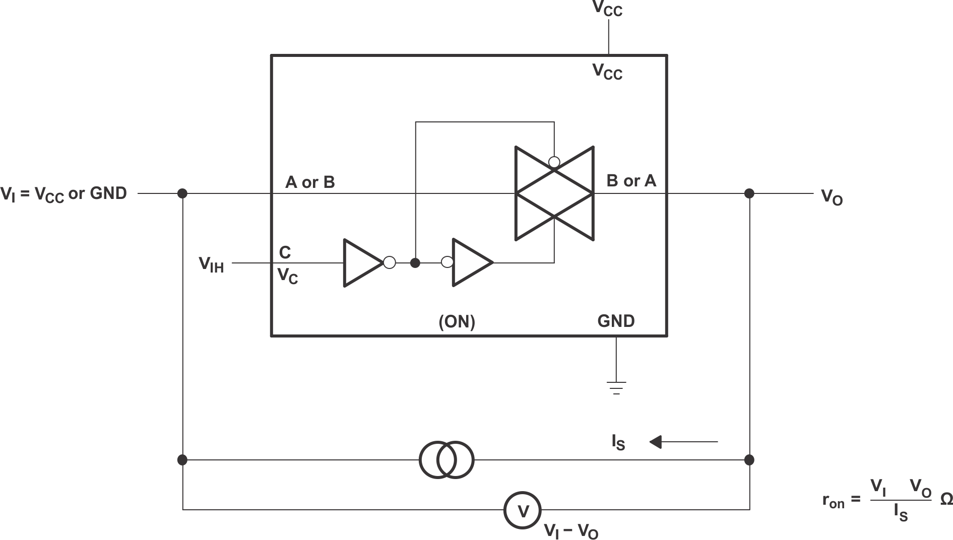
Parameter Measurement Information

SN74LVC1G66-Q1 ON-State
                    Resistance Test Circuit Figure 6-1 ON-State Resistance Test Circuit
SN74LVC1G66-Q1 OFF-State
                    Switch Leakage-Current Test Circuit Figure 6-2 OFF-State Switch Leakage-Current Test Circuit
SN74LVC1G66-Q1 ON-State
                    Switch Leakage-Current Test Circuit Figure 6-3 ON-State Switch Leakage-Current Test Circuit
SN74LVC1G66-Q1 Load
                    Circuit and Voltage Waveforms Figure 6-4 Load Circuit and Voltage Waveforms
SN74LVC1G66-Q1 Frequency
                    Response (Switch ON) Figure 6-5 Frequency Response (Switch ON)
SN74LVC1G66-Q1 Crosstalk
                    (Control Input – Switch Output) Figure 6-6 Crosstalk (Control Input – Switch Output)
SN74LVC1G66-Q1 Feedthrough (Switch OFF) Figure 6-7 Feedthrough (Switch OFF)
SN74LVC1G66-Q1 Sine-Wave
                    Distortion Figure 6-8 Sine-Wave Distortion