ZHCSQI8O December   1997  – May 2022 SN74LV125A

PRODUCTION DATA  

  1. 特性
  2. 应用
  3. 说明
    1.     4
  4. Revision History
  5. Pin Configuration and Functions
    1.     Pin Functions
  6. Specifications
    1. 6.1  Absolute Maximum Ratings
    2. 6.2  ESD Ratings
    3. 6.3  Recommended Operating Conditions
    4. 6.4  Thermal Information
    5. 6.5  Electrical Characteristics
    6. 6.6  Switching Characteristics, VCC = 2.5 V ± 0.2 V
    7. 6.7  Switching Characteristics, VCC = 3.3 V ± 0.3 V
    8. 6.8  Switching Characteristics, VCC = 5 V ± 0.5 V
    9. 6.9  Noise Characteristics
    10. 6.10 Operating Characteristics
    11. 6.11 Typical Characteristics
  7. Parameter Measurement Information
    1. 7.1 21
  8. Detailed Description
    1. 8.1 Overview
    2. 8.2 Functional Block Diagram
    3. 8.3 Feature Description
    4. 8.4 Device Functional Modes
  9. Application and Implementation
    1. 9.1 Application Information
    2. 9.2 Typical Application
      1. 9.2.1 Design Requirements
      2. 9.2.2 Detailed Design Procedure
      3. 9.2.3 Application Curves
  10. 10Power Supply Recommendations
  11. 11Layout
    1. 11.1 Layout Guidelines
    2. 11.2 Layout Example
  12. 12Device and Documentation Support
    1. 12.1 Related Links
    2. 12.2 Trademarks
    3. 12.3 Electrostatic Discharge Caution
    4. 12.4 术语表
  13. 13Mechanical, Packaging, and Orderable Information

封装选项

请参考 PDF 数据表获取器件具体的封装图。

机械数据 (封装 | 引脚)
  • D|14
  • RGY|14
  • DGV|14
  • DB|14
  • PW|14
  • NS|14
  • N|14
散热焊盘机械数据 (封装 | 引脚)
订购信息

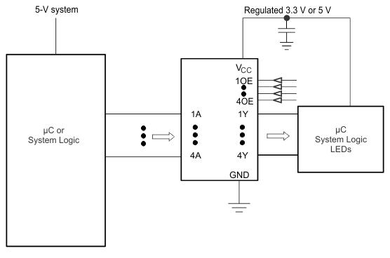
Typical Application

GUID-F4A62A45-D245-4E65-836C-B24C17B36749-low.gifFigure 9-1 Typical Application Schematic