ZHCSIF2C October   2003  – June 2018 SN74CB3Q3253

PRODUCTION DATA.  

  1. 特性
  2. 应用
  3. 说明
    1.     逻辑图(正逻辑)
  4. 修订历史记录
  5. Pin Configuration and Functions
    1.     Pin Functions
  6. Specifications
    1. 6.1 Absolute Maximum Ratings
    2. 6.2 ESD Ratings
    3. 6.3 Recommended Operating Conditions
    4. 6.4 Thermal Information
    5. 6.5 Electrical Characteristics
    6. 6.6 Switching Characteristics
    7. 6.7 Typical Characteristics
  7. Parameter Measurement Information
  8. Detailed Description
    1. 8.1 Overview
    2. 8.2 Functional Block Diagram
    3. 8.3 Feature Description
    4. 8.4 Device Functional Modes
  9. Application and Implementation
    1. 9.1 Application Information
    2. 9.2 Typical Application
      1. 9.2.1 Design Requirements
      2. 9.2.2 Detailed Design Procedure
      3. 9.2.3 Application Curve
  10. 10Power Supply Recommendations
  11. 11Layout
    1. 11.1 Layout Guidelines
    2. 11.2 Layout Example
  12. 12器件和文档支持
    1. 12.1 文档支持
      1. 12.1.1 相关文档
    2. 12.2 接收文档更新通知
    3. 12.3 社区资源
    4. 12.4 商标
    5. 12.5 静电放电警告
    6. 12.6 术语表
  13. 13机械、封装和可订购信息

封装选项

请参考 PDF 数据表获取器件具体的封装图。

机械数据 (封装 | 引脚)
  • PW|16
  • DBQ|16
  • RGY|16
  • DGV|16
散热焊盘机械数据 (封装 | 引脚)
订购信息

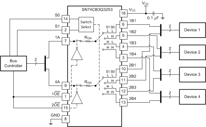
Typical Application

The application shown here is a 4-bit bus being multiplexed between two devices. the OE and S pins are used to control the chip from the bus controller. This is a very generic example, and could apply to many situations. If an application requires less than 4 bits, be sure to tie the A side to either high or low on unused channels.

SN74CB3Q3253 scds145_app1.gifFigure 5. Typical Application of the SN74CB3Q3253