ZHCSLC7A May   2020  – February 2024 SN74AXC2T245

PRODUCTION DATA  

  1.   1
  2. 特性
  3. 应用
  4. 说明
  5. 引脚配置和功能
  6. 规格
    1. 5.1  绝对最大额定值
    2. 5.2  ESD 等级
    3. 5.3  热性能信息
    4. 5.4  建议运行条件
    5. 5.5  电气特性
    6. 5.6  开关特性,VCCA = 0.7 ± 0.05V
    7. 5.7  开关特性,VCCA = 0.8 ± 0.04V
    8. 5.8  开关特性,VCCA = 0.9 ± 0.045V
    9. 5.9  开关特性,VCCA = 1.2 ± 0.1V
    10. 5.10 开关特性,VCCA = 1.5 ± 0.1V
    11. 5.11 开关特性,VCCA = 1.8 ± 0.15V
    12. 5.12 开关特性,VCCA = 2.5 ± 0.2V
    13. 5.13 开关特性,VCCA = 3.3 ± 0.3V
    14. 5.14 工作特性:TA = 25°C
  7. 参数测量信息
    1. 6.1 负载电路和电压波形
  8. 详细说明
    1. 7.1 概述
    2. 7.2 功能方框图
    3. 7.3 特性说明
      1. 7.3.1  标准 CMOS 输入
      2. 7.3.2  平衡型高驱动 CMOS 推挽式输出
      3. 7.3.3  局部断电 (Ioff)
      4. 7.3.4  VCC 隔离
      5. 7.3.5  过压耐受输入
      6. 7.3.6  无干扰供电时序
      7. 7.3.7  负钳位二极管
      8. 7.3.8  完全可配置的双轨设计
      9. 7.3.9  带有集成静态下拉电阻的 I/O
      10. 7.3.10 支持高速转换
    4. 7.4 器件功能模式
  9. 应用和实施
    1. 8.1 应用信息
    2. 8.2 典型应用
      1. 8.2.1 设计要求
      2. 8.2.2 详细设计过程
      3. 8.2.3 应用曲线
    3. 8.3 电源相关建议
    4. 8.4 布局
      1. 8.4.1 布局指南
      2. 8.4.2 布局示例
  10. 器件和文档支持
    1. 9.1 文档支持
      1. 9.1.1 相关文档
    2. 9.2 接收文档更新通知
    3. 9.3 支持资源
    4. 9.4 商标
    5. 9.5 静电放电警告
    6. 9.6 术语表
  11. 10修订历史记录
  12. 11机械、封装和可订购信息

封装选项

机械数据 (封装 | 引脚)
散热焊盘机械数据 (封装 | 引脚)
订购信息

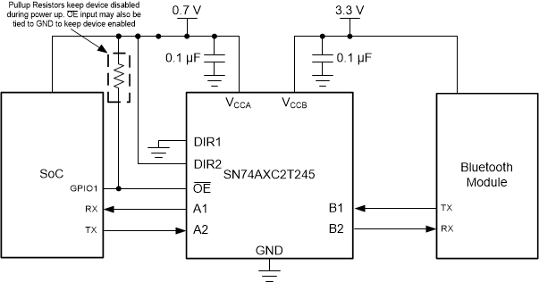
典型应用

GUID-C2900F88-C9BE-43EA-9475-C8BFD46F695C-low.gif图 8-1 2 引脚 UART 应用