ZHCSSV6D February 2002 – February 2024 SN74AHC74Q-Q1
PRODUCTION DATA
请参考 PDF 数据表获取器件具体的封装图。
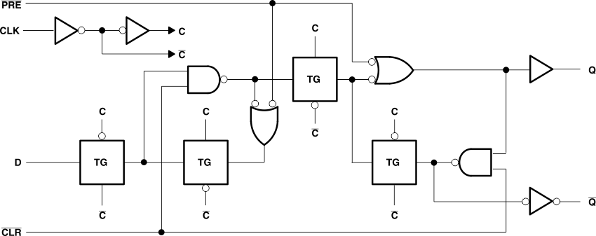
SN74AHC74Q-Q1 双路正边沿触发器件是 D 型触发器。
预设 (PRE) 或清零 (CLR) 输入端的低电平将会设置或重置输出,而不受其他输入端电平的影响。当PRE和CLR处于非活动状态(高电平)时,满足设置时间要求的数据 (D) 输入端的数据将在时钟脉冲的上升沿传输到输出端。时钟触发出现在一个特定电压电平上,并且不与时钟脉冲的上升时间直接相关。经过保持时间间隔后,可以更改 D 输入端的数据而不影响输出端的电平。
| 器件型号 | 封装(1) | 封装尺寸(2) | 封装尺寸(3) |
|---|---|---|---|
| SN74AHC74Q-Q1 | BQA(WQFN,14) | 3mm × 2.5mm | 3mm × 2.5mm |
| D(SOIC,14) | 8.65mm x 6mm | 8.65mm x 3.9mm | |
| PW(TSSOP,14) | 5mm × 6.0mm | 5mm x 4.4mm |
逻辑图(正逻辑)