ZHCSR19G December 2002 – September 2022 SN65HVD20 , SN65HVD21 , SN65HVD22 , SN65HVD23 , SN65HVD24
PRODUCTION DATA
Test load capacitance includes probe and jig capacitance (unless otherwise specified). Signal generator characteristics: rise and fall time < 6 ns, pulse rate 100 kHz, 50% duty cycle, ZO = 50 Ω (unless otherwise specified).
Figure 9-1 Driver Test Circuit, VOD and VOC Without Common-Mode Loading
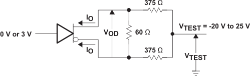
Figure 9-2 Driver Test Circuit, VOD With Common-Mode Loading
Figure 9-3 Driver Switching Test Circuit and Waveforms
Figure 9-4 Driver VOC Test Circuit and Waveforms
Figure 9-6 Driver Enable and Disable Test, High Output
Figure 9-7 Driver Enable and Disable Test, Low Output
Figure 9-8 Driver Standby and Wake Test Circuit and Waveforms
Figure 9-9 Driver Short-Circuit Test
Figure 9-10 Receiver DC Parameter Definitions
Figure 9-11 Receiver Switching Test Circuit and Waveforms
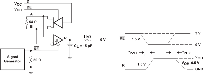
Figure 9-12 Receiver Enable Test Circuit and Waveforms, Data Output High
Figure 9-13 Receiver Enable Test Circuit and Waveforms, Data Output Low
Figure 9-14 Receiver Standby and Wake Test Circuit and Waveforms
Figure 9-15 Receiver Active Failsafe Definitions and Waveforms
Figure 9-16 Test Circuit and Waveforms, Transient Overvoltage Test