ZHCSNJ4B September   2007  – March 2021 PCA9543A

PRODUCTION DATA  

  1. 特性
  2. 应用
  3. 说明
  4. Revision History
  5. Pin Configuration and Functions
  6. Specifications
    1. 6.1 Absolute Maximum Ratings
    2. 6.2 ESD Ratings
    3. 6.3 Recommended Operating Conditions
    4. 6.4 Thermal Information
    5. 6.5 Electrical Characteristics
    6. 6.6 I2C Interface Timing Requirements
    7. 6.7 Switching Characteristics
    8. 6.8 Interrupt and Reset Timing Requirements
  7. Parameter Measurement Information
  8. Detailed Description
    1. 8.1 Overview
    2. 8.2 Functional Block Diagram
    3. 8.3 Feature Description
    4. 8.4 Device Functional Modes
      1. 8.4.1 RESET Input
      2. 8.4.2 Power-On Reset
    5. 8.5 Programming
      1. 8.5.1 I2C Interface
    6. 8.6 Control Register
      1. 8.6.1 Device Address
      2. 8.6.2 Control Register Description
      3. 8.6.3 Control Register Definition
      4. 8.6.4 Interrupt Handling
  9. Application and Implementation
    1. 9.1 Application Information
    2. 9.2 Typical Application
      1. 9.2.1 Design Requirements
      2. 9.2.2 Detailed Design Procedure
      3. 9.2.3 Application Curves
  10. 10Power Supply Recommendations
    1. 10.1 Power-On Reset Requirements
  11. 11Layout
    1. 11.1 Layout Guidelines
    2. 11.2 Layout Example
  12. 12Device and Documentation Support
    1. 12.1 Receiving Notification of Documentation Updates
    2. 12.2 Support Resources
    3. 12.3 Trademarks
    4. 12.4 Electrostatic Discharge Caution
    5. 12.5 Glossary
  13. 13Mechanical, Packaging, and Orderable Information

封装选项

机械数据 (封装 | 引脚)
散热焊盘机械数据 (封装 | 引脚)
订购信息

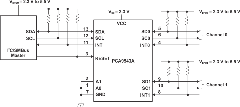
Typical Application

A typical application of the PCA9543A will contain anywhere from 1 to 3 separate data pull-up voltages, VDPUX , one for the master device (VDPUM) and one for each of the selectable slave channels (VDPU0 and VDPU1). In the event where the master device and both slave devices operate at the same voltage, then the pass voltage, Vpass = VDPUX. Once the maximum Vpass is known, Vcc can be selected using Figure 9-2. In an application where voltage translation is necessary, additional design requirements must be considered (See Design Requirements).

Figure 9-1 shows an application in which the PCA9543A can be used.

GUID-74CFAB22-A43E-42AD-B021-5CAE57DD7B68-low.gifFigure 9-1 Typical Application