ZHCSIR5H September   2018  – August 2021 OPA210 , OPA2210

PRODUCTION DATA  

  1. 特性
  2. 应用
  3. 说明
  4. Revision History
  5. Pin Configuration and Functions
  6. Specifications
    1. 6.1 Absolute Maximum Ratings
    2. 6.2 ESD Ratings
    3. 6.3 Recommended Operating Conditions
    4. 6.4 Thermal Information: OPA210
    5. 6.5 Thermal Information: OPA2210
    6. 6.6 Electrical Characteristics
    7. 6.7 Typical Characteristics
  7. Detailed Description
    1. 7.1 Overview
    2. 7.2 Functional Block Diagram
    3. 7.3 Feature Description
      1. 7.3.1 Operating Voltage
      2. 7.3.2 Input Protection
      3. 7.3.3 Noise Performance
      4. 7.3.4 Phase-Reversal Protection
      5. 7.3.5 Electrical Overstress
    4. 7.4 Device Functional Modes
  8. Application and Implementation
    1. 8.1 Application Information
      1. 8.1.1 Basic Noise Calculations
    2. 8.2 Typical Application
      1. 8.2.1 Design Requirements
      2. 8.2.2 Detailed Design Procedure
      3. 8.2.3 Application Curve
    3. 8.3 System Example
      1. 8.3.1 Time Gain Control System for Ultrasound Applications
  9. Power Supply Recommendations
  10. 10Layout
    1. 10.1 Layout Guidelines
    2. 10.2 Layout Example
  11. 11Device and Documentation Support
    1. 11.1 Device Support
      1. 11.1.1 Development Support
        1. 11.1.1.1 TINA-TI™ Simulation Software (Free Download)
        2. 11.1.1.2 DIP Adapter EVM
        3. 11.1.1.3 Universal Operational Amplifier EVM
        4. 11.1.1.4 TI Precision Designs
        5. 11.1.1.5 WEBENCH® Filter Designer
    2. 11.2 Documentation Support
      1. 11.2.1 Related Documentation
    3. 11.3 接收文档更新通知
    4. 11.4 支持资源
    5. 11.5 Trademarks
    6. 11.6 Electrostatic Discharge Caution
    7. 11.7 术语表
  12. 12Mechanical, Packaging, and Orderable Information

封装选项

机械数据 (封装 | 引脚)
散热焊盘机械数据 (封装 | 引脚)
订购信息

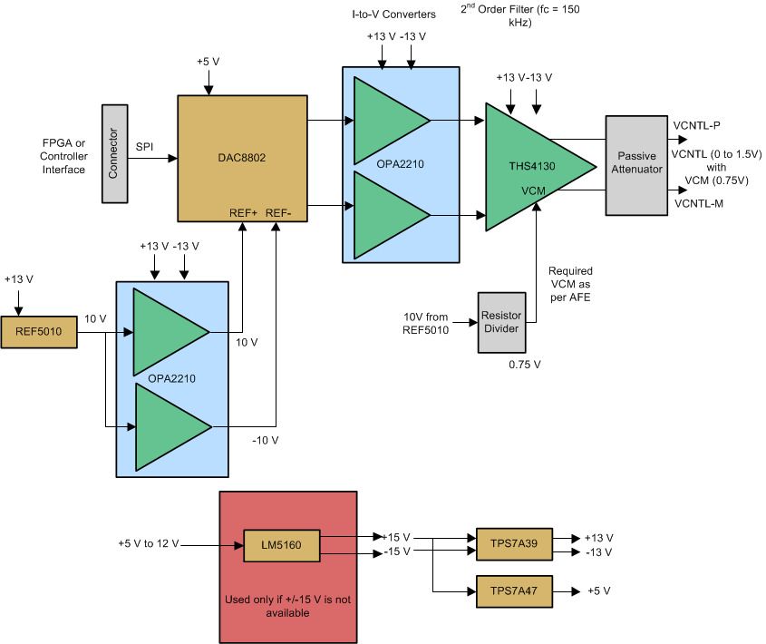
Time Gain Control System for Ultrasound Applications

During an ultrasound send-receive cycle, the magnitude of reflected signal depends on the depth of penetration. The ultrasound signal incident on the receiver decreases in amplitude as a function of the time elapsed since transmission. The time gain control (TGC) system helps achieve the best possible signal-to-noise ratio (SNR), even with the decreasing signal amplitude. When the image is displayed, similar materials have similar brightness, regardless of depth. Linear-in-dB gain, which means the decibel gain is a linear function of the control voltage (VCNTL), is used to generate this image.

There are multiple approaches for a TGC control circuit that are based on the type of DAC. Figure 8-4 shows a high-level block diagram for the topology using a current-output multiplying DAC (MDAC) to generate the drive for VCNTL. The op amp used for current-to-voltage (I-to-V) conversion must have low-voltage noise, as well as low-current noise density. The current density helps reduce the overall noise performance because of the DAC output configuration. The DAC output can go up to ±10 V; therefore, the op amp must have bipolar operation. The OPAx210 is used here because of the low-voltage noise density of 2.2 nV/√Hz, low-current noise density of 500 fA/√Hz, rail-to-rail output, and the ability to accept a wide supply range of ±2.25 V to ±18 V and provide rail-to-rail output. The low offset voltage and offset drift of the OPAx210 facilitate excellent dc accuracy for the circuit.

The OPAx210 is used to filter and buffer the 10-V reference voltage generated by the REF5010. The REF5010 serves as the reference voltage for the DAC8802, which generates a current output on IOUT corresponding to the digital input code. The IOUT pin of the DAC8802 is connected to the virtual ground (negative terminal) of the OPAx210; the feedback resistor (RFB is internal to the DAC8802) is connected to the output of the OPAx210, and results in a current-to-voltage conversion. The output of the OPAx210 has a range of –10 V to 0 V, which is fed to the THS4130 configured as a Sallen-Key filter. Finally, the 10-V range is attenuated down to a 1.5-V range, with a common-mode voltage of 0.75 V using a resistive attenuator. See the 2.3-nV/√Hz, Differential, Time Gain Control DAC Reference Design for Ultrasound for an in-depth analysis of Figure 8-4.

GUID-E4BC6664-186D-4840-8EF4-2E24FBAABC32-low.gif Figure 8-4 Block Diagram for Time Gain Control System for Ultrasound