ZHCSGW0E October   2017  – February 2020 OPA202 , OPA2202 , OPA4202

PRODUCTION DATA.  

  1. 特性
  2. 应用
  3. 说明
    1.     OPAx202 即使在直接驱动高容性负载时也表现优异
  4. 修订历史记录
  5. Pin Configuration and Functions
    1.     Pin Functions: OPA202
    2.     Pin Functions: OPA2202
    3.     Pin Functions: OPA4202
  6. Specifications
    1. 6.1 Absolute Maximum Ratings
    2. 6.2 ESD Ratings
    3. 6.3 Recommended Operating Conditions
    4. 6.4 Thermal Information: OPA202
    5. 6.5 Thermal Information: OPA2202
    6. 6.6 Thermal Information: OPA4202
    7. 6.7 Electrical Characteristics
    8. 6.8 Typical Characteristics
    9. 6.9 Typical Characteristics
  7. Detailed Description
    1. 7.1 Overview
    2. 7.2 Functional Block Diagram
    3. 7.3 Feature Description
      1. 7.3.1 Capacitive Load and Stability
      2. 7.3.2 Output Current Limit
      3. 7.3.3 Noise Performance
      4. 7.3.4 Phase-Reversal Protection
      5. 7.3.5 Thermal Protection
      6. 7.3.6 Electrical Overstress
      7. 7.3.7 EMI Rejection
      8. 7.3.8 EMIRR +IN Test Configuration
    4. 7.4 Device Functional Modes
  8. Application and Implementation
    1. 8.1 Application Information
      1. 8.1.1 Basic Noise Calculations
    2. 8.2 Typical Application
      1. 8.2.1 Design Requirements
      2. 8.2.2 Detailed Design Procedure
      3. 8.2.3 Application Curve
  9. Power Supply Recommendations
  10. 10Layout
    1. 10.1 Layout Guidelines
    2. 10.2 Layout Example
  11. 11器件和文档支持
    1. 11.1 器件支持
      1. 11.1.1 开发支持
        1. 11.1.1.1 TINA-TI(免费软件下载)
        2. 11.1.1.2 WEBENCH 滤波器设计器工具
        3. 11.1.1.3 TI 高精度设计
    2. 11.2 文档支持
      1. 11.2.1 相关文档
    3. 11.3 相关链接
    4. 11.4 接收文档更新通知
    5. 11.5 支持资源
    6. 11.6 商标
    7. 11.7 静电放电警告
    8. 11.8 Glossary
  12. 12机械、封装和可订购信息

封装选项

机械数据 (封装 | 引脚)
散热焊盘机械数据 (封装 | 引脚)
订购信息

Capacitive Load and Stability

The dynamic characteristics of the OPAx202 are optimized for commonly encountered gains, loads, and operating conditions. The OPAx202 feature a patented output stage capable of driving large capacitive loads. In a unity-gain configuration, the series is capable of directly driving to 25 nF of pure capacitive load. Increase the gain to enhance the ability of the devices to drive greater capacitive loads. The particular op amp circuit configuration, layout, gain, and output loading are some of the factors to consider when establishing whether an amplifier is stable in operation.

The combination of low closed-loop gain and high capacitive loads decreases the phase margin of the amplifier, and can lead to gain peaking or oscillations. As a result, heavier capacitive loads must be isolated from the output. Add a small resistor (ROUT equal to 50 Ω, for example) in series with the output to achieve isolation. Figure 40 shows the effects on small-signal overshoot for several capacitive loads and combinations of isolation resistance. See the Feedback Plots Define Op Amp AC Performance application bulletin for details of analysis techniques and application circuits, available for download from the www.TI.com. By using isolation resistors, driving capacitive loads of 100 nF and beyond is possible.

OPA202 OPA2202 OPA4202 C208_SBOS427.pngFigure 40. Small-Signal Overshoot vs Capacitive Load (10-mV Output Step)

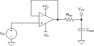
For additional drive capability in unity-gain configurations, insert a small (10 Ω to 20 Ω) resistor (RISO) in series with the output to improve capacitive load drive, as shown in Figure 41. This resistor reduces ringing and maintains dc performance for purely capacitive loads. However, if a resistive load is in parallel with the capacitive load, then a voltage divider is created, which introduces a gain error at the output and reduces the output swing. The error is proportional to the ratio RISO / RL, and is generally negligible at low output levels. A high capacitive load drive makes the OPAx202 a great choice for applications such as reference buffers, MOSFET gate drives, and cable-shield drives. The circuit shown in Figure 41 uses an isolation resistor (RISO) to stabilize the output of an op amp. RISO modifies the open-loop gain of the system for increased phase margin. Table 2 lists the results using the OPAx202. For additional information on techniques to optimize and design using this circuit, TI Precision Design TIPD128 details complete design goals, simulation, and test results.

OPA202 OPA2202 OPA4202 ai_fig1excapload_bos5165663.gifFigure 41. Extending Capacitive Load Drive With the OPAx202

Table 2. OPAx202 Capacitive Load Drive Solution Using Isolation Resistor Measured Results

PARAMETER MEASURED OVERSHOOT (%)
INVERTING CONFIGURATION NONINVERTING CONFIGURATION
CLOAD (pF) RISO = 0 Ω RISO = 25 Ω RISO = 50 Ω RISO = 0 Ω RISO = 25 Ω RISO = 50 Ω
31 8.6 6.6 6.6 9.3 9 9.4
251 6.7 6.4 6.7 8.9 8.9 8.9
421 6.4 6.3 6.6 8.8 8.8 8.7
641 6.7 6.3 6.5 8.1 8.8 8.5
1079 6.1 6.1 6.4 8.6 8.7 9.8
1539 6.4 6.3 6.1 8.9 10.3 10.1
2579 6.1 6.3 6.9 16 13.3 12
3949 8.1 7.9 8.3 25 16 14.1
6269 14.9 10.8 9.9 33.1 18.1 14.5
10139 21.8 13.5 10.8 40.2 19.1 15.4
15729 29.4 15.2 11.6 46.2 19.6 14.5
25069 37 16.5 12.3 52.6 19.2 13.9
For step-by-step design procedure, circuit schematics, bill of materials, printed circuit board (PCB) files, simulation results, and test results, see TIPD128, Capacitive Load Drive Solution Using an Isolation Resistor verified reference design.