ZHCSBX8I December   2013  – May 2018 OPA172 , OPA2172 , OPA4172

PRODUCTION DATA.  

  1. 特性
  2. 应用
  3. 说明
    1.     Device Images
      1.      JFET 输入低噪声放大器
      2.      出色的总谐波失真 (THD) 性能
  4. 修订历史记录
  5. Device Comparison
    1. 5.1 Device Comparison
    2. 5.2 Device Family Comparison
  6. Pin Configuration and Functions
    1.     Pin Functions: OPA172
    2.     Pin Functions: OPA2172 and OPA4172
  7. Specifications
    1. 7.1 Absolute Maximum Ratings
    2. 7.2 ESD Ratings
    3. 7.3 Recommended Operating Conditions
    4. 7.4 Thermal Information: OPA172
    5. 7.5 Thermal Information: OPA2172
    6. 7.6 Thermal Information: OPA4172
    7. 7.7 Electrical Characteristics
    8. 7.8 Typical Characteristics: Table of Graphs
    9. 7.9 Typical Characteristics
  8. Detailed Description
    1. 8.1 Overview
    2. 8.2 Functional Block Diagram
    3. 8.3 Feature Description
      1. 8.3.1 EMI Rejection
      2. 8.3.2 Phase-Reversal Protection
      3. 8.3.3 Capacitive Load and Stability
    4. 8.4 Device Functional Modes
      1. 8.4.1 Common-Mode Voltage Range
      2. 8.4.2 Electrical Overstress
      3. 8.4.3 Overload Recovery
  9. Applications and Implementation
    1. 9.1 Application Information
    2. 9.2 Typical Applications
      1. 9.2.1 Capacitive Load Drive Solution Using an Isolation Resistor
        1. 9.2.1.1 Design Requirements
        2. 9.2.1.2 Detailed Design Procedure
        3. 9.2.1.3 Application Curve
      2. 9.2.2 Bidirectional Current Source
      3. 9.2.3 JFET-Input Low-Noise Amplifier
  10. 10Power-Supply Recommendations
  11. 11Layout
    1. 11.1 Layout Guidelines
    2. 11.2 Layout Example
  12. 12器件和文档支持
    1. 12.1 器件支持
      1. 12.1.1 开发支持
        1. 12.1.1.1 TINA-TI(免费软件下载)
    2. 12.2 文档支持
      1. 12.2.1 相关文档
    3. 12.3 相关链接
    4. 12.4 社区资源
    5. 12.5 商标
    6. 12.6 静电放电警告
    7. 12.7 术语表
  13. 13机械、封装和可订购信息

封装选项

机械数据 (封装 | 引脚)
散热焊盘机械数据 (封装 | 引脚)
订购信息

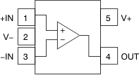
Pin Configuration and Functions

DCK Package: OPA172
SC70-5
Top View
OPA172 OPA2172 OPA4172 po_sc70_bos406.gif
DBV Package: OPA172
SOT-23-5
Top View
OPA172 OPA2172 OPA4172 po_sot23-5_bos516.gif
D Package: OPA172
SOIC-8
Top View
OPA172 OPA2172 OPA4172 po_so-8_bos516.gif
No internal connection.

Pin Functions: OPA172

PIN I/O DESCRIPTION
NAME OPA172
D (SOIC) DBV (SOT) DCK (SC70)
+IN 3 3 1 I Noninverting input
–IN 2 4 3 I Inverting input
NC 1, 5, 8 No internal connection
OUT 6 1 4 O Output
V+ 7 5 5 Positive (highest) power supply
V– 4 2 2 Negative (lowest) power supply
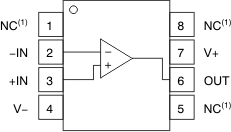
D and DGK Packages: OPA2172
SOIC-8 and VSSOP-8
Top View
OPA172 OPA2172 OPA4172 po_vssop-8_bos516.gif
DRG Package: OPA2172
WSON-8
Top View
OPA172 OPA2172 OPA4172 po_drg_opa1688_sbos724.gif
D and PW Packages: OPA4172
SO-14 and TSSOP-14
Top View
OPA172 OPA2172 OPA4172 po_so-14_bos516.gif

Pin Functions: OPA2172 and OPA4172

PIN I/O DESCRIPTION
NAME OPA2172 OPA4172
D (SOIC),
DGK (VSSOP)
DRG (WSON) D (SOIC),
PW (TSSOP)
+IN A 3 1 3 I Noninverting input, channel A
+IN B 5 4 5 I Noninverting input, channel B
+IN C 10 I Noninverting input, channel C
+IN D 12 I Noninverting input, channel D
–IN A 2 8 2 I Inverting input, channel A
–IN B 6 5 6 I Inverting input, channel B
–IN C 9 I Inverting input,,channel C
–IN D 13 I Inverting input, channel D
OUT A 1 7 1 O Output, channel A
OUT B 7 6 7 O Output, channel B
OUT C 8 O Output, channel C
OUT D 14 O Output, channel D
V+ 8 2 4 Positive (highest) power supply
V– 4 3 11 Negative (lowest) power supply