ZHCSDA0E January   2015  – August 2018 MSP430FR6820 , MSP430FR6822 , MSP430FR68221 , MSP430FR6870 , MSP430FR6872 , MSP430FR68721 , MSP430FR6920 , MSP430FR6922 , MSP430FR69221 , MSP430FR6970 , MSP430FR6972 , MSP430FR69721

PRODUCTION DATA.  

  1. 1器件概述
    1. 1.1 特性
    2. 1.2 应用
    3. 1.3 说明
    4. 1.4 功能框图
  2. 2修订历史记录
  3. 3Device Comparison
    1. 3.1 Related Products
  4. 4Terminal Configuration and Functions
    1. 4.1 Pin Diagrams
    2. 4.2 Pin Attributes
    3. 4.3 Signal Descriptions
      1. Table 4-2 Signal Descriptions
    4. 4.4 Pin Multiplexing
    5. 4.5 Buffer Type
    6. 4.6 Connection of Unused Pins
  5. 5Specifications
    1. 5.1  Absolute Maximum Ratings
    2. 5.2  ESD Ratings
    3. 5.3  Recommended Operating Conditions
    4. 5.4  Active Mode Supply Current Into VCC Excluding External Current
    5. 5.5  Typical Characteristics - Active Mode Supply Currents
    6. 5.6  Low-Power Mode (LPM0, LPM1) Supply Currents Into VCC Excluding External Current
    7. 5.7  Low-Power Mode LPM2, LPM3, LPM4 Supply Currents (Into VCC) Excluding External Current
    8. 5.8  Low-Power Mode With LCD Supply Currents (Into VCC) Excluding External Current
    9. 5.9  Low-Power Mode LPMx.5 Supply Currents (Into VCC) Excluding External Current
    10. 5.10 Typical Characteristics, Low-Power Mode Supply Currents
    11. 5.11 Typical Characteristics, Current Consumption per Module
    12. 5.12 Thermal Resistance Characteristics
    13. 5.13 Timing and Switching Characteristics
      1. 5.13.1  Power Supply Sequencing
        1. Table 5-1 Brownout and Device Reset Power Ramp Requirements
        2. Table 5-2 SVS
      2. 5.13.2  Reset Timing
        1. Table 5-3 Reset Input
      3. 5.13.3  Clock Specifications
        1. Table 5-4 Low-Frequency Crystal Oscillator, LFXT
        2. Table 5-5 High-Frequency Crystal Oscillator, HFXT
        3. Table 5-6 DCO
        4. Table 5-7 Internal Very-Low-Power Low-Frequency Oscillator (VLO)
        5. Table 5-8 Module Oscillator (MODOSC)
      4. 5.13.4  Wake-up Characteristics
        1. Table 5-9  Wake-up Times From Low-Power Modes and Reset
        2. Table 5-10 Typical Wake-up Charge
        3. 5.13.4.1   Typical Characteristics, Average LPM Currents vs Wake-up Frequency
      5. 5.13.5  Digital I/Os
        1. Table 5-11 Digital Inputs
        2. Table 5-12 Digital Outputs
        3. 5.13.5.1   Typical Characteristics, Digital Outputs at 3.0 V and 2.2 V
        4. Table 5-13 Pin-Oscillator Frequency, Ports Px
        5. 5.13.5.2   Typical Characteristics, Pin-Oscillator Frequency
      6. 5.13.6  Timer_A and Timer_B
        1. Table 5-14 Timer_A
        2. Table 5-15 Timer_B
      7. 5.13.7  eUSCI
        1. Table 5-16 eUSCI (UART Mode) Clock Frequency
        2. Table 5-17 eUSCI (UART Mode)
        3. Table 5-18 eUSCI (SPI Master Mode) Clock Frequency
        4. Table 5-19 eUSCI (SPI Master Mode)
        5. Table 5-20 eUSCI (SPI Slave Mode)
        6. Table 5-21 eUSCI (I2C Mode)
      8. 5.13.8  Segment LCD Controller
        1. Table 5-22 LCD_C Recommended Operating Conditions
        2. Table 5-23 LCD_C Electrical Characteristics
      9. 5.13.9  ADC12
        1. Table 5-24 12-Bit ADC, Power Supply and Input Range Conditions
        2. Table 5-25 12-Bit ADC, Timing Parameters
        3. Table 5-26 12-Bit ADC, Linearity Parameters With External Reference
        4. Table 5-27 12-Bit ADC, Dynamic Performance for Differential Inputs With External Reference
        5. Table 5-28 12-Bit ADC, Dynamic Performance for Differential Inputs With Internal Reference
        6. Table 5-29 12-Bit ADC, Dynamic Performance for Single-Ended Inputs With External Reference
        7. Table 5-30 12-Bit ADC, Dynamic Performance for Single-Ended Inputs With Internal Reference
        8. Table 5-31 12-Bit ADC, Dynamic Performance With 32.768-kHz Clock
        9. Table 5-32 12-Bit ADC, Temperature Sensor and Built-In V1/2
        10. Table 5-33 12-Bit ADC, External Reference
      10. 5.13.10 REF Module
        1. Table 5-34 REF, Built-In Reference
      11. 5.13.11 Comparator
        1. Table 5-35 Comparator_E
      12. 5.13.12 FRAM Controller
        1. Table 5-36 FRAM
      13. 5.13.13 Emulation and Debug
        1. Table 5-37 JTAG and Spy-Bi-Wire Interface
  6. 6Detailed Description
    1. 6.1  Overview
    2. 6.2  CPU
    3. 6.3  Operating Modes
      1. 6.3.1 Peripherals in Low-Power Modes
      2. 6.3.2 Idle Currents of Peripherals in LPM3 and LPM4
    4. 6.4  Interrupt Vector Table and Signatures
    5. 6.5  Bootloader (BSL)
    6. 6.6  JTAG Operation
      1. 6.6.1 JTAG Standard Interface
      2. 6.6.2 Spy-Bi-Wire Interface
    7. 6.7  FRAM
    8. 6.8  RAM
    9. 6.9  Tiny RAM
    10. 6.10 Memory Protection Unit (MPU) Including IP Encapsulation
    11. 6.11 Peripherals
      1. 6.11.1  Digital I/O
      2. 6.11.2  Oscillator and Clock System (CS)
      3. 6.11.3  Power-Management Module (PMM)
      4. 6.11.4  Hardware Multiplier
      5. 6.11.5  Real-Time Clock (RTC_C)
      6. 6.11.6  Watchdog Timer (WDT_A)
      7. 6.11.7  System Module (SYS)
      8. 6.11.8  DMA Controller
      9. 6.11.9  Enhanced Universal Serial Communication Interface (eUSCI)
      10. 6.11.10 Timer_A TA0, Timer_A TA1
      11. 6.11.11 Timer_A TA2
      12. 6.11.12 Timer_A TA3
      13. 6.11.13 Timer_B TB0
      14. 6.11.14 ADC12_B
      15. 6.11.15 Comparator_E
      16. 6.11.16 CRC16
      17. 6.11.17 CRC32
      18. 6.11.18 AES256 Accelerator
      19. 6.11.19 True Random Seed
      20. 6.11.20 Shared Reference (REF_A)
      21. 6.11.21 LCD_C
      22. 6.11.22 Embedded Emulation
        1. 6.11.22.1 Embedded Emulation Module (EEM)
        2. 6.11.22.2 EnergyTrace++ Technology
      23. 6.11.23 Input/Output Diagrams
        1. 6.11.23.1  Digital I/O Functionality Port P1 to P7 and P9
        2. 6.11.23.2  Capacitive Touch Functionality on Port P1 to P7, P9, and PJ
        3. 6.11.23.3  Port P1 (P1.0 to P1.3) Input/Output With Schmitt Trigger
        4. 6.11.23.4  Port P1 (P1.4 to P1.7) Input/Output With Schmitt Trigger
        5. 6.11.23.5  Port P2 (P2.0 to P2.3) Input/Output With Schmitt Trigger
        6. 6.11.23.6  Port P3 (P3.0 to P3.7) Input/Output With Schmitt Trigger
        7. 6.11.23.7  Port P4 (P4.2 to P4.7) Input/Output With Schmitt Trigger
        8. 6.11.23.8  Port P5 (P5.4 to P5.7) Input/Output With Schmitt Trigger
        9. 6.11.23.9  Port P6 (P6.0 to P6.6) Input/Output With Schmitt Trigger
        10. 6.11.23.10 Port P7 (P7.0 to P7.4) Input/Output With Schmitt Trigger
        11. 6.11.23.11 Port P9 (P9.4 to P9.7) Input/Output With Schmitt Trigger
        12. 6.11.23.12 Port PJ (PJ.4 and PJ.5) Input/Output With Schmitt Trigger
        13. 6.11.23.13 Port PJ (PJ.6 and PJ.7) Input/Output With Schmitt Trigger
        14. 6.11.23.14 Port PJ (PJ.0 to PJ.3) JTAG Pins TDO, TMS, TCK, TDI/TCLK, Input/Output With Schmitt Trigger
    12. 6.12 Device Descriptors (TLV)
    13. 6.13 Memory
      1. 6.13.1 Peripheral File Map
    14. 6.14 Identification
      1. 6.14.1 Revision Identification
      2. 6.14.2 Device Identification
      3. 6.14.3 JTAG Identification
  7. 7Applications, Implementation, and Layout
    1. 7.1 Device Connection and Layout Fundamentals
      1. 7.1.1 Power Supply Decoupling and Bulk Capacitors
      2. 7.1.2 External Oscillator
      3. 7.1.3 JTAG
      4. 7.1.4 Reset
      5. 7.1.5 Unused Pins
      6. 7.1.6 General Layout Recommendations
      7. 7.1.7 Do's and Don'ts
    2. 7.2 Peripheral- and Interface-Specific Design Information
      1. 7.2.1 ADC12_B Peripheral
        1. 7.2.1.1 Partial Schematic
        2. 7.2.1.2 Design Requirements
        3. 7.2.1.3 Detailed Design Procedure
        4. 7.2.1.4 Layout Guidelines
      2. 7.2.2 LCD_C Peripheral
        1. 7.2.2.1 Partial Schematic
        2. 7.2.2.2 Design Requirements
        3. 7.2.2.3 Detailed Design Procedure
        4. 7.2.2.4 Layout Guidelines
  8. 8器件和文档支持
    1. 8.1  入门和后续步骤
    2. 8.2  器件命名规则
    3. 8.3  工具与软件
    4. 8.4  文档支持
    5. 8.5  相关链接
    6. 8.6  社区资源
    7. 8.7  商标
    8. 8.8  静电放电警告
    9. 8.9  出口管制提示
    10. 8.10 术语表
  9. 9机械、封装和可订购信息

封装选项

机械数据 (封装 | 引脚)
散热焊盘机械数据 (封装 | 引脚)
订购信息

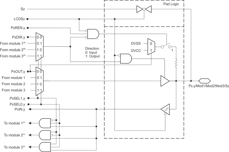
Digital I/O Functionality Port P1 to P7 and P9

The port pins provide the following features:

  • Interrupt and wakeup from LPMx.5 capability for ports P1 to P4
  • Capacitive touch functionality (see Section 6.11.23.2)
  • Up to three digital module input and/or output functions
  • LCD segment functionality (not all pins, package dependent)

Figure 6-1 shows the features and the corresponding control logic (besides the Capacitive Touch logic). Figure 6-1 is applicable for all port pins P1.0 to P9.7, unless a dedicated diagram is available in the following sections. The module functions provided per pin and whether the direction is controlled by the module or by the port direction register for the selected secondary function are described in the following pin function tables.

MSP430FR6972 MSP430FR69721 MSP430FR6970 MSP430FR6872 MSP430FR68721 MSP430FR6870 MSP430FR6922 MSP430FR69221 MSP430FR6920 MSP430FR6822 MSP430FR68221 MSP430FR6820 io_general.gif
The direction is either controlled by connected module or by the corresponding PxDIR.y bit. See pin function tables.
The inputs from several pins towards a module are ORed together.

NOTE:

Functional representation only.
Figure 6-1 General Port Pin Diagram