ZHCSF32E February   2016  – December 2019 MSP430FR2310 , MSP430FR2311

PRODUCTION DATA.  

  1. 1器件概述
    1. 1.1 特性
    2. 1.2 应用
    3. 1.3 说明
    4. 1.4 功能框图
  2. 2修订历史记录
  3. 3Device Comparison
    1. 3.1 Related Products
  4. 4Terminal Configuration and Functions
    1. 4.1 Pin Diagrams
    2. 4.2 Pin Attributes
    3. 4.3 Signal Descriptions
    4. 4.4 Pin Multiplexing
    5. 4.5 Buffer Type
    6. 4.6 Connection of Unused Pins
  5. 5Specifications
    1. 5.1  Absolute Maximum Ratings
    2. 5.2  ESD Ratings
    3. 5.3  Recommended Operating Conditions
    4. 5.4  Active Mode Supply Current Into VCC Excluding External Current
    5. 5.5  Active Mode Supply Current Per MHz
    6. 5.6  Low-Power Mode LPM0 Supply Currents Into VCC Excluding External Current
    7. 5.7  Low-Power Mode LPM3 and LPM4 Supply Currents (Into VCC) Excluding External Current
    8. 5.8  Low-Power Mode LPMx.5 Supply Currents (Into VCC) Excluding External Current
    9. 5.9  Production Distribution of LPM Supply Currents
    10. 5.10 Typical Characteristics – Current Consumption Per Module
    11. 5.11 Thermal Resistance Characteristics
    12. 5.12 Timing and Switching Characteristics
      1. 5.12.1  Power Supply Sequencing
        1. Table 5-1 PMM, SVS and BOR
      2. 5.12.2  Reset Timing
        1. Table 5-2 Wake-up Times From Low-Power Modes and Reset
      3. 5.12.3  Clock Specifications
        1. Table 5-3 XT1 Crystal Oscillator (Low Frequency)
        2. Table 5-4 XT1 Crystal Oscillator (High Frequency)
        3. Table 5-5 DCO FLL
        4. Table 5-6 DCO Frequency
        5. Table 5-7 REFO
        6. Table 5-8 Internal Very-Low-Power Low-Frequency Oscillator (VLO)
        7. Table 5-9 Module Oscillator (MODOSC)
      4. 5.12.4  Digital I/Os
        1. Table 5-10 Digital Inputs
        2. Table 5-11 Digital Outputs
        3. 5.12.4.1   Digital I/O Typical Characteristics
      5. 5.12.5  VREF+ Built-in Reference
        1. Table 5-12 VREF+
      6. 5.12.6  Timer_B
        1. Table 5-13 Timer_B
      7. 5.12.7  eUSCI
        1. Table 5-14 eUSCI (UART Mode) Clock Frequency
        2. Table 5-15 eUSCI (UART Mode) Switching Characteristics
        3. Table 5-16 eUSCI (SPI Master Mode) Clock Frequency
        4. Table 5-17 eUSCI (SPI Master Mode) Switching Characteristics
        5. Table 5-18 eUSCI (SPI Slave Mode) Switching Characteristics
        6. Table 5-19 eUSCI (I2C Mode) Switching Characteristics
      8. 5.12.8  ADC
        1. Table 5-20 ADC, Power Supply and Input Range Conditions
        2. Table 5-21 ADC, 10-Bit Timing Parameters
        3. Table 5-22 ADC, 10-Bit Linearity Parameters
      9. 5.12.9  Enhanced Comparator (eCOMP)
        1. Table 5-23 eCOMP0
      10. 5.12.10 Smart Analog Combo (SAC)
        1. Table 5-24 SAC0 (SAC-L1, OA)
      11. 5.12.11 Transimpedance Amplifier (TIA)
        1. Table 5-25 TIA0
      12. 5.12.12 FRAM
        1. Table 5-26 FRAM
      13. 5.12.13 Emulation and Debug
        1. Table 5-27 JTAG, Spy-Bi-Wire Interface
        2. Table 5-28 JTAG, 4-Wire Interface
  6. 6Detailed Description
    1. 6.1  Overview
    2. 6.2  CPU
    3. 6.3  Operating Modes
    4. 6.4  Interrupt Vector Addresses
    5. 6.5  Memory Organization
    6. 6.6  Bootloader (BSL)
    7. 6.7  JTAG Standard Interface
    8. 6.8  Spy-Bi-Wire Interface (SBW)
    9. 6.9  FRAM
    10. 6.10 Memory Protection
    11. 6.11 Peripherals
      1. 6.11.1  Power-Management Module (PMM) and On-chip Reference Voltages
      2. 6.11.2  Clock System (CS) and Clock Distribution
      3. 6.11.3  General-Purpose Input/Output Port (I/O)
      4. 6.11.4  Watchdog Timer (WDT)
      5. 6.11.5  System Module (SYS)
      6. 6.11.6  Cyclic Redundancy Check (CRC)
      7. 6.11.7  Enhanced Universal Serial Communication Interface (eUSCI_A0, eUSCI_B0)
      8. 6.11.8  Timers (Timer0_B3, Timer1_B3)
      9. 6.11.9  Backup Memory (BAKMEM)
      10. 6.11.10 Real-Time Clock (RTC) Counter
      11. 6.11.11 10-Bit Analog-to-Digital Converter (ADC)
      12. 6.11.12 eCOMP0
      13. 6.11.13 SAC0
      14. 6.11.14 TIA0
      15. 6.11.15 eCOMP0, SAC0, TIA0, and ADC in SOC Interconnection
      16. 6.11.16 Embedded Emulation Module (EEM)
      17. 6.11.17 Peripheral File Map
    12. 6.12 Input/Output Diagrams
      1. 6.12.1 Port P1 Input/Output With Schmitt Trigger
      2. 6.12.2 Port P2 Input/Output With Schmitt Trigger
    13. 6.13 Device Descriptors (TLV)
    14. 6.14 Identification
      1. 6.14.1 Revision Identification
      2. 6.14.2 Device Identification
      3. 6.14.3 JTAG Identification
  7. 7Applications, Implementation, and Layout
    1. 7.1 Device Connection and Layout Fundamentals
      1. 7.1.1 Power Supply Decoupling and Bulk Capacitors
      2. 7.1.2 External Oscillator
      3. 7.1.3 JTAG
      4. 7.1.4 Reset
      5. 7.1.5 Unused Pins
      6. 7.1.6 General Layout Recommendations
      7. 7.1.7 Do's and Don'ts
    2. 7.2 Peripheral- and Interface-Specific Design Information
      1. 7.2.1 ADC Peripheral
        1. 7.2.1.1 Partial Schematic
        2. 7.2.1.2 Design Requirements
        3. 7.2.1.3 Layout Guidelines
    3. 7.3 Typical Applications
  8. 8器件和文档支持
    1. 8.1 使用入门
    2. 8.2 器件命名规则
    3. 8.3 工具和软件
    4. 8.4 文档支持
    5. 8.5 相关链接
    6. 8.6 社区资源
    7. 8.7 商标
    8. 8.8 静电放电警告
    9. 8.9 Glossary
  9. 9机械、封装和可订购信息

封装选项

机械数据 (封装 | 引脚)
散热焊盘机械数据 (封装 | 引脚)
订购信息

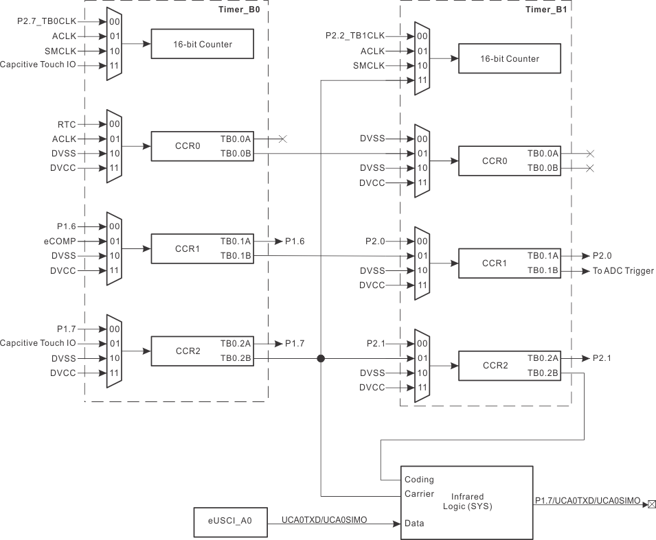
Timers (Timer0_B3, Timer1_B3)

The Timer0_B3 and Timer1_B3 modules are 16-bit timers and counters with three capture/compare registers each. Each can support multiple captures or compares, PWM outputs, and interval timing (see Table 6-13 and Table 6-14). Each has extensive interrupt capabilities. Interrupts may be generated from the counter on overflow conditions and from each of the capture/compare registers. The CCR0 registers on TB0 and TB1 are not externally connected and can be used only for hardware period timing and interrupt generation. In Up mode, they can set the overflow value of the counter.

The interconnection of Timer0_B3 and Timer1_B3 can modulate the eUSCI_A pin of UCA0TXD/UCA0SIMO in either ASK or FSK mode, with which a user can easily acquire a modulated infrared command for directly driving an external IR diode (see Figure 6-2). The IR functions are fully controlled by the SYS configuration registers including IREN (enable), IRPSEL (polarity select), IRMSEL (mode select), IRDSSEL (data select), and IRDATA (data) bits. For more information, see the System Resets, Interrupts, and Operating Modes, System Control Module (SYS) chapter in the MSP430FR4xx and MSP430FR2xx Family User's Guide.

MSP430FR2311 MSP430FR2310 SLASE58_TA_Connections.gifFigure 6-2 Timer_B Connections

Table 6-13 Timer0_B3 Signal Connections

PORT PIN DEVICE INPUT SIGNAL MODULE INPUT NAME MODULE BLOCK MODULE OUTPUT SIGNAL DEVICE OUTPUT SIGNAL
P2.7 TB0CLK TBCLK Timer N/A
ACLK (internal) ACLK
SMCLK (internal) SMCLK
From Capacitive Touch I/O (internal) INCLK
From RTC (internal) CCI0A CCR0 TB0
ACLK (internal) CCI0B Timer1_B3 CCI0B input
DVSS GND
DVCC VCC
P1.6 TB0.1 CCI1A CCR1 TB1 TB0.1
From eCOMP (internal) CCI1B Timer1_B3 CCI1B input
DVSS GND
DVCC VCC
P1.7 TB0.2 CCI2A CCR2 TB2 TB0.2
From Capacitive Touch I/O (internal) CCI2B Timer1_B3 INCLK
Timer1_B3 CCI2B input,
IR input
DVSS GND
DVCC VCC

Table 6-14 Timer1_B3 Signal Connections

PORT PIN DEVICE INPUT SIGNAL MODULE INPUT NAME MODULE BLOCK MODULE OUTPUT SIGNAL DEVICE OUTPUT SIGNAL
P2.2 TB1CLK TBCLK Timer N/A
ACLK (internal) ACLK
SMCLK (internal) SMCLK
Timer0_B3 CCR2B output (internal) INCLK
DVSS CCI0A CCR0 TB0
Timer0_B3 CCR0B output (internal) CCI0B
DVSS GND
DVCC VCC
P2.0 TB1.1 CCI1A CCR1 TB1 TB1.1
Timer0_B3 CCR1B output (internal) CCI1B To ADC trigger
DVSS GND
DVCC VCC
P2.1 TB1.2 CCI2A CCR2 TB2 TB1.2
Timer0_B3 CCR2B output (internal) CCI2B IR input
DVSS GND
DVCC VCC

The Timer_B module includes a feature that puts all Timer_B outputs into a high-impedance state when the selected source is triggered. The source can be selected from an external pin or an internal signal, and it is controlled by TBxTRG in SYS. For more information, see the System Resets, Interrupts, and Operating Modes, System Control Module (SYS) chapter in the MSP430FR4xx and MSP430FR2xx Family User's Guide.

Table 6-15 lists the Timer_B high-impedance trigger source selections.

Table 6-15 TBxOUTH

TBxTRGSEL TBxOUTH TRIGGER SOURCE SELECTION Timer_B PAD OUTPUT HIGH IMPEDANCE
TB0TRGSEL = 0 eCOMP0 output (internal) P1.6, P1.7
TB0TRGSEL= 1 P1.2
TB1TRGSEL = 0 eCOMP0 output (internal) P2.0, P2.1
TB1TRGSEL = 1 P2.3