SLAS580E October   2008  – May 2020 MSP430FG477 , MSP430FG478 , MSP430FG479

PRODUCTION DATA.  

  1. 1Device Overview
    1. 1.1 Features
    2. 1.2 Applications
    3. 1.3 Description
    4. 1.4 Functional Block Diagram
  2. 2Revision History
  3. 3Device Comparison
    1. 3.1 Related Products
  4. 4Terminal Configuration and Functions
    1. 4.1 Pin Diagrams
    2. 4.2 Signal Descriptions
      1. Table 4-1 Signal Descriptions
  5. 5Specifications
    1. 5.1  Absolute Maximum Ratings
    2. 5.2  ESD Ratings
    3. 5.3  Recommended Operating Conditions
    4. 5.4  Supply Current Into AVCC and DVCC Excluding External Current
    5. 5.5  Schmitt-Trigger Inputs – Ports P1 to P6, RST/NMI, JTAG (TCK, TMS, TDI/TCLK,TDO/TDI)
    6. 5.6  Inputs Px.y, TAx
    7. 5.7  Leakage Current – Ports P1 to P6
    8. 5.8  Outputs – Ports P1 to P6
    9. 5.9  Output Frequency
    10. 5.10 Typical Characteristics – Outputs
    11. 5.11 Wake-up Timing From LPM3
    12. 5.12 POR – Brownout Reset (BOR)
    13. 5.13 SVS (Supply Voltage Supervisor and Monitor)
    14. 5.14 DCO
    15. 5.15 Crystal Oscillator, LFXT1, Low-Frequency Mode
    16. 5.16 Crystal Oscillator, LFXT1, High-Frequency Mode
    17. 5.17 Crystal Oscillator, XT2 Oscillator, High-Frequency Mode
    18. 5.18 RAM
    19. 5.19 LCD_A
    20. 5.20 Comparator_A
    21. 5.21 Typical Characteristics – Comparator_A
    22. 5.22 SD16_A, Power Supply and Recommended Operating Conditions
    23. 5.23 SD16_A, Input Range
    24. 5.24 SD16_A, Performance
    25. 5.25 SD16_A, Performance
    26. 5.26 SD16_A, Linearity
    27. 5.27 Typical Characteristics, SD16_A SINAD Performance Over OSR
    28. 5.28 SD16_A, Temperature Sensor and Built-in VCC Sense
    29. 5.29 SD16_A, Built-In Voltage Reference
    30. 5.30 SD16_A, Reference Output Buffer
    31. 5.31 SD16_A, External Reference Input
    32. 5.32 12-Bit DAC, Supply Specifications
    33. 5.33 12-Bit DAC, Linearity Specifications
    34. 5.34 12-Bit DAC, Output Specifications
    35. 5.35 12-Bit DAC, Reference Input Specifications
    36. 5.36 12-Bit DAC, Dynamic Specifications
    37. 5.37 12-Bit DAC, Dynamic Specifications Continued
    38. 5.38 Operational Amplifier OA, Supply Specifications
    39. 5.39 Operational Amplifier OA, Input/Output Specifications
    40. 5.40 Operational Amplifier OA, Dynamic Specifications
    41. 5.41 Operational Amplifier OA, Typical Characteristics
    42. 5.42 Switches Between OA Terminals and Pins
    43. 5.43 OA Typical Characteristics
    44. 5.44 Timer_A
    45. 5.45 Timer_B
    46. 5.46 USCI (UART Mode)
    47. 5.47 USCI (SPI Master Mode)
    48. 5.48 USCI (SPI Slave Mode)
    49. 5.49 USCI (I2C Mode)
    50. 5.50 Flash Memory
    51. 5.51 JTAG Interface
    52. 5.52 JTAG Fuse
  6. 6Detailed Description
    1. 6.1  CPU
    2. 6.2  Instruction Set
    3. 6.3  Operating Modes
    4. 6.4  Interrupt Vector Addresses
    5. 6.5  Special Function Registers (SFRs)
      1. 6.5.1 Interrupt Enable 1 and 2
      2. 6.5.2 Interrupt Flag Register 1 and 2
    6. 6.6  Memory Organization
    7. 6.7  Bootloader (BSL)
    8. 6.8  Flash Memory
    9. 6.9  Peripherals
      1. 6.9.1  Oscillator and System Clock
      2. 6.9.2  Brownout, Supply Voltage Supervisor (SVS)
      3. 6.9.3  Digital I/O
      4. 6.9.4  Watchdog Timer (WDT+)
      5. 6.9.5  Basic Timer1 and Real-Time Clock
      6. 6.9.6  LCD_A Drive With Regulated Charge Pump
      7. 6.9.7  Timer_A3
      8. 6.9.8  Timer_B3
      9. 6.9.9  Universal Serial Communication Interface (USCI)
      10. 6.9.10 Comparator_A
      11. 6.9.11 SD16_A
      12. 6.9.12 DAC12
      13. 6.9.13 OA
      14. 6.9.14 Peripheral File Map
    10. 6.10 Input/Output Schematics
      1. 6.10.1  Port P1, P1.0, Input/Output With Schmitt Trigger
      2. 6.10.2  Port P1, P1.1, Input/Output With Schmitt Trigger
      3. 6.10.3  Port P1, P1.2, Input/Output With Schmitt Trigger
      4. 6.10.4  Port P1, P1.3, Input/Output With Schmitt Trigger
      5. 6.10.5  Port P1, P1.4, Input/Output With Schmitt Trigger
      6. 6.10.6  Port P1, P1.5, Input/Output With Schmitt Trigger
      7. 6.10.7  Port P1, P1.6, Input/Output With Schmitt Trigger
      8. 6.10.8  Port P1, P1.7, Input/Output With Schmitt Trigger
      9. 6.10.9  Port P2, P2.0 and P2.1, Input/Output With Schmitt Trigger
      10. 6.10.10 Port P2, P2.2 and P2.3, Input/Output With Schmitt Trigger
      11. 6.10.11 Port P2, P2.4 and P2.5, Input/Output With Schmitt Trigger
      12. 6.10.12 Port P2, P2.6 and P2.7, Input/Output With Schmitt Trigger
      13. 6.10.13 Port P3, P3.0 and P3.3, Input/Output With Schmitt Trigger
      14. 6.10.14 Port P3, P3.1 and P3.2, Input/Output With Schmitt Trigger
      15. 6.10.15 Port P3, P3.4 to P3.7, Input/Output With Schmitt Trigger
      16. 6.10.16 Port P4, P4.0 to P4.7, Input/Output With Schmitt Trigger
      17. 6.10.17 Port P5, P5.0 and P5.1, Input/Output With Schmitt Trigger
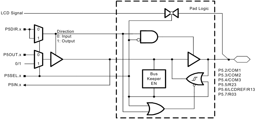
      18. 6.10.18 Port P5, P5.2 to P5.7, Input/Output With Schmitt Trigger
      19. 6.10.19 Port P6, P6.0 and P6.3, Input/Output With Schmitt Trigger
      20. 6.10.20 Port P6, P6.1 and P6.4, Input/Output With Schmitt Trigger
      21. 6.10.21 Port P6, P6.2, P6.5, and P6.6, Input/Output With Schmitt Trigger
      22. 6.10.22 Port P6, P6.7, Input/Output With Schmitt Trigger
      23. 6.10.23 Segment Pin Schematic: Sx, Dedicated Segment Pins
      24. 6.10.24 Segment Pin Schematic: COM0, Dedicated COM0 Pin
      25. 6.10.25 JTAG Pins TMS, TCK, TDI/TCLK, TDO/TDI, Input/Output With Schmitt Trigger or Output
      26. 6.10.26 JTAG Fuse Check Mode
  7. 7Device and Documentation Support
    1. 7.1 Device Support
      1. 7.1.1 Getting Started and Next Steps
      2. 7.1.2 Development Tools Support
        1. 7.1.2.1 Recommended Hardware Options
          1. 7.1.2.1.1 Target Socket Boards
          2. 7.1.2.1.2 Experimenter Boards
          3. 7.1.2.1.3 Debugging and Programming Tools
          4. 7.1.2.1.4 Production Programmers
        2. 7.1.2.2 Recommended Software Options
          1. 7.1.2.2.1 Integrated Development Environments
          2. 7.1.2.2.2 MSP430Ware
          3. 7.1.2.2.3 Command-Line Programmer
      3. 7.1.3 Device Nomenclature
    2. 7.2 Documentation Support
    3. 7.3 Related Links
    4. 7.4 Support Resources
    5. 7.5 Trademarks
    6. 7.6 Electrostatic Discharge Caution
    7. 7.7 Export Control Notice
    8. 7.8 Glossary
  8. 8Mechanical, Packaging, and Orderable Information

封装选项

机械数据 (封装 | 引脚)
散热焊盘机械数据 (封装 | 引脚)
订购信息

Port P5, P5.2 to P5.7, Input/Output With Schmitt Trigger

MSP430FG479 MSP430FG478 MSP430FG477 port-p5-234567.gif

Table 6-27 Port P5 (P5.2 to P5.7) Pin Functions

PIN NAME (P5.X) X FUNCTION CONTOL BITS / SIGNALS(1)
P5DIR.x P5SEL.x
P5.2/COM1 2 P5.x (I/O) I: 0, O: 1 0
COM1 x 1
P5.3/COM2 3 P5.x (I/O) I: 0, O: 1 0
COM2 x 1
P5.4/COM3 4 P5.x (I/O) I: 0, O: 1 0
COM3 x 1
P5.5/R23 5 P5.x (I/O) I: 0, O: 1 0
R23 x 1
P5.6/LCDREF/R13 6 P5.x (I/O) I: 0, O: 1 0
R13 or LCDREF x 1
P5.7/R03 7 P5.x (I/O) I: 0, O: 1 0
R03 x 1
x = don't care