ZHCSCN8A May   2014  – September 2018 MSP430F6745A , MSP430F6746A , MSP430F6747A , MSP430F6748A , MSP430F6749A , MSP430F6765A , MSP430F6766A , MSP430F6767A , MSP430F6768A , MSP430F6769A , MSP430F6775A , MSP430F6776A , MSP430F6777A , MSP430F6778A , MSP430F6779A

PRODUCTION DATA.  

  1. 1器件概述
    1. 1.1 特性
    2. 1.2 应用
    3. 1.3 说明
    4. 1.4 应用图
  2. 2修订历史记录
  3. 3Device Comparison
    1. 3.1 Related Products
  4. 4Terminal Configuration and Functions
    1. 4.1 Pin Diagrams
    2. 4.2 Signal Descriptions
      1. Table 4-3 Terminal Functions – PEU Package
      2. Table 4-4 Terminal Functions – PZ Package
    3. 4.3 Pin Multiplexing
    4. 4.4 Connection of Unused Pins
  5. 5Specifications
    1. 5.1  Absolute Maximum Ratings
    2. 5.2  ESD Ratings
    3. 5.3  Recommended Operating Conditions
    4. 5.4  Active Mode Supply Current Into VCC Excluding External Current
    5. 5.5  Low-Power Mode Supply Currents (Into VCC) Excluding External Current
    6. 5.6  Low-Power Mode With LCD Supply Currents (Into VCC) Excluding External Current
    7. 5.7  Thermal Resistance Characteristics
    8. 5.8  Timing and Switching Characteristics
      1. 5.8.1 Reset Timing
        1. Table 5-1 Wake-up Times From Low-Power Modes and Reset
      2. 5.8.2 Clock Specifications
        1. Table 5-2 Crystal Oscillator, XT1, Low-Frequency Mode
        2. Table 5-3 Internal Very-Low-Power Low-Frequency Oscillator (VLO)
        3. Table 5-4 Internal Reference, Low-Frequency Oscillator (REFO)
        4. Table 5-5 DCO Frequency
    9. 5.9  Digital I/Os
      1. Table 5-6  Schmitt-Trigger Inputs – General-Purpose I/O
      2. Table 5-7  Inputs – Ports P1 and P2
      3. Table 5-8  Leakage Current – General-Purpose I/O
      4. Table 5-9  Outputs – General-Purpose I/O (Full Drive Strength)
      5. Table 5-10 Outputs – General-Purpose I/O (Reduced Drive Strength)
      6. Table 5-11 Output Frequency – General-Purpose I/O
      7. 5.9.1      Typical Characteristics – Outputs, Reduced Drive Strength (PxDS.y = 0)
      8. 5.9.2      Typical Characteristics – Outputs, Full Drive Strength (PxDS.y = 1)
    10. 5.10 Power-Management Module (PMM)
      1. Table 5-12 PMM, Brownout Reset (BOR)
      2. Table 5-13 PMM, Core Voltage
      3. Table 5-14 PMM, SVS High Side
      4. Table 5-15 PMM, SVM High Side
      5. Table 5-16 PMM, SVS Low Side
      6. Table 5-17 PMM, SVM Low Side
    11. 5.11 Auxiliary Supplies
      1. Table 5-18 Auxiliary Supplies, Recommended Operating Conditions
      2. Table 5-19 Auxiliary Supplies, AUXVCC3 (Backup Subsystem) Currents
      3. Table 5-20 Auxiliary Supplies, Auxiliary Supply Monitor
      4. Table 5-21 Auxiliary Supplies, Switch ON-Resistance
      5. Table 5-22 Auxiliary Supplies, Switching Time
      6. Table 5-23 Auxiliary Supplies, Switch Leakage
      7. Table 5-24 Auxiliary Supplies, Auxiliary Supplies to ADC10_A
      8. Table 5-25 Auxiliary Supplies, Charge Limiting Resistor
    12. 5.12 Timer_A
      1. Table 5-26 Timer_A
    13. 5.13 eUSCI
      1. Table 5-27 eUSCI (UART Mode) Clock Frequency
      2. Table 5-28 eUSCI (UART Mode) Switching Characteristics
      3. Table 5-29 eUSCI (SPI Master Mode) Clock Frequency
      4. Table 5-30 eUSCI (SPI Master Mode) Switching Characteristics
      5. Table 5-31 eUSCI (SPI Slave Mode)
      6. Table 5-32 eUSCI (I2C Mode) Switching Characteristics
    14. 5.14 RTC Tamper Detect Pin
      1. Table 5-33 Schmitt-Trigger Inputs, RTC Tamper Detect Pin
      2. Table 5-34 Inputs, RTC Tamper Detect Pin
      3. Table 5-35 Leakage Current, RTC Tamper Detect Pin
      4. Table 5-36 Outputs, RTC Tamper Detect Pin
    15. 5.15 LCD_C
      1. Table 5-37 LCD_C, Operating Conditions
      2. Table 5-38 LCD_C, Electrical Characteristics
    16. 5.16 SD24_B
      1. Table 5-39 SD24_B, Power Supply and Operating Conditions
      2. Table 5-40 SD24_B, Analog Inputs
      3. Table 5-41 SD24_B, Supply Currents
      4. Table 5-42 SD24_B, Performance
      5. Table 5-43 SD24_B, AC Performance
      6. Table 5-44 SD24_B, AC Performance
      7. Table 5-45 SD24_B, AC Performance
      8. Table 5-46 SD24_B External Reference Input
    17. 5.17 ADC10_A
      1. Table 5-47 10-Bit ADC, Power Supply and Input Range Conditions
      2. Table 5-48 10-Bit ADC, Switching Characteristics
      3. Table 5-49 10-Bit ADC, Linearity Parameters
      4. Table 5-50 10-Bit ADC, External Reference
    18. 5.18 REF
      1. Table 5-51 REF Built-In Reference
    19. 5.19 Comparator_B
      1. Table 5-52 Comparator_B
    20. 5.20 Flash
      1. Table 5-53 Flash Memory
    21. 5.21 Emulation and Debug
      1. Table 5-54 JTAG and Spy-Bi-Wire (SBW) Interface
  6. 6Detailed Description
    1. 6.1  Overview
    2. 6.2  Functional Block Diagrams
    3. 6.3  CPU (Link to User's Guide)
    4. 6.4  Instruction Set
    5. 6.5  Operating Modes
    6. 6.6  Interrupt Vector Addresses
    7. 6.7  Special Function Registers (SFRs)
      1. Table 6-4 Interrupt Enable 1 Register Description
      2. Table 6-5 Interrupt Flag 1 Register Description
    8. 6.8  Bootloader (BSL)
    9. 6.9  JTAG Operation
      1. 6.9.1 JTAG Standard Interface
      2. 6.9.2 Spy-Bi-Wire Interface
    10. 6.10 Memory
      1. 6.10.1 Memory Organization
      2. 6.10.2 Flash Memory (Link to User's Guide)
      3. 6.10.3 RAM (Link to User's Guide)
      4. 6.10.4 Backup RAM (Link to User's Guide)
    11. 6.11 Peripherals
      1. 6.11.1  Oscillator and System Clock (Link to User's Guide)
      2. 6.11.2  Power-Management Module (PMM) (Link to User's Guide)
      3. 6.11.3  Auxiliary-Supply System (Link to User's Guide)
      4. 6.11.4  Backup Subsystem
      5. 6.11.5  Digital I/O (Link to User's Guide)
      6. 6.11.6  Port Mapping Controller (Link to User's Guide)
      7. 6.11.7  System Module (SYS) (Link to User's Guide)
      8. 6.11.8  Watchdog Timer (WDT_A) (Link to User's Guide)
      9. 6.11.9  DMA Controller (Link to User's Guide)
      10. 6.11.10 CRC16 (Link to User's Guide)
      11. 6.11.11 Hardware Multiplier (Link to User's Guide)
      12. 6.11.12 AES128 Accelerator (Link to User's Guide)
      13. 6.11.13 Enhanced Universal Serial Communication Interface (eUSCI) (Links to User's Guide: UART Mode, SPI Mode, I2C Mode)
      14. 6.11.14 ADC10_A (Link to User's Guide)
      15. 6.11.15 SD24_B (Link to User's Guide)
      16. 6.11.16 TA0 (Link to User's Guide)
      17. 6.11.17 TA1 (Link to User's Guide)
      18. 6.11.18 TA2 (Link to User's Guide)
      19. 6.11.19 TA3 (Link to User's Guide)
      20. 6.11.20 SD24_B Triggers
      21. 6.11.21 ADC10_A Triggers
      22. 6.11.22 Real-Time Clock (RTC_C) (Link to User's Guide)
      23. 6.11.23 Reference (REF) Module Voltage Reference (Link to User's Guide)
      24. 6.11.24 LCD_C (Link to User's Guide)
      25. 6.11.25 Comparator_B (Link to User's Guide)
      26. 6.11.26 Embedded Emulation Module (EEM) (Link to User's Guide)
      27. 6.11.27 Peripheral File Map
    12. 6.12 Input/Output Diagrams
      1. 6.12.1  Port P1 (P1.0 to P1.3) Input/Output With Schmitt Trigger (PEU Package Only)
      2. 6.12.2  Port P1 (P1.0 to P1.3) Input/Output With Schmitt Trigger (PZ Package Only)
      3. 6.12.3  Port P1 (P1.4 and P1.5) Input/Output With Schmitt Trigger
      4. 6.12.4  Port P1 (P1.6 and P1.7) Input/Output With Schmitt Trigger
      5. 6.12.5  Port P2 (P2.0 to P2.7) Input/Output With Schmitt Trigger (PEU Package Only)
      6. 6.12.6  Port P2 (P2.0 to P2.3) Input/Output With Schmitt Trigger (PZ Package Only)
      7. 6.12.7  Port P2 (P2.4 to P2.6) Input/Output With Schmitt Trigger (PZ Package Only)
      8. 6.12.8  Port P2 (P2.7) Input/Output With Schmitt Trigger (PZ Package Only)
      9. 6.12.9  Ports P3 (P3.0 to P3.7) Input/Output With Schmitt Trigger (PEU Package Only)
      10. 6.12.10 Ports P3 (P3.0) Input/Output With Schmitt Trigger (PZ Package Only)
      11. 6.12.11 Ports P3 (P3.1 to P3.7) Input/Output With Schmitt Trigger (PZ Package Only)
      12. 6.12.12 Port P4 (P4.0 to P4.7) Input/Output With Schmitt Trigger (PEU Package Only)
      13. 6.12.13 Port P4 (P4.0 to P4.7) Input/Output With Schmitt Trigger (PZ Package Only)
      14. 6.12.14 Port P5 (P5.0 to P5.3) Input/Output With Schmitt Trigger (PEU Package Only)
      15. 6.12.15 Port P5 (P5.4 to P5.6) Input/Output With Schmitt Trigger (PEU Package Only)
      16. 6.12.16 Port P5 (P5.7) Input/Output With Schmitt Trigger (PEU Package Only)
      17. 6.12.17 Port P5 (P5.0 to P5.7) Input/Output With Schmitt Trigger (PZ Package Only)
      18. 6.12.18 Port P6 (P6.0) Input/Output With Schmitt Trigger (PEU Package Only)
      19. 6.12.19 Port P6 (P6.1 to P6.3) Input/Output With Schmitt Trigger (PEU Package Only)
      20. 6.12.20 Port P6 (P6.4 to P6.7) Input/Output With Schmitt Trigger (PEU Package Only)
      21. 6.12.21 Port P6 (P6.0 to P6.7) Input/Output With Schmitt Trigger (PZ Package Only)
      22. 6.12.22 Port P7 (P7.0 to P7.7) Input/Output With Schmitt Trigger (PEU Package Only)
      23. 6.12.23 Port P7 (P7.0 to P7.7) Input/Output With Schmitt Trigger (PZ Package Only)
      24. 6.12.24 Port P8 (P8.0 to P8.7) Input/Output With Schmitt Trigger (PEU Package Only)
      25. 6.12.25 Port P8 (P8.0) Input/Output With Schmitt Trigger (PZ Package Only)
      26. 6.12.26 Port P8 (P8.1) Input/Output With Schmitt Trigger (PZ Package Only)
      27. 6.12.27 Port P9 (P9.0 to P9.7) Input/Output With Schmitt Trigger (PEU Package Only)
      28. 6.12.28 Port P10 (P10.0 to P10.7) Input/Output With Schmitt Trigger (PEU Package Only)
      29. 6.12.29 Port P11 (P11.0) Input/Output With Schmitt Trigger (PEU Package Only)
      30. 6.12.30 Port P11 (P11.1) Input/Output With Schmitt Trigger (PEU Package Only)
      31. 6.12.31 Port P11 (P11.2 and P11.3) Input/Output With Schmitt Trigger (PEU Package Only)
      32. 6.12.32 Port P11 (P11.4 and P11.5) Input/Output With Schmitt Trigger (PEU Package Only)
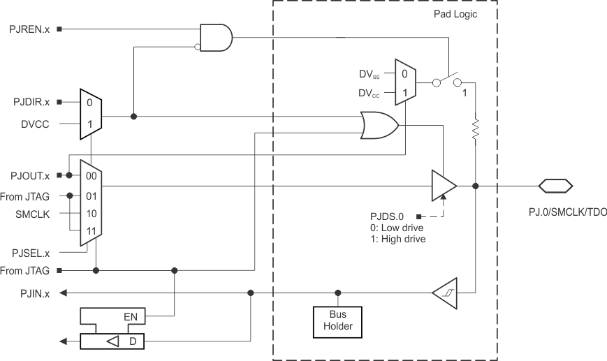
      33. 6.12.33 Port PJ (PJ.0) JTAG Pin TDO, Input/Output With Schmitt Trigger or Output
      34. 6.12.34 Port PJ (PJ.0 to PJ.3) JTAG Pins TMS, TCK, TDI/TCLK, Input/Output With Schmitt Trigger or Output
    13. 6.13 Device Descriptors (TLV)
    14. 6.14 Identification
      1. 6.14.1 Revision Identification
      2. 6.14.2 Device Identification
      3. 6.14.3 JTAG Identification
  7. 7Applications, Implementation, and Layout
  8. 8器件和文档支持
    1. 8.1 入门和后续步骤
    2. 8.2 Device Nomenclature
    3. 8.3 工具与软件
    4. 8.4 文档支持
    5. 8.5 相关链接
    6. 8.6 社区资源
    7. 8.7 商标
    8. 8.8 静电放电警告
    9. 8.9 Glossary
  9. 9机械、封装和可订购信息

封装选项

机械数据 (封装 | 引脚)
散热焊盘机械数据 (封装 | 引脚)
订购信息

Port PJ (PJ.0) JTAG Pin TDO, Input/Output With Schmitt Trigger or Output

Figure 6-38 shows the port diagram. Table 6-97 summarizes the selection of the pin functions.

MSP430F6779A MSP430F6778A MSP430F6777A MSP430F6776A MSP430F6775A MSP430F6769A MSP430F6768A MSP430F6767A MSP430F6766A MSP430F6765A MSP430F6749A MSP430F6748A MSP430F6747A MSP430F6746A MSP430F6745A pj_0_slas731.gifFigure 6-38 Port PJ (PJ.0) Diagram