ZHCSIB6M November   2001  – September 2016 LMV981-N , LMV982-N

PRODUCTION DATA.  

  1. 特性
  2. 应用
  3. 说明
    1.     Device Images
      1.      典型应用
      2.      简化原理图
  4. 修订历史记录
  5. 说明 (续)
  6. 引脚配置和功能
    1.     引脚功能:LMV981-N
    2.     引脚功能:LMV982-N
  7. 规格
    1. 7.1  绝对最大额定值
    2. 7.2  ESD 额定值
    3. 7.3  建议运行条件
    4. 7.4  热性能信息
    5. 7.5  电气特性 – 直流,1.8V
    6. 7.6  电气特性 – 交流,1.8V
    7. 7.7  电气特性 – 直流,2.7V
    8. 7.8  电气特性 – 交流,2.7V
    9. 7.9  电气特性 – 直流,5V
    10. 7.10 电气特性 – 交流,5V
    11. 7.11 典型特性
  8. 详细 说明
    1. 8.1 概述
    2. 8.2 功能框图
    3. 8.3 特性 说明
    4. 8.4 器件功能模式
      1. 8.4.1 输入和输出级
      2. 8.4.2 关断模式
      3. 8.4.3 输入偏置电流注意事项
  9. 应用和实现
    1. 9.1 应用信息
    2. 9.2 典型 应用
      1. 9.2.1 高侧电流检测应用
        1. 9.2.1.1 设计要求
        2. 9.2.1.2 详细设计流程
        3. 9.2.1.3 应用曲线
      2. 9.2.2 半波整流器 应用
        1. 9.2.2.1 设计要求
        2. 9.2.2.2 详细设计流程
        3. 9.2.2.3 应用曲线
      3. 9.2.3 具有轨至轨输入和输出的仪表放大器应用
        1. 9.2.3.1 设计要求
        2. 9.2.3.2 详细设计流程
        3. 9.2.3.3 应用曲线
    3. 9.3 注意事项
  10. 10电源建议
  11. 11布局
    1. 11.1 布局指南
    2. 11.2 布局示例
  12. 12器件和文档支持
    1. 12.1 文档支持
      1. 12.1.1 相关文档
    2. 12.2 相关链接
    3. 12.3 接收文档更新通知
    4. 12.4 社区资源
    5. 12.5 商标
    6. 12.6 静电放电警告
    7. 12.7 术语表
  13. 13机械、封装和可订购信息

封装选项

机械数据 (封装 | 引脚)
散热焊盘机械数据 (封装 | 引脚)
订购信息

引脚配置和功能

YZR 封装
6 引脚 DSBGA
俯视图
LMV981-N LMV982-N 981_DSBGA_wSD.gif
DCK 或 DBV 封装
6 引脚 SC70 或 SOT-23
俯视图
LMV981-N LMV982-N SOT_Southeast_wSD.gif

引脚功能:LMV981-N

引脚 类型(1) 说明
名称 DSBGA SC70、SOT-23
+IN C1 1 I 同相输入
–IN C2 3 I 反相输入
OUT A2 4 O 输出
SHDN B1 5 I 关断输入
V+ A1 6 P 正电源(最高)
V– B2 2 P 负电源(最低)
I = 输入,O = 输出,P = 电源
DGS 封装
10 引脚 VSSOP
俯视图
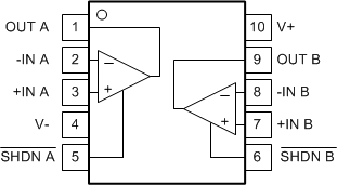
LMV981-N LMV982-N Dual_wSD_SOIC.gif

引脚功能:LMV982-N

引脚 类型(1) 说明
名称 VSSOP
+IN A 3 I 同相输入,通道 A
+IN B 7 I 同相输入,通道 B
–IN A 2 I 反相输入,通道 A
–IN B 8 I 反相输入,通道 B
OUT A 1 O 输出,通道 A
OUT B 9 O 输出,通道 B
SHDN A 5 I 关断输入,通道 A
SHDN B 6 I 关断输入,通道 B
V+ 10 P 正电源(最高)
V– 4 P 负电源(最低)
I = 输入,O = 输出,P = 电源