ZHCSGL6D September   2007  – August 2016 LMV641

PRODUCTION DATA.  

  1. 特性
  2. 应用范围
  3. 说明
  4. 修订历史记录
  5. 引脚配置和功能
  6. 规格
    1. 6.1 绝对最大额定值
    2. 6.2 ESD 额定值
    3. 6.3 建议的工作条件
    4. 6.4 热性能信息
    5. 6.5 直流电气特性:2.7V
    6. 6.6 直流电气特性:10V
    7. 6.7 典型特性
  7. 详细 说明
    1. 7.1 概述
    2. 7.2 功能框图
    3. 7.3 特性 说明
      1. 7.3.1 低电压和低功耗操作
      2. 7.3.2 宽带宽
      3. 7.3.3 低输入参考噪声
      4. 7.3.4 地面感应和轨至轨输出
      5. 7.3.5 小型尺寸
    4. 7.4 器件功能模式
      1. 7.4.1 运算放大器电路的稳定性
        1. 7.4.1.1 环路补偿
        2. 7.4.1.2 外部电阻器补偿
  8. 应用和实现
    1. 8.1 应用信息
    2. 8.2 典型 应用
      1. 8.2.1 高增益、低功耗反相放大器
        1. 8.2.1.1 设计要求
        2. 8.2.1.2 详细设计流程
        3. 8.2.1.3 应用曲线
      2. 8.2.2 各向异性磁阻传感器
        1. 8.2.2.1 设计要求
        2. 8.2.2.2 详细设计流程
          1. 8.2.2.2.1 使用模数转换器时应考虑增益误差和带宽
      3. 8.2.3 音频带宽滤波器
  9. 电源相关建议
  10. 10布局
    1. 10.1 布局准则
    2. 10.2 布局示例
  11. 11器件和文档支持
    1. 11.1 器件支持
      1. 11.1.1 开发支持
    2. 11.2 文档支持
      1. 11.2.1 相关文档
    3. 11.3 接收文档更新通知
    4. 11.4 社区资源
    5. 11.5 商标
    6. 11.6 静电放电警告
    7. 11.7 Glossary
  12. 12机械、封装和可订购信息

封装选项

机械数据 (封装 | 引脚)
散热焊盘机械数据 (封装 | 引脚)
订购信息

详细 说明

概述

LMV641 是一款宽带宽、低功耗运算放大器,其扩展电源电压范围为 2.7V 到 12V。此器件在 10MHz 的增益带宽积下具有稳定的单位增益。在 138µA 的典型电源电流下运行时,PSRR 为 105dB、CMRR 为 120dB、VOS 为 500µV、输入参考电压噪声为 14nV/√Hz 以及 THD 为 0.002%。此款放大器具有一个轨至轨输出级和一个包括负电源的共模输入电压。

功能框图

LMV641 Op_Amp_Triangle_Block_Diagram.gif

特性 说明

低电压和低功耗操作

在电源电压为 2.7V 和 10V 时,LMV641 的性能能够得到保证。确保可以在 2.7V 和 12V 之间的所有电源电压之间正常工作。LMV641 消耗的电源电流低至 138µA。LMV641 提供低电压和低功耗放大功能,这对于便携式 应用至关重要。

宽带宽

尽管消耗了 138µA 的极低电源电流,但 LMV641 可以提供 10MHz 的宽单位带宽增益积。这很容易成为实现的最佳带宽功率比之一,并允许此运算放大器在使用最小功率量的情况下提供宽带放大功能。这使得 LMV641 非常适合低功耗信号处理 应用, 如便携式媒体播放器和其他附件。

低输入参考噪声

LMV641 提供的平带输入参考电压噪声密度为 14nV/Hz,这显著优于低功耗运算放大器的预期噪声性能。此款运算放大器还具有非常低的 1/f 噪声,1/f 噪声转角频率低至 4Hz。因此,LMV641 非常适合低功耗 应用, 这些应用需要适当的噪声性能,如 PDA 和便携式传感器。

地面感应和轨至轨输出

LMV641 具有一个轨至轨输出级,这可提供尽可能最大的输出动态范围。这对于需要大输出摆幅的 应用 尤其重要。此部件的输入共模范围包括负电源轨,允许在单电源供电时直接感应地面。

小型尺寸

LMV641 采用小尺寸封装,可以节省印刷电路板空间,从而打造出更小、更紧凑的电子产品设计。信号源和运算放大器之间的较长迹线使得信号路径易受噪声的影响。通过使用物理上更小的封装,可将这些运算放大器放置在更靠近信号源的位置,从而降低噪声拾取、增强信号完整性。

器件功能模式

运算放大器电路的稳定性

如果根据输出端的容性负载 (CL) 绘制 LMV641 的相位裕度,并且 CL 增加到 100pF 以上,则相位裕度会显著减小。这是因为,运算放大器旨在为低电源电流提供尽可能最大的带宽。要稳定 LMV641 以获得更高的容性负载,将需要急剧增加电源电流,或需要高容值内部补偿电容,从而将会减少带宽。因此,如果将此器件用于驱动更高的容性负载,则必须进行外部补偿。

LMV641 20203359.gif Figure 36. 运算放大器的增益与频率间的关系

理想情况下,运算放大器的主极点应接近直流,从而导致其增益相对于频率以 20dB/十倍频的速率衰减。如果此衰减率(又称为接近率 (ROC))在运算放大器的单位带宽增益积之前保持不变,则说明此运算放大器是稳定的。但是,如果将大电容添加至运算放大器的输出端,则它将结合运算放大器的输出抗阻,从而在其单位增益频率之前在其频率响应中形成另一个极点(Figure 36)。这样一来,ROC 会提高至 40dB/十倍频,并引起不稳定。

在这种情况下,可以使用一些技术来恢复电路的稳定性。所有这些方案背后的理念都是更改频率响应,以便可将 ROC 恢复到 20dB/十倍频,从而确保稳定性。

环路补偿

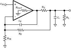
Figure 37 阐明了一种补偿技术,又称为环路补偿,此技术在反馈环路中采用 RC 反馈电路来稳定同相放大器配置。低阻值串联电阻 RS 用于隔离放大器输出和负载电容 CL,将低容值电容 CF 插入反馈电阻器,以在出现较高频率时旁通 CL

LMV641 20203358.gif Figure 37. 环路补偿

通过确保来自 CF 的零与来自 CL 的极点处于同一频率,来确定 RS 和 CF 的值。这可以确保通过零的存在来补偿第二个极点对传递函数的影响,并且将 ROC 维持在 20dB/十倍频。对于Figure 37 中显示的电路,RS 和 CF 的值都由Equation 1 给定。维持 CL 不同值的稳定性所需的 RS 和 CF 的值,以及获得的相位裕度都显示在Table 1 中。RF 和 RIN 都为 10kΩ,RL 为 2kΩ,而 ROUT 为 680Ω。

Equation 1. LMV641 20203338.gif

Table 1. 环路补偿稳定性

CL (nF) RS (Ω) CF (pF) 相位裕度 (°)
0.5 680 10 17.4
1 680 20 12.4
1.5 680 30 10.1

LMV641 能够在不振荡的情况下驱动高达 1nF 的大型容性负载,但如果负载超过 1nF,则建议使用补偿。使用这种方法将减少任何过度的振铃,并有助于保持稳定的相位裕度。上面列出的补偿网络的值阐明了作为容性负载函数的相位裕度降级。

尽管此方法可以为任何负载电容提供电路稳定性,但却以带宽为代价。电路的闭环带宽现在受限于 RF 和 CF

外部电阻器补偿

在某些 应用中 ,在不影响带宽的情况下驱动容性负载至关重要。在这种情况下,环路补偿不是可行方案。Figure 38 中显示了更简单的补偿方案。将电阻器 RISO 串联在负载电容和输出之间。这在电路传递函数中引入一个零,可以抵消负载电容形成的极点的影响,并确保稳定性。应根据 CL 的尺寸和需要的性能水平来确定要使用的 RISO 的值。从 5Ω 到 50Ω 的值通常都足以确保稳定性。较大的 RISO 值将导致系统出现较少的振铃和过冲,但也会限制电路的输出摆幅和短路电流。

LMV641 20203360.gif Figure 38. 隔离电阻器补偿