ZHCSGL6D September   2007  – August 2016 LMV641

PRODUCTION DATA.  

  1. 特性
  2. 应用范围
  3. 说明
  4. 修订历史记录
  5. 引脚配置和功能
  6. 规格
    1. 6.1 绝对最大额定值
    2. 6.2 ESD 额定值
    3. 6.3 建议的工作条件
    4. 6.4 热性能信息
    5. 6.5 直流电气特性:2.7V
    6. 6.6 直流电气特性:10V
    7. 6.7 典型特性
  7. 详细 说明
    1. 7.1 概述
    2. 7.2 功能框图
    3. 7.3 特性 说明
      1. 7.3.1 低电压和低功耗操作
      2. 7.3.2 宽带宽
      3. 7.3.3 低输入参考噪声
      4. 7.3.4 地面感应和轨至轨输出
      5. 7.3.5 小型尺寸
    4. 7.4 器件功能模式
      1. 7.4.1 运算放大器电路的稳定性
        1. 7.4.1.1 环路补偿
        2. 7.4.1.2 外部电阻器补偿
  8. 应用和实现
    1. 8.1 应用信息
    2. 8.2 典型 应用
      1. 8.2.1 高增益、低功耗反相放大器
        1. 8.2.1.1 设计要求
        2. 8.2.1.2 详细设计流程
        3. 8.2.1.3 应用曲线
      2. 8.2.2 各向异性磁阻传感器
        1. 8.2.2.1 设计要求
        2. 8.2.2.2 详细设计流程
          1. 8.2.2.2.1 使用模数转换器时应考虑增益误差和带宽
      3. 8.2.3 音频带宽滤波器
  9. 电源相关建议
  10. 10布局
    1. 10.1 布局准则
    2. 10.2 布局示例
  11. 11器件和文档支持
    1. 11.1 器件支持
      1. 11.1.1 开发支持
    2. 11.2 文档支持
      1. 11.2.1 相关文档
    3. 11.3 接收文档更新通知
    4. 11.4 社区资源
    5. 11.5 商标
    6. 11.6 静电放电警告
    7. 11.7 Glossary
  12. 12机械、封装和可订购信息

封装选项

机械数据 (封装 | 引脚)
散热焊盘机械数据 (封装 | 引脚)
订购信息

布局

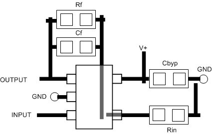
布局准则

为了正确旁通电源电压,需要考虑印刷电路板上的多个位置。应在放大器的电源被引入电路板的位置放置一个 6.8µF 或更大的钽电容器。应在尽可能靠近放大器电源引脚的位置放置另一个 0.1µF 的陶瓷电容器。如果放大器在单电源供电的情况下工作,则只需要使用 0.1µF 的电容器旁通 V+ 引脚。如果放大器在双电源供电的情况下工作,则 V+ 和 V− 引脚都需要旁通。最好在印刷电路板上使用接地平面以为所有组件提供低电感接地连接。

布局示例

LMV641 LMV641_pcb.gif Figure 47. LMV641 布局示例