ZHCSOM5D April   2006  – September 2021 LMH6321

PRODUCTION DATA  

  1. 1特性
  2. 2应用
  3. 3描述
  4. 4Revision History
  5. 5Specifications
    1. 5.1 Absolute Maximum Ratings
    2. 5.2 Operating Ratings
    3. 5.3 Thermal Information
    4. 5.4 ±15 V Electrical Characteristics
    5. 5.5 ±5 V Electrical Characteristics
    6. 5.6 Typical Characteristics
  6. 6Application Hints
    1. 6.1  Buffers
    2. 6.2  Supply Bypassing
    3. 6.3  Load Impedence
    4. 6.4  Source Inductance
    5. 6.5  Overvoltage Protection
    6. 6.6  Bandwidth and Stability
    7. 6.7  Output Current and Short Circuit Protection
    8. 6.8  Thermal Management
      1. 6.8.1 Heatsinking
      2. 6.8.2 Determining Copper Area
      3. 6.8.3 Procedure
      4. 6.8.4 Example
    9. 6.9  Error Flag Operation
    10. 6.10 Single Supply Operation
    11. 6.11 Slew Rate
  7. 7Device and Documentation Support
    1. 7.1 接收文档更新通知
    2. 7.2 支持资源
    3. 7.3 Trademarks
    4. 7.4 Electrostatic Discharge Caution
    5. 7.5 术语表
  8. 8Mechanical, Packaging, and Orderable Information

封装选项

请参考 PDF 数据表获取器件具体的封装图。

机械数据 (封装 | 引脚)
  • KTW|7
  • DDA|8
散热焊盘机械数据 (封装 | 引脚)
订购信息

Buffers

Buffers are often called voltage followers because they have largely unity voltage gain, thus the name has generally come to mean a device that supplies current gain but no voltage gain. Buffers serve in applications requiring isolation of source and load, for example, high input impedance and low output impedance (high output current drive). In addition, they offer gain flatness and wide bandwidth.

Most operational amplifiers that meet the other given requirements in a particular application can be configured as buffers, though they are generally more complex and are, for the most part, not optimized for unity gain operation. The commercial buffer is a cost effective substitute for an op amp. Buffers serve several useful functions, either in tandem with op amps or in standalone applications. As mentioned, their primary function is to isolate a high impedance source from a low impedance load, since a high Z source cannott supply the needed current to the load. For example, in the case where the signal source to an analog to digital converter is a sensor, it is recommended that the sensor be isolated from the A/D converter. The use of a buffer ensures a low output impedance and delivery of a stable output to the converter. In A/D converter applications buffers need to drive varying and complex reactive loads.

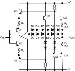
Buffers come in two flavors: Open Loop and Closed Loop. While sacrificing the precision of some DC characteristics, and generally displaying poorer gain linearity, open loop buffers offer lower cost and increased bandwidth, along with less phase shift and propagation delay than do closed loop buffers. The LMH6321 is of the open loop variety.

Figure 6-1 shows a simplified diagram of the LMH6321 topology, revealing the open loop complementary follower design approach. Figure 6-2 shows the LMH6321 in a typical application, in this case, a 50 Ω coaxial cable driver.

GUID-24703ABA-0548-4A1F-9FE6-6F1FE609BA76-low.gifFigure 6-1 Simplified Schematic