ZHCSU27B May   2004  – January 2024 LM64

PRODUCTION DATA  

  1.   1
  2. 特性
  3. 应用
  4. 说明
  5. 引脚配置和功能
  6. 规格
    1. 5.1 绝对最大额定值
    2. 5.2 运行额定值
    3. 5.3 DC 电气特性
    4. 5.4 工作电气特性
    5. 5.5 AC 电气特性
    6. 5.6 数字电气特性
    7. 5.7 SMBus 逻辑电气特性
    8. 5.8 SMBus 数字开关特性
  7. 详细说明
    1. 6.1 概述
    2. 6.2 功能方框图
    3. 6.3 特性说明
      1. 6.3.1  转换序列
      2. 6.3.2  ALERT 输出
        1. 6.3.2.1 ALERT 输出作为温度比较器
        2. 6.3.2.2 ALERT 输出作为中断
        3. 6.3.2.3 ALERT 输出作为 SMBus ALERT
      3. 6.3.3  SMBus 接口
      4. 6.3.4  上电复位 (POR) 默认状态
      5. 6.3.5  温度数据格式
      6. 6.3.6  开漏输出、输入和上拉电阻器
      7. 6.3.7  二极管故障检测
      8. 6.3.8  与 LM64 通信
      9. 6.3.9  数字滤波器
      10. 6.3.10 故障队列
      11. 6.3.11 单次触发寄存器
      12. 6.3.12 串行接口复位
  8. 寄存器
    1. 7.1 LM64 寄存器
      1. 7.1.1 以十六进制顺序分组的 LM64 寄存器映射
      2. 7.1.2 按功能顺序分组的 LM64 寄存器映射
      3. 7.1.3 LM64 初始寄存器序列和按功能顺序分组的寄存器说明
        1. 7.1.3.1 LM64 所需的初始风扇控制寄存器序列
      4. 7.1.4 按功能顺序分组的 LM64 寄存器说明
        1. 7.1.4.1 风扇控制寄存器
        2. 7.1.4.2 配置寄存器
        3. 7.1.4.3 转速计计数和限值寄存器
        4. 7.1.4.4 本地温度和本地高设定点寄存器
        5. 7.1.4.5 远程二极管温度、偏移和设定点寄存器
        6. 7.1.4.6 ALERT 状态和屏蔽寄存器
        7. 7.1.4.7 转换速率和单次触发寄存器
        8. 7.1.4.8 ID 寄存器
    2. 7.2 通用寄存器
  9. 应用和实施
    1. 8.1 应用信息
      1. 8.1.1 风扇控制占空比与寄存器设置和频率
        1. 8.1.1.1 计算给定频率的占空比
      2. 8.1.2 使用非线性 PWM 值与温度间关系的查找表
      3. 8.1.3 非理想因子和温度精度
        1. 8.1.3.1 二极管非理想性
        2. 8.1.3.2 补偿二极管非理想性
      4. 8.1.4 从 TACH 计数计算风扇的 RPM
    2. 8.2 典型应用
  10. 布局
    1. 9.1 尽可能降低噪声的 PCB 布局
  11. 10器件和文档支持
    1. 10.1 文档支持
    2. 10.2 接收文档更新通知
    3. 10.3 支持资源
    4. 10.4 商标
    5. 10.5 静电放电警告
    6. 10.6 术语表
  12. 11修订历史记录
  13. 12机械、封装和可订购信息

封装选项

机械数据 (封装 | 引脚)
散热焊盘机械数据 (封装 | 引脚)
订购信息

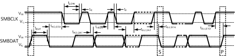
SMBus 数字开关特性

除非另有说明,否则这些规格适用于 VDD = +3.0VDC 至 +3.6VDC,输出线路上的 CL(负载电容)= 80pF。粗体限值适用于 TA = TJ;TMIN ≤ TA ≤ TMAX所有其他限值适用于 TA = TJ = +25°C(除非另有说明)。LM64 的开关特性完全符合或超过已发布的 SMBus 规范 2.0 版。以下参数是与 LM64 相关的 SMBCLK 和 SMBDAT 信号之间的时序关系。它们遵循 SMBus 总线规范,但这并非必需。
符号参数条件限值
(1)
单位
(限值)
fSMBSMBus 时钟频率10
100
KHz(最小值)
kHz(最大值)
tLOWSMBus 时钟低电平时间从 VIN(0) max 到 VIN(0) max4.7µs(最小值)
tHIGHSMBus 时钟高电平时间从 VIN(1) min 到 VIN(1) min4.0
50
µs(最小值)
ms(最大值)
tRSMBus 上升时间请参阅 (2)1µs(最大值)
tFSMBus 下降时间请参阅 (3)0.3µs(最大值)
tOF输出下降时间CL = 400pF,IO = 3mA250ns(最大值)
tTIMEOUT串行接口复位时的 SMBData 和 SMBCLK 低电平时间。请参阅 (4)25
35
ms(最小值)
ms(最大值)
tSU:DAT数据输入到 SMBCLK 高电平的建立时间250ns(最小值)
tHD:DATSMBCLK 低电平后数据输出稳定时间300
930
ns(最小值)
ns(最大值)
tHD:STA(重复)启动条件的保持时间。在此周期后,生成第一个时钟。4.0µs(最小值)
tSU:STO停止条件 SMBCLK 高电平至 SMBDAT 低电平(停止条件设置)100ns(最小值)
tSU:STASMBus 重复启动条件建立时间,SMBCLK 高电平至 SMBDAT 低电平4.7µs(最小值)
tBUF停止条件和启动条件之间的 SMBus 空闲时间4.7µs(最小值)
限值保证达到 TI 的 AOQL(平均出厂质量水平)。
输出上升时间的测量范围为 (VIL max - 0.15V) 至 (VIH min + 0.15V)。
输出下降时间的测量范围为 (VIH min + 0.15V) 至 (VIL min - 0.15V)。
将 SMBData 和/或 SMBCLK 线路保持为低电平的时间间隔大于 tTIMEOUT 将复位 LM64 的 SMBus 状态机,从而将 SMBDAT 和 SMBCLK 引脚设置为高阻抗状态。
GUID-4AF63E26-47B6-481D-928C-57DF40B190AC-low.gif图 5-1 SMBCLK 和 SMBDAT 信号的 SMBus 时序图
表 5-1
引脚名称引脚编号D1D2D3D4D5D6R1SNPESD CLAMP
GPIO11XXX
GPIO22XXX
GPIO33XXX
PWM4XXX
VDD5X
D+6XXXXXX
D−7XXXXXX
T_Crit8XXXX
A012X
ALERT14XXXX
TACH15XXX
SMBDAT16XXX
SMBCLK17X
GPIO518XXX
GPIO419XXX
GPD120X
GPD221X
GPD322X
GPD423X
GPD524X
GUID-E542AB1B-0BA1-46DC-BB57-2D65C546A7FF-low.gif图 5-2 ESD 保护输入结构