ZHCSHC6I January   2007  – December 2017 LM5022

PRODUCTION DATA.  

  1. 特性
  2. 应用
  3. 说明
    1.     Device Images
      1.      典型应用
  4. 修订历史记录
  5. Pin Configuration and Functions
    1.     Pin Functions
  6. Specifications
    1. 6.1 Absolute Maximum Ratings
    2. 6.2 ESD Ratings
    3. 6.3 Recommended Operating Conditions
    4. 6.4 Thermal Information
    5. 6.5 Electrical Characteristics
    6. 6.6 Typical Characteristics
  7. Detailed Description
    1. 7.1 Overview
    2. 7.2 Functional Block Diagram
    3. 7.3 Feature Description
      1. 7.3.1 High-Voltage Start-Up Regulator
      2. 7.3.2 Input Undervoltage Detector
      3. 7.3.3 Error Amplifier
      4. 7.3.4 Current Sensing and Current Limiting
      5. 7.3.5 PWM Comparator and Slope Compensation
      6. 7.3.6 Soft Start
      7. 7.3.7 MOSFET Gate Driver
      8. 7.3.8 Thermal Shutdown
    4. 7.4 Device Functional Modes
      1. 7.4.1 Oscillator, Shutdown, and SYNC
  8. Application and Implementation
    1. 8.1 Application Information
    2. 8.2 Typical Application
      1. 8.2.1 Design Requirements
      2. 8.2.2 Detailed Design Procedure
        1. 8.2.2.1  Switching Frequency
        2. 8.2.2.2  MOSFET
        3. 8.2.2.3  Output Diode
        4. 8.2.2.4  Boost Inductor
        5. 8.2.2.5  Output Capacitor
        6. 8.2.2.6  VCC Decoupling Capacitor
        7. 8.2.2.7  Input Capacitor
        8. 8.2.2.8  Current Sense Filter
        9. 8.2.2.9  RSNS, RS2 and Current Limit
        10. 8.2.2.10 Control Loop Compensation
        11. 8.2.2.11 Efficiency Calculations
          1. 8.2.2.11.1 Chip Operating Loss
          2. 8.2.2.11.2 MOSFET Switching Loss
          3. 8.2.2.11.3 MOSFET and RSNS Conduction Loss
          4. 8.2.2.11.4 Output Diode Loss
          5. 8.2.2.11.5 Input Capacitor Loss
          6. 8.2.2.11.6 Output Capacitor Loss
          7. 8.2.2.11.7 Boost Inductor Loss
          8. 8.2.2.11.8 Total Loss
          9. 8.2.2.11.9 Efficiency
      3. 8.2.3 Application Curves
  9. Power Supply Recommendations
  10. 10Layout
    1. 10.1 Layout Guidelines
      1. 10.1.1 Filter Capacitors
      2. 10.1.2 Sense Lines
      3. 10.1.3 Compact Layout
      4. 10.1.4 Ground Plane and Shape Routing
    2. 10.2 Layout Examples
  11. 11器件和文档支持
    1. 11.1 器件支持
      1. 11.1.1 第三方产品免责声明
      2. 11.1.2 设计支持
    2. 11.2 文档支持
      1. 11.2.1 相关文档
    3. 11.3 接收文档更新通知
    4. 11.4 社区资源
    5. 11.5 商标
    6. 11.6 静电放电警告
    7. 11.7 Glossary
  12. 12机械、封装和可订购信息

封装选项

机械数据 (封装 | 引脚)
散热焊盘机械数据 (封装 | 引脚)
订购信息

Compact Layout

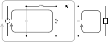
Parasitic inductance can be reduced by keeping the power path components close together. As described in Layout Guidelines, keep the high slew-rate current loops as tight as possible. Short, thick traces or copper pours (shapes) are best.

The switch node must be just large enough to connect all the components together without excessive heating from the current it carries. The LM5022 (boost converter) operates in two distinct cycles whose high current paths are shown in Figure 29.

LM5022 20212252.gifFigure 29. Boost Converter Current Loops

The dark grey, inner loops represents the high current paths during the MOSFET on-time. The light grey, outer loop represents the high current path during the off-time.