ZHCSLO5B December   2020  – December 2021 LM25149

PRODUCTION DATA  

  1. 特性
  2. 应用
  3. 说明
  4. Revision History
  5. 说明(续)
  6. Pin Configuration and Functions
  7. Specifications
    1. 7.1 Absolute Maximum Ratings
    2. 7.2 ESD Ratings
    3. 7.3 Recommended Operating Conditions
    4. 7.4 Thermal Information
    5. 7.5 Electrical Characteristics
    6. 7.6 ACTIVE EMI  Filter
    7. 7.7 Typical Characteristics
  8. Detailed Description
    1. 8.1 Overview
    2. 8.2 Functional Block Diagram
    3. 8.3 Feature Description
      1. 8.3.1  Input Voltage Range (VIN)
      2. 8.3.2  High-Voltage Bias Supply Regulator (VCC, VCCX, VDDA)
      3. 8.3.3  Precision Enable (EN)
      4. 8.3.4  Power-Good Monitor (PG)
      5. 8.3.5  Switching Frequency (RT)
      6. 8.3.6  Active EMI Filter
      7. 8.3.7  Dual Random Spread Spectrum (DRSS)
      8. 8.3.8  Soft Start
      9. 8.3.9  Output Voltage Setpoint (FB)
      10. 8.3.10 Minimum Controllable On Time
      11. 8.3.11 Error Amplifier and PWM Comparator (FB, EXTCOMP)
      12. 8.3.12 Slope Compensation
      13. 8.3.13 Inductor Current Sense (ISNS+, VOUT)
        1. 8.3.13.1 Shunt Current Sensing
        2. 8.3.13.2 Inductor DCR Current Sensing
      14. 8.3.14 Hiccup Mode Current Limiting
      15. 8.3.15 High-Side and Low-Side Gate Drivers (HO, LO)
      16. 8.3.16 Output Configurations (CNFG)
      17. 8.3.17 Single-Output Dual-Phase Operation
    4. 8.4 Device Functional Modes
      1. 8.4.1 Sleep Mode
      2. 8.4.2 Pulse Frequency Modulation and Synchronization (PFM/SYNC)
      3. 8.4.3 Thermal Shutdown
  9. Application and Implementation
    1. 9.1 Application Information
      1. 9.1.1 Power Train Components
        1. 9.1.1.1 Buck Inductor
        2. 9.1.1.2 Output Capacitors
        3. 9.1.1.3 Input Capacitors
        4. 9.1.1.4 Power MOSFETs
        5. 9.1.1.5 EMI Filter
        6. 9.1.1.6 Active EMI Filter
      2. 9.1.2 Error Amplifier and Compensation
    2. 9.2 Typical Applications
      1. 9.2.1 Design 1 – High Efficiency 2.1-MHz Synchronous Buck Regulator
        1. 9.2.1.1 Design Requirements
        2. 9.2.1.2 Detailed Design Procedure
          1. 9.2.1.2.1  Custom Design With WEBENCH® Tools
          2. 9.2.1.2.2  Custom Design With Excel Quickstart Tool
          3. 9.2.1.2.3  Buck Inductor
          4. 9.2.1.2.4  Current-Sense Resistance
          5. 9.2.1.2.5  Output Capacitors
          6. 9.2.1.2.6  Input Capacitors
          7. 9.2.1.2.7  Frequency Set Resistor
          8. 9.2.1.2.8  Feedback Resistors
          9. 9.2.1.2.9  Compensation Components
          10. 9.2.1.2.10 Active EMI Components
        3. 9.2.1.3 Application Curves
      2. 9.2.2 Design 2 – High Efficiency 440-kHz Synchronous Buck Regulator
        1. 9.2.2.1 Design Requirements
        2. 9.2.2.2 Detailed Design Procedure
        3. 9.2.2.3 Application Curves
      3. 9.2.3 Design 3 – Dual-Phase 400-kHz 20-A Synchronous Buck Regulator
        1. 9.2.3.1 Design Requirements
        2. 9.2.3.2 Detailed Design Procedure
        3. 9.2.3.3 Application Curves
  10. 10Power Supply Recommendations
  11. 11Layout
    1. 11.1 Layout Guidelines
      1. 11.1.1 Power Stage Layout
      2. 11.1.2 Gate-Drive Layout
      3. 11.1.3 PWM Controller Layout
      4. 11.1.4 Active EMI Layout
      5. 11.1.5 Thermal Design and Layout
      6. 11.1.6 Ground Plane Design
    2. 11.2 Layout Example
  12. 12Device and Documentation Support
    1. 12.1 Device Support
      1. 12.1.1 Development Support
      2. 12.1.2 Custom Design With WEBENCH® Tools
    2. 12.2 Documentation Support
      1. 12.2.1 Related Documentation
        1. 12.2.1.1 PCB Layout Resources
        2. 12.2.1.2 Thermal Design Resources
    3. 12.3 接收文档更新通知
    4. 12.4 支持资源
    5. 12.5 Trademarks
    6. 12.6 Electrostatic Discharge Caution
    7. 12.7 术语表
  13. 13Mechanical, Packaging, and Orderable Information

封装选项

机械数据 (封装 | 引脚)
散热焊盘机械数据 (封装 | 引脚)
订购信息

Layout Guidelines

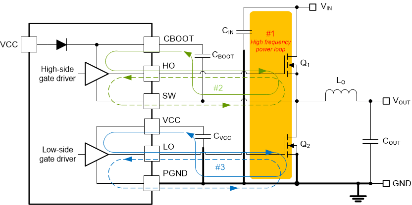
Proper PCB design and layout is important in a high-current, fast-switching circuit (with high current and voltage slew rates) to achieve a robust and reliable design. As expected, certain issues must be considered before designing a PCB layout using the LM25149. The high-frequency power loop of a buck regulator power stage is denoted by loop 1 in the shaded area of Figure 11-1. The topological architecture of a buck regulator means that particularly high di/dt current flows in the components of loop 1, and it becomes mandatory to reduce the parasitic inductance of this loop by minimizing its effective loop area. Also important are the gate drive loops of the high-side and low-side MOSFETs, denoted by 2 and 3, respectively, in Figure 11-1.

GUID-4EB5ED4D-F533-4E2C-914C-C95250ED4989-low.gifFigure 11-1 DC/DC Regulator Ground System With Power Stage and Gate Drive Circuit Switching Loops