ZHCSXP0 December   2024 IWRL6432W

PRODUCTION DATA  

  1.   1
  2. 特性
  3. 应用
  4. 说明
  5. 功能方框图
  6. 器件比较
    1. 5.1 相关产品
  7. 终端配置和功能
    1. 6.1 引脚图
    2. 6.2 信号说明
      1.      11
      2.      12
      3.      13
      4.      14
      5.      15
      6.      16
      7.      17
      8.      18
      9.      19
      10.      20
      11.      21
      12.      22
      13.      23
      14.      24
      15.      25
      16.      26
      17.      27
    3.     28
  8. 规格
    1. 7.1  绝对最大额定值
    2. 7.2  ESD 等级
    3. 7.3  上电小时数 (POH)
    4. 7.4  建议运行条件
    5. 7.5  一次性可编程 (OTP) 电子保险丝的 VPP 规格
      1. 7.5.1 建议的 OTP eFuse 编程操作条件
      2. 7.5.2 硬件要求
      3. 7.5.3 对硬件保修的影响
    6. 7.6  电源规格
      1. 7.6.1 低功耗 3.3V I/O 拓扑
      2. 7.6.2 BOM 优化的 3.3V I/O 拓扑
      3. 7.6.3 低功耗 1.8V I/O 拓扑
      4. 7.6.4 BOM 优化的 1.8V I/O 拓扑
      5. 7.6.5 系统拓扑
        1. 7.6.5.1 电源拓扑
          1. 7.6.5.1.1 BOM 优化模式
          2. 7.6.5.1.2 低功耗模式
      6. 7.6.6 BOM 优化型拓扑的内部 LDO 输出去耦电容器和布局条件
        1. 7.6.6.1 单电容器轨
          1. 7.6.6.1.1 1.2V 数字 LDO
        2. 7.6.6.2 双电容器轨
          1. 7.6.6.2.1 1.2V 射频 LDO
          2. 7.6.6.2.2 1.2V SRAM LDO
          3. 7.6.6.2.3 1.0V 射频 LDO
      7. 7.6.7 噪声和纹波规格
    7. 7.7  节电模式
      1. 7.7.1 功耗典型数值
    8. 7.8  每个电压轨的峰值电流要求
    9. 7.9  射频规格
    10. 7.10 支持的 DFE 特性
    11. 7.11 CPU 规格
    12. 7.12 热阻特性
    13. 7.13 时序和开关特性
      1. 7.13.1  电源时序和复位时序
      2. 7.13.2  同步帧触发
      3. 7.13.3  输入时钟和振荡器
        1. 7.13.3.1 时钟规格
      4. 7.13.4  多通道缓冲/标准串行外设接口 (McSPI)
        1. 7.13.4.1 McSPI 特性
        2. 7.13.4.2 SPI 时序条件
        3. 7.13.4.3 SPI - 控制器模式
          1. 7.13.4.3.1 SPI 的时序和开关要求 - 控制器模式
          2. 7.13.4.3.2 SPI 输出时序的时序和开关特性 - 控制器模式
        4. 7.13.4.4 SPI - 外设模式
          1. 7.13.4.4.1 SPI 的时序和开关要求 — 外设模式
          2. 7.13.4.4.2 SPI 输出时序的时序和开关特性 - 次级模式
      5. 7.13.5  RDIF 接口配置
        1. 7.13.5.1 RDIF 接口时序
        2. 7.13.5.2 RDIF 数据格式
      6. 7.13.6  通用输入/输出
        1. 7.13.6.1 输出时序的开关特性与负载电容 (CL) 间的关系
      7. 7.13.7  控制器局域网 - 灵活数据速率 (CAN-FD)
        1. 7.13.7.1 CANx TX 和 RX 引脚的动态特性
      8. 7.13.8  串行通信接口 (SCI)
        1. 7.13.8.1 SCI 时序要求
      9. 7.13.9  内部集成电路接口 (I2C)
        1. 7.13.9.1 I2C 时序要求
      10. 7.13.10 四线串行外设接口 (QSPI)
        1. 7.13.10.1 QSPI 时序条件
        2. 7.13.10.2 QSPI 输入(读取)时序的时序要求
        3. 7.13.10.3 QSPI 开关特性
      11. 7.13.11 JTAG 接口
        1. 7.13.11.1 JTAG 时序条件
        2. 7.13.11.2 IEEE 1149.1 JTAG 的时序要求
        3. 7.13.11.3 IEEE 1149.1 JTAG 在推荐工作条件下的开关特性
  9. 详细说明
    1. 8.1 概述
    2. 8.2 功能方框图
    3. 8.3 子系统
      1. 8.3.1 射频 (RF) 和模拟子系统
      2. 8.3.2 时钟子系统
      3. 8.3.3 发送子系统
      4. 8.3.4 接收子系统
      5. 8.3.5 处理器子系统
      6. 8.3.6 主机接口
      7. 8.3.7 应用子系统 Cortex-M4F
      8. 8.3.8 硬件加速器 (HWA1.2) 特性
        1. 8.3.8.1 HWA1.1 和 HWA1.2 之间的硬件加速器特性差异
    4. 8.4 其他子系统
      1. 8.4.1 用于用户应用的 GPADC 通道(服务)
      2. 8.4.2 GPADC 参数
    5. 8.5 存储器分区示例
    6. 8.6 引导模式
  10. 应用、实施和布局
    1. 9.1 应用信息
  11. 10器件和文档支持
    1. 10.1 器件命名规则
    2. 10.2 工具与软件
    3. 10.3 文档支持
    4. 10.4 支持资源
    5. 10.5 商标
    6. 10.6 静电放电警告
    7. 10.7 术语表
  12. 11修订历史记录
  13. 12机械、封装和可订购信息

封装选项

机械数据 (封装 | 引脚)
  • YFF|111
散热焊盘机械数据 (封装 | 引脚)
订购信息

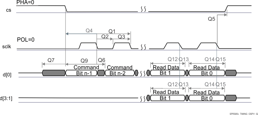
QSPI 开关特性

编号 参数 最小值 典型值 最大值 单位
Q1 tc(SCLK) SCLK 周期时间 12.5 ns
Q2 tw(SCLKL) SCLK 低电平的脉冲持续时间 Y*P – 3(1)(2) ns
Q3 tw(SCLKH) SCLK 高电平的脉冲持续时间 Y*P – 3(1)(2) ns
Q4 td(CS-SCLK) SCLK 下降沿到 CS 有效边沿的延迟时间 –M*P – 1(2)(3) –M*P + 2.5(2)(3) ns
Q5 td(SCLK-CS) SCLK 下降沿到 CS 无效边沿的延迟时间 N*P – 1(2)(3) N*P + 2.5(2)(3) ns
Q6 td(SCLK-D1) SCLK 下降沿到 d[1] 转换的延迟时间 -2 4 ns
Q7 tena(CS-D1LZ) 使能时间,CS 有效边沿到 d[1] 驱动(低阻抗) –P – 4(2) –P +1(2) ns
Q8 tdis(CS-D1Z) 禁用时间,CS 有效边沿到 d[1] 三态(高阻抗) –P – 4(2) –P +1(2) ns
Q9 td(SCLK-D1) SCLK 第一个下降沿到第一个 d[1] 转换的延迟时间(仅适用于 PHA = 0) –2 – P(2) 4– P(2) ns
Q12 tsu(D-SCLK) 在 SCLK 下降沿之前 d[3:0] 有效的建立时间 5 ns
Q13 th(SCLK-D) 在 SCLK 下降沿之后 d[3:0] 有效的保持时间 1 ns
Q14 tsu(D-SCLK) 在最终 SCLK 下降沿之前最终 d[3:0] 位有效的建立时间 5 — P(2) ns
Q15 th(SCLK-D) 在最终 SCLK 下降沿之后最终 d[3:0] 位有效的保持时间 1 + P(2) ns
Y 参数定义如下:如果 DCLK_DIV 为 0 或奇数,则 Y 等于 0.5。如果 DCLK_DIV 为偶数,则 Y = (DCLK_DIV/2) / (DCLK_DIV+1)。为了获得最佳性能,建议使用 0 或奇数的 DCLK_DIV 以尽可能减少占空比失真。有关时钟分频因子 DCLK_DIV 的所有必需详细信息,请参阅器件特定的技术参考手册。
P = SCLK 周期,单位为 ns。
M = QSPI_SPI_DC_REG.DDx + 1,N = 2
IWRL6432W QSPI 读取(时钟模式 0)图 7-18 QSPI 读取(时钟模式 0)
IWRL6432W QSPI 写入(时钟模式 0)图 7-19 QSPI 写入(时钟模式 0)