ZHCSG29G March   2017  – August 2021 ISOW7840 , ISOW7841 , ISOW7842 , ISOW7843 , ISOW7844

PRODUCTION DATA  

  1. 特性
  2. 应用
  3. 说明
  4. 修订历史记录
  5. 说明(续)
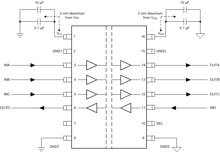
  6. 引脚配置和功能
    1.     引脚功能
  7. 规格
    1. 7.1  绝对最大额定值
    2. 7.2  ESD 等级
    3. 7.3  建议运行条件
    4. 7.4  热性能信息
    5. 7.5  额定功率
    6. 7.6  绝缘规格
    7. 7.7  安全相关认证
    8. 7.8  安全限值
    9. 7.9  电气特性 - 5V 输入、5V 输出
    10. 7.10 电源电流特性 - 5V 输入,5V 输出
    11. 7.11 电气特性 - 3.3V 输入、5V 输出
    12. 7.12 电源电流特性 - 3.3V 输入,5V 输出
    13. 7.13 电气特性 - 5V 输入、3.3V 输出
    14. 7.14 电源电流特性 - 5V 输入,3.3V 输出
    15. 7.15 电气特性 - 3.3V 输入、3.3V 输出
    16. 7.16 电源电流特性 - 3.3V 输入,3.3V 输出
    17. 7.17 开关特性 - 5V 输入,5V 输出
    18. 7.18 开关特性 - 3.3V 输入,5V 输出
    19. 7.19 开关特性 - 5V 输入,3.3V 输出
    20. 7.20 开关特性 - 3.3V 输入,3.3V 输出
    21. 7.21 绝缘特性曲线
    22. 7.22 典型特性
  8. 参数测量信息
  9. 详细说明
    1. 9.1 概述
    2. 9.2 功能方框图
    3. 9.3 特性说明
      1. 9.3.1 电磁兼容性 (EMC) 注意事项
      2. 9.3.2 上电和断电行为
      3. 9.3.3 电流限制、热过载保护
    4. 9.4 器件功能模式
      1. 9.4.1 器件 I/O 原理图
  10. 10应用和实现
    1. 10.1 应用信息
    2. 10.2 典型应用
      1. 10.2.1 设计要求
      2. 10.2.2 详细设计过程
      3. 10.2.3 应用曲线
        1. 10.2.3.1 绝缘寿命
  11. 11电源相关建议
  12. 12布局
    1. 12.1 布局指南
      1. 12.1.1 PCB 材料
    2. 12.2 布局示例
  13. 13器件和文档支持
    1. 13.1 器件支持
      1. 13.1.1 开发支持
    2. 13.2 文档支持
      1. 13.2.1 相关文档
    3. 13.3 相关链接
    4. 13.4 接收文档更新通知
    5. 13.5 支持资源
    6. 13.6 商标
    7. 13.7 Electrostatic Discharge Caution
    8. 13.8 术语表
  14. 14机械、封装和可订购信息

封装选项

机械数据 (封装 | 引脚)
散热焊盘机械数据 (封装 | 引脚)
订购信息

详细设计过程

这些器件只需外部旁路电容器即可工作。这些低 ESR 陶瓷旁路电容器必须尽可能靠近焊盘放置。

GUID-CE2E927B-E436-4C1F-9683-735F1D098CAE-low.gif
可选择在 VCC 和 GND1 之间添加 100 µF 电容器;请参阅Topic Link Label11
图 10-2 典型 ISOW7841 电路组装

VCC 电源输入为隔离式数据通道和隔离式直流/直流转换器供电。可使用Equation1计算初级侧的总功率预算。

Equation1. ICC = (VISO × IISO) / (η × VCC) + Iinpx

其中

  • ICC 是主电源所需的总电流。
  • VISO 是隔离式电源电压。
  • IISO 是隔离式电源电压上的外部负载。
  • η 是效率。
  • VCC 是电源电压。
  • Iinpx 是以特定数据速率切换数据通道时隔离式数据通道和电源转换器获取的总电流。Topic Link Label7.9 表中展示了该数据。