ZHCSKT4B february   2020  – december 2020 ISOW7841A-Q1

PRODUCTION DATA  

  1.   1
  2. 特性
  3. 应用
  4. 说明
  5. Revision History
  6. Description Continued
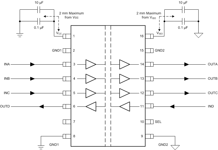
  7. Pin Configuration and Functions
  8. Specifications
    1. 7.1  Absolute Maximum Ratings
    2. 7.2  ESD Ratings
    3. 7.3  Recommended Operating Conditions
    4. 7.4  Thermal Information
    5. 7.5  Power Ratings
    6. 7.6  Insulation Specifications
    7. 7.7  Safety-Related Certifications
    8. 7.8  Safety Limiting Values
    9. 7.9  Electrical Characteristics—5-V Input, 5-V Output
    10. 7.10 Supply Current Characteristics—5-V Input, 5-V Output
    11. 7.11 Electrical Characteristics—3.3-V Input, 5-V Output
    12. 7.12 Supply Current Characteristics—3.3-V Input, 5-V Output
    13. 7.13 Electrical Characteristics—5-V Input, 3.3-V Output
    14. 7.14 Supply Current Characteristics—5-V Input, 3.3-V Output
    15. 7.15 Electrical Characteristics—3.3-V Input, 3.3-V Output
    16. 7.16 Supply Current Characteristics—3.3-V Input, 3.3-V Output
    17. 7.17 Switching Characteristics—5-V Input, 5-V Output
    18. 7.18 Switching Characteristics—3.3-V Input, 5-V Output
    19. 7.19 Switching Characteristics—5-V Input, 3.3-V Output
    20. 7.20 Switching Characteristics—3.3-V Input, 3.3-V Output
    21. 7.21 Insulation Characteristics Curves
    22. 7.22 Typical Characteristics
  9. Parameter Measurement Information
  10. Detailed Description
    1. 9.1 Overview
    2. 9.2 Functional Block Diagram
    3. 9.3 Feature Description
      1. 9.3.1 Electromagnetic Compatibility (EMC) Considerations
      2. 9.3.2 Power-Up and Power-Down Behavior
      3. 9.3.3 Current Limit, Thermal Overload Protection
    4. 9.4 Device Functional Modes
      1. 9.4.1 Device I/O Schematics
  11. 10Application and Implementation
    1. 10.1 Application Information
    2. 10.2 Typical Application
      1. 10.2.1 Design Requirements
      2. 10.2.2 Detailed Design Procedure
      3. 10.2.3 Application Curve
        1. 10.2.3.1 Insulation Lifetime
  12.   Power Supply Recommendations
  13. 11Layout
    1. 11.1 Layout Guidelines
      1. 11.1.1 PCB Material
    2. 11.2 Layout Example
  14. 12Device and Documentation Support
    1. 12.1 Device Support
      1. 12.1.1 Development Support
    2. 12.2 Documentation Support
      1. 12.2.1 Related Documentation
    3. 12.3 Receiving Notification of Documentation Updates
    4. 12.4 Community Resources
    5. 12.5 Glossary
  15. 13Mechanical, Packaging, and Orderable Information

封装选项

机械数据 (封装 | 引脚)
散热焊盘机械数据 (封装 | 引脚)
订购信息

Detailed Design Procedure

The devices requires only external bypass capacitors to operate. These low-ESR ceramic bypass capacitors must be placed as close to the chip pads as possible.

GUID-3F684133-006C-45E4-BA51-D51FD3A3C267-low.gif Figure 10-2 Typical ISOW7841A-Q1 Circuit Hook-Up

The VCC power-supply input provides power to isolated data channels and to the isolated DC-DC converter. Use Equation 1 to calculate the total power budget on the primary side.

Equation 1. ICC = (VISO × IISO) / (η × VCC) + Iinpx

where

  • ICC is the total current required by the primary supply.
  • VISO is the isolated supply voltage.
  • IISO is the external load on the isolated supply voltage.
  • η is the efficiency.
  • VCC is the supply voltage.
  • Iinpx is the total current drawn for the isolated data channels and power converter when data channels are toggling at a specific data rate. This data is shown in the Section 7.9 table.