ZHCSG29G March   2017  – August 2021 ISOW7840 , ISOW7841 , ISOW7842 , ISOW7843 , ISOW7844

PRODUCTION DATA  

  1. 特性
  2. 应用
  3. 说明
  4. 修订历史记录
  5. 说明(续)
  6. 引脚配置和功能
    1.     引脚功能
  7. 规格
    1. 7.1  绝对最大额定值
    2. 7.2  ESD 等级
    3. 7.3  建议运行条件
    4. 7.4  热性能信息
    5. 7.5  额定功率
    6. 7.6  绝缘规格
    7. 7.7  安全相关认证
    8. 7.8  安全限值
    9. 7.9  电气特性 - 5V 输入、5V 输出
    10. 7.10 电源电流特性 - 5V 输入,5V 输出
    11. 7.11 电气特性 - 3.3V 输入、5V 输出
    12. 7.12 电源电流特性 - 3.3V 输入,5V 输出
    13. 7.13 电气特性 - 5V 输入、3.3V 输出
    14. 7.14 电源电流特性 - 5V 输入,3.3V 输出
    15. 7.15 电气特性 - 3.3V 输入、3.3V 输出
    16. 7.16 电源电流特性 - 3.3V 输入,3.3V 输出
    17. 7.17 开关特性 - 5V 输入,5V 输出
    18. 7.18 开关特性 - 3.3V 输入,5V 输出
    19. 7.19 开关特性 - 5V 输入,3.3V 输出
    20. 7.20 开关特性 - 3.3V 输入,3.3V 输出
    21. 7.21 绝缘特性曲线
    22. 7.22 典型特性
  8. 参数测量信息
  9. 详细说明
    1. 9.1 概述
    2. 9.2 功能方框图
    3. 9.3 特性说明
      1. 9.3.1 电磁兼容性 (EMC) 注意事项
      2. 9.3.2 上电和断电行为
      3. 9.3.3 电流限制、热过载保护
    4. 9.4 器件功能模式
      1. 9.4.1 器件 I/O 原理图
  10. 10应用和实现
    1. 10.1 应用信息
    2. 10.2 典型应用
      1. 10.2.1 设计要求
      2. 10.2.2 详细设计过程
      3. 10.2.3 应用曲线
        1. 10.2.3.1 绝缘寿命
  11. 11电源相关建议
  12. 12布局
    1. 12.1 布局指南
      1. 12.1.1 PCB 材料
    2. 12.2 布局示例
  13. 13器件和文档支持
    1. 13.1 器件支持
      1. 13.1.1 开发支持
    2. 13.2 文档支持
      1. 13.2.1 相关文档
    3. 13.3 相关链接
    4. 13.4 接收文档更新通知
    5. 13.5 支持资源
    6. 13.6 商标
    7. 13.7 Electrostatic Discharge Caution
    8. 13.8 术语表
  14. 14机械、封装和可订购信息

封装选项

机械数据 (封装 | 引脚)
散热焊盘机械数据 (封装 | 引脚)
订购信息

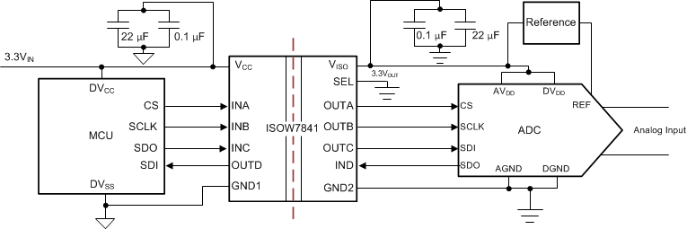
典型应用

GUID-5389C5A0-A85D-46EC-8DD8-368F226E23E8-low.gif

有关分步设计过程、电路原理图、物料清单、印刷电路板 (PCB) 文件、模拟结果和测试结果,请参阅 TI 设计 TIDA-01333 采用 ISOW7841 的 8 通道隔离式高电压模拟输入模块参考设计

图 10-1 展示了 SPI 隔离的典型原理图。

GUID-8F795975-A635-4247-ADF8-1337A084E821-low.gif图 10-1 采用 ISOW7841