ZHCSJ25E November   2018  – July 2024 ISO7760-Q1 , ISO7761-Q1 , ISO7762-Q1 , ISO7763-Q1

PRODUCTION DATA  

  1.   1
  2. 特性
  3. 应用
  4. 说明
  5. 说明(续)
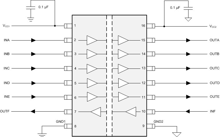
  6. Pin Configuration and Functions
  7. Specifications
    1. 6.1  Absolute Maximum Ratings
    2. 6.2  ESD Ratings
    3. 6.3  Recommended Operating Conditions
    4. 6.4  Thermal Information
    5. 6.5  Power Ratings
    6. 6.6  Insulation Specifications
    7. 6.7  Safety-Related Certifications
    8. 6.8  Safety Limiting Values
    9. 6.9  Electrical Characteristics—5-V Supply
    10. 6.10 Supply Current Characteristics—5-V Supply
    11. 6.11 Electrical Characteristics—3.3-V Supply
    12. 6.12 Supply Current Characteristics—3.3-V Supply
    13. 6.13 Electrical Characteristics—2.5-V Supply 
    14. 6.14 Supply Current Characteristics—2.5-V Supply
    15. 6.15 Switching Characteristics—5-V Supply
    16. 6.16 Switching Characteristics—3.3-V Supply
    17. 6.17 Switching Characteristics—2.5-V Supply
    18. 6.18 Insulation Characteristics Curves
    19. 6.19 Typical Characteristics
  8.   Parameter Measurement Information
  9. Detailed Description
    1. 7.1 Overview
    2. 7.2 Functional Block Diagram
    3. 7.3 Feature Description
      1. 7.3.1 Electromagnetic Compatibility (EMC) Considerations
    4. 7.4 Device Functional Modes
      1. 7.4.1 Device I/O Schematics
  10. Application and Implementation
    1. 8.1 Application Information
    2. 8.2 Typical Application
      1. 8.2.1 Design Requirements
      2. 8.2.2 Detailed Design Procedure
      3. 8.2.3 Application Curves
        1. 8.2.3.1 Insulation Lifetime
  11. Power Supply Recommendations
  12. 10Layout
    1. 10.1 Layout Guidelines
      1. 10.1.1 PCB Material
    2. 10.2 Layout Example
  13. 11Device and Documentation Support
    1. 11.1 Documentation Support
      1. 11.1.1 Related Documentation
    2. 11.2 Related Links
    3. 11.3 Receiving Notification of Documentation Updates
    4. 11.4 支持资源
    5. 11.5 Trademarks
    6. 11.6 静电放电警告
    7. 11.7 术语表
  14. 12Revision History
  15. 13Mechanical, Packaging, and Orderable Information

封装选项

机械数据 (封装 | 引脚)
散热焊盘机械数据 (封装 | 引脚)
订购信息

Detailed Design Procedure

Unlike optocouplers, which require external components to improve performance, provide bias, or limit current, the ISO776x-Q1 family of devices only requires two external bypass capacitors to operate.

ISO7760-Q1 ISO7761-Q1 ISO7762-Q1 ISO7763-Q1 Typical ISO7761-Q1 Circuit Hook-upFigure 8-2 Typical ISO7761-Q1 Circuit Hook-up