ZHCSJ25E November   2018  – July 2024 ISO7760-Q1 , ISO7761-Q1 , ISO7762-Q1 , ISO7763-Q1

PRODUCTION DATA  

  1.   1
  2. 特性
  3. 应用
  4. 说明
  5. 说明(续)
  6. Pin Configuration and Functions
  7. Specifications
    1. 6.1  Absolute Maximum Ratings
    2. 6.2  ESD Ratings
    3. 6.3  Recommended Operating Conditions
    4. 6.4  Thermal Information
    5. 6.5  Power Ratings
    6. 6.6  Insulation Specifications
    7. 6.7  Safety-Related Certifications
    8. 6.8  Safety Limiting Values
    9. 6.9  Electrical Characteristics—5-V Supply
    10. 6.10 Supply Current Characteristics—5-V Supply
    11. 6.11 Electrical Characteristics—3.3-V Supply
    12. 6.12 Supply Current Characteristics—3.3-V Supply
    13. 6.13 Electrical Characteristics—2.5-V Supply 
    14. 6.14 Supply Current Characteristics—2.5-V Supply
    15. 6.15 Switching Characteristics—5-V Supply
    16. 6.16 Switching Characteristics—3.3-V Supply
    17. 6.17 Switching Characteristics—2.5-V Supply
    18. 6.18 Insulation Characteristics Curves
    19. 6.19 Typical Characteristics
  8.   Parameter Measurement Information
  9. Detailed Description
    1. 7.1 Overview
    2. 7.2 Functional Block Diagram
    3. 7.3 Feature Description
      1. 7.3.1 Electromagnetic Compatibility (EMC) Considerations
    4. 7.4 Device Functional Modes
      1. 7.4.1 Device I/O Schematics
  10. Application and Implementation
    1. 8.1 Application Information
    2. 8.2 Typical Application
      1. 8.2.1 Design Requirements
      2. 8.2.2 Detailed Design Procedure
      3. 8.2.3 Application Curves
        1. 8.2.3.1 Insulation Lifetime
  11. Power Supply Recommendations
  12. 10Layout
    1. 10.1 Layout Guidelines
      1. 10.1.1 PCB Material
    2. 10.2 Layout Example
  13. 11Device and Documentation Support
    1. 11.1 Documentation Support
      1. 11.1.1 Related Documentation
    2. 11.2 Related Links
    3. 11.3 Receiving Notification of Documentation Updates
    4. 11.4 支持资源
    5. 11.5 Trademarks
    6. 11.6 静电放电警告
    7. 11.7 术语表
  14. 12Revision History
  15. 13Mechanical, Packaging, and Orderable Information

封装选项

机械数据 (封装 | 引脚)
散热焊盘机械数据 (封装 | 引脚)
订购信息

Insulation Lifetime

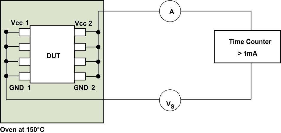
Insulation lifetime projection data is collected by using industry-standard Time Dependent Dielectric Breakdown (TDDB) test method. In this test, all pins on each side of the barrier are tied together creating a two-terminal device and high voltage applied between the two sides; See Figure 8-6 for TDDB test setup. The insulation breakdown data is collected at various high voltages switching at 60 Hz over temperature. For reinforced insulation, VDE standard requires the use of TDDB projection line with failure rate of less than 1 part per million (ppm). Even though the expected minimum insulation lifetime is 20 years at the specified working isolation voltage, VDE reinforced certification requires additional safety margin of 20% for working voltage and 50% for lifetime which translates into minimum required insulation lifetime of 30 years at a working voltage that's 20% higher than the specified value.

Figure 8-7 shows the intrinsic capability of the isolation barrier to withstand high voltage stress over its lifetime. Based on the TDDB data, the intrinsic capability of the insulation is 1500 VRMS with a lifetime of 36 years. Other factors, such as package size, pollution degree, material group, etc. can further limit the working voltage of the component. The working voltage of DW-16 package is specified upto 1500 VRMS and DBQ-16 package up to 400 VRMS. At the lower working voltages, the corresponding insulation lifetime is much longer than 36 years.

ISO7760-Q1 ISO7761-Q1 ISO7762-Q1 ISO7763-Q1 Test Setup for Insulation Lifetime MeasurementFigure 8-6 Test Setup for Insulation Lifetime Measurement
ISO7760-Q1 ISO7761-Q1 ISO7762-Q1 ISO7763-Q1 Insulation Lifetime Projection
                    Data Figure 8-7 Insulation Lifetime Projection Data