ZHCSF82E March   2016  – May 2021 INA199-Q1

PRODUCTION DATA  

  1. 特性
  2. 应用
  3. 说明
  4. 修订历史记录
  5. 器件比较
  6. 引脚配置和功能
  7. 规格
    1. 7.1 绝对最大额定值
    2. 7.2 ESD 等级
    3. 7.3 建议运行条件
    4. 7.4 热性能信息
    5. 7.5 电气特性
    6. 7.6 典型特性
  8. 详细说明
    1. 8.1 概述
    2. 8.2 功能方框图
    3. 8.3 特性说明
      1. 8.3.1 零漂移失调电压
      2. 8.3.2 精度
      3. 8.3.3 增益选项选择
    4. 8.4 器件功能模式
  9. 应用和实现
    1. 9.1 应用信息
      1. 9.1.1 基本连接
      2. 9.1.2 输入滤波
      3. 9.1.3 关断 INA199-Q1
      4. 9.1.4 REF 输入阻抗影响
      5. 9.1.5 使用共模瞬态电压大于 26V 的 INA199-Q1
    2. 9.2 典型应用
      1. 9.2.1 单向运行
        1. 9.2.1.1 设计要求
        2. 9.2.1.2 详细设计过程
        3. 9.2.1.3 应用曲线
      2. 9.2.2 双向运行
        1. 9.2.2.1 设计要求
        2. 9.2.2.2 详细设计过程
        3. 9.2.2.3 应用曲线
  10. 10电源相关建议
  11. 11布局
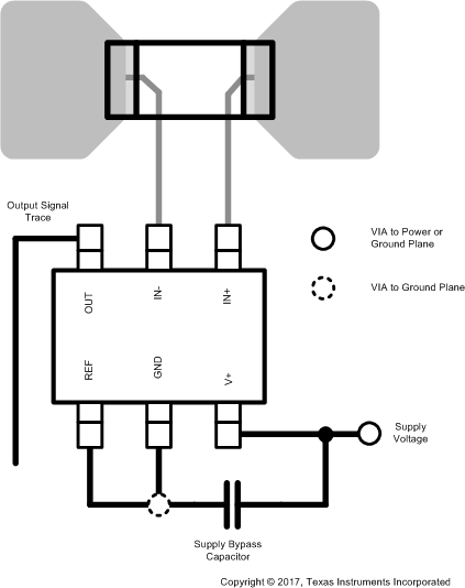
    1. 11.1 布局指南
    2. 11.2 布局示例
  12. 12器件和文档支持
    1. 12.1 文档支持
      1. 12.1.1 相关文档
    2. 12.2 接收文档更新通知
    3. 12.3 支持资源
    4. 12.4 商标
    5. 12.5 Electrostatic Discharge Caution
    6. 12.6 术语表
  13. 13机械、封装和可订购信息

封装选项

机械数据 (封装 | 引脚)
散热焊盘机械数据 (封装 | 引脚)
订购信息

布局示例

GUID-F3678DCF-5DBF-44AF-93AB-379FB16D718B-low.gif图 11-1 建议布局