ZHCSG77H April   2017  – November 2023 INA181 , INA2181 , INA4181

PRODUCTION DATA  

  1.   1
  2. 特性
  3. 应用
  4. 说明
  5. 器件比较
  6. 引脚配置和功能
  7. 规格
    1. 6.1 绝对最大额定值
    2. 6.2 ESD 等级
    3. 6.3 建议运行条件
    4. 6.4 热性能信息
    5. 6.5 电气特性
    6. 6.6 典型特性
  8. 详细说明
    1. 7.1 概述
    2. 7.2 功能方框图
    3. 7.3 特性说明
      1. 7.3.1 高带宽和转换率
      2. 7.3.2 双向电流监测
      3. 7.3.3 宽输入共模电压范围
      4. 7.3.4 精确的低侧电流感应
      5. 7.3.5 轨到轨输出摆幅
    4. 7.4 器件功能模式
      1. 7.4.1 正常模式
      2. 7.4.2 单向模式
      3. 7.4.3 双向模式
      4. 7.4.4 输入差分过载
      5. 7.4.5 关断模式
  9. 应用和实施
    1. 8.1 应用信息
      1. 8.1.1 基本连接
      2. 8.1.2 RSENSE 和器件增益选择
      3. 8.1.3 信号滤波
      4. 8.1.4 对多个电流求和
      5. 8.1.5 检测漏电流
    2. 8.2 典型应用
      1. 8.2.1 设计要求
      2. 8.2.2 详细设计过程
      3. 8.2.3 应用曲线
    3. 8.3 电源相关建议
      1. 8.3.1 共模瞬态电压大于 26V
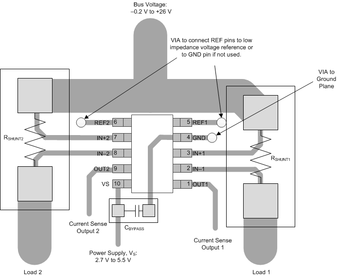
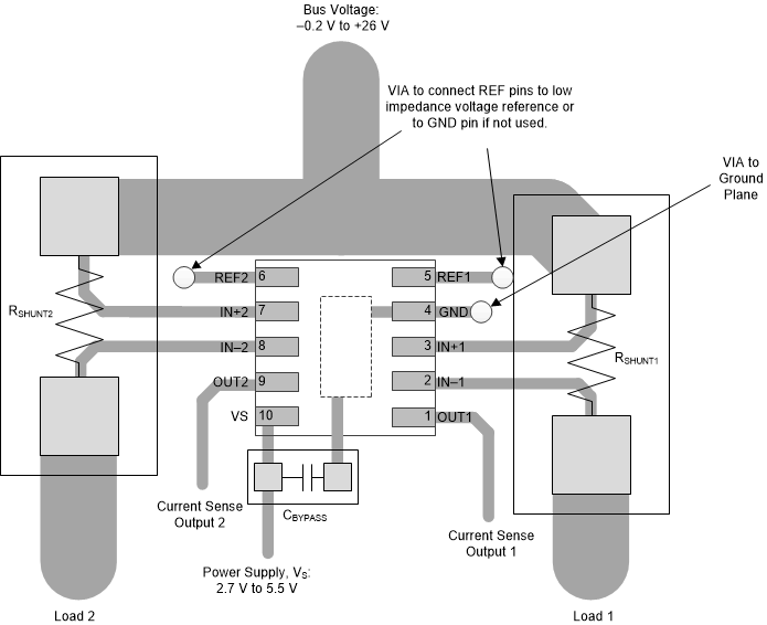
    4. 8.4 布局
      1. 8.4.1 布局指南
      2. 8.4.2 布局示例
  10. 器件和文档支持
    1. 9.1 器件支持
      1. 9.1.1 开发支持
    2. 9.2 文档支持
      1. 9.2.1 相关文档
    3. 9.3 接收文档更新通知
    4. 9.4 支持资源
    5. 9.5 商标
    6. 9.6 静电放电警告
    7. 9.7 术语表
  11. 10修订历史记录
  12. 11机械、封装和可订购信息

封装选项

机械数据 (封装 | 引脚)
散热焊盘机械数据 (封装 | 引脚)
订购信息

布局示例

GUID-20231109-SS0I-GMJX-07WG-CC33QZQJMB78-low.svg图 8-11 单通道推荐布局 (SC70)
GUID-14F109D1-85D5-431C-ACE1-1EC60805C21B-low.gif图 8-12 单通道推荐布局 (SOT-23)
GUID-DAA69756-3C62-4167-97CA-4C71F1B38FC0-low.gif图 8-13 双通道推荐布局 (VSSOP)
GUID-DCE8FEAB-31E5-4514-B1C8-3913DD489049-low.gif图 8-14 双通道推荐布局 (WSON)
GUID-9B740F4E-3BF8-497E-8ECC-A135C1535BF1-low.gif图 8-15 四通道推荐布局