ZHCSDQ8 April   2015 HD3SS2522

PRODUCTION DATA.  

  1. 特性
  2. 应用
  3. 说明
  4. 简化电路原理图
  5. 修订历史记录
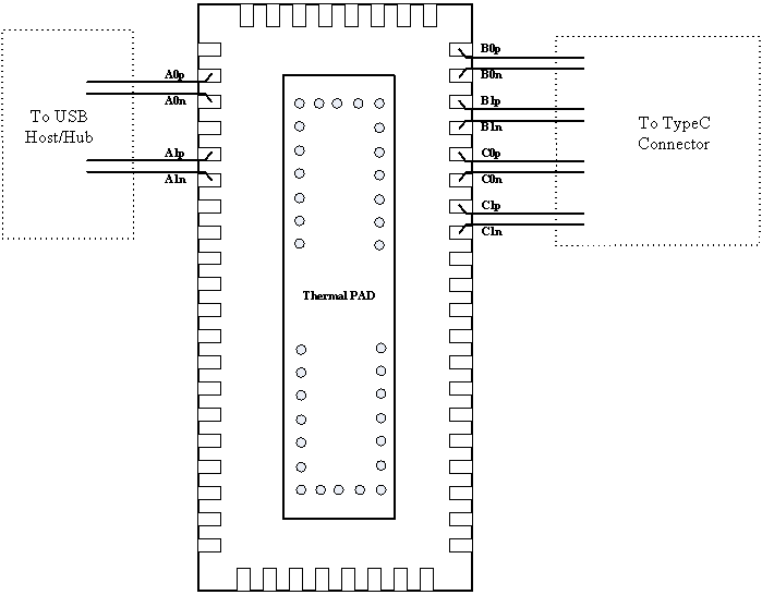
  6. Pin Configuration and Functions
  7. Specifications
    1. 7.1 Absolute Maximum Ratings
    2. 7.2 ESD Ratings
    3. 7.3 Recommended Operating Conditions
    4. 7.4 Thermal Information
    5. 7.5 Electrical Characteristics
    6. 7.6 Timing Requirements
    7. 7.7 Switching Characteristics
  8. Detailed Description
    1. 8.1 Overview
    2. 8.2 Functional Block Diagram
    3. 8.3 Feature Description
      1. 8.3.1 Adaptive Common Mode Tracking for USB 3.1 MUX
      2. 8.3.2 DFP-to-UFP Attach/Detach Detection
      3. 8.3.3 Plug Orientation/Cable Twist Detection
      4. 8.3.4 VBUS Fault
      5. 8.3.5 VCONN Fault
    4. 8.4 Device Functional Modes
      1. 8.4.1 Unattached.DFP State
      2. 8.4.2 Attached.DFP State
  9. Application and Implementation
    1. 9.1 Application Information
    2. 9.2 USB Type-C DFP Typical Application
      1. 9.2.1 Design Requirements
      2. 9.2.2 Detailed Design Procedure
        1. 9.2.2.1 USB Type-C Current Advertising
        2. 9.2.2.2 VCONN and VBUS Power Switch Control
        3. 9.2.2.3 Firmware Upgradability
      3. 9.2.3 USB Type-C DFP Circuit Schematics with a Type C Receptacle
  10. 10Power Supply Recommendations
  11. 11Layout
    1. 11.1 Layout Guidelines
      1. 11.1.1 Critical Routes
      2. 11.1.2 General Routing/Placement Rules
    2. 11.2 Layout Example
  12. 12器件和文档支持
    1. 12.1 商标
    2. 12.2 静电放电警告
    3. 12.3 术语表
  13. 13机械、封装和可订购信息

封装选项

机械数据 (封装 | 引脚)
散热焊盘机械数据 (封装 | 引脚)
订购信息

11 Layout

11.1 Layout Guidelines

11.1.1 Critical Routes

The high speed differential signals must be routed with great care to minimize signal quality degradation between the connector and the source or sink of the high speed signals by following the guidelines provided in this document. Depending on the configuration schemes, the speed of each differential pair can reach a maximum speed of 10 Gbps. These signals are to be routed first before other signals with highest priority.

  • Each differential pair should be routed together with controlled differential impedance of 85 to 90-Ω and 50-Ω common mode impedance. Keep away from other high speed signals. The number of vias should be kept to minimum. Each pair should be separated from adjacent pairs by at least 3 times the signal trace width. Route all differential pairs on the same group of layers (Outer layers or inner layers) if not on the same layer. No 90 degree turns on any of the differential pairs. If bends are used on high speed differential pairs, the angle of the bend should be greater than 135 degrees.
  • Length matching:
    • Keep high speed differential pairs lengths within 5 mil of each other to keep the intra-pair skew minimum. The inter-pair matching of the differential pairs is not as critical as intra-pair matching. The SSTX and SSRX pairs do not have to match while they need to be routed as short as possible.
  • Keep high speed differential pair traces adjacent to ground plane.
  • Do not route differential pairs over any plane split.
  • ESD components on the high speed differential lanes should be placed nearest to the connector in a pass through manner without stubs on the differential path.
  • For ease of routing, the P and N connection of the USB3.1 differential pairs to the HD3SS2522 pins can be swapped.

11.1.2 General Routing/Placement Rules

  • Route all high-speed signals first on un-routed PCB. The stub on USB2 D+ and D- pairs should not exceed 3.5 mm.
  • Follow 20H rule (H is the distance to ref-plane) for separation of the high speed trace from the edge of the plane
  • Minimize parallelism of high speed clocks and other periodic signal traces to high speed lines
  • All differential pairs should be routed on the top or bottom layer (microstrip traces) if possible or on the same group of layers. Vias should only be used in the breakout region of the device to route from the top to bottom layer when necessary. Avoid using vias in the main region of the board at all cost. Use a ground reference via next to signal via. Distance between ground reference via and signal need to be calculated to have similar impedance as traces.
  • All differential signals should not be routed over plane split. Changing signal layers is preferable to crossing plane splits.
  • Use of and proper placement of stitching caps when split plane crossing is unavoidable to account for high-frequency return current path
  • Route differential traces over a continuous plane with no interruptions.
  • Do not route differential traces under power connectors or other interface connectors, crystals, oscillators, or any magnetic source.
  • Route traces away from etching areas like pads, vias, and other signal traces. Try to maintain a 20 mil keep-out distance where possible.
  • Decoupling caps should be placed next to each power terminal on the HD3SS2522. Care should be taken to minimize the stub length of the trace connecting the capacitor to the power pin.
  • Avoid sharing vias between multiple decoupling caps.
  • Place vias as close as possible to the decoupling cap solder pad.
  • Widen VCC/GND planes to reduce effect of static and dynamic IR drop.
  • The VBUS traces/planes must be wide enough to carry max current for the application.

11.2 Layout Example

HD3SS2522 layout_sllsem6.gifFigure 5. Layout