ZHCSJ02A november   2018  – august 2020 DRV5057

PRODUCTION DATA  

  1.   1
  2. 特性
  3. 应用
  4. 说明
  5. Revision History
  6. Pin Configuration and Functions
    1.     Pin Functions
  7. Specifications
    1. 6.1 Absolute Maximum Ratings
    2. 6.2 ESD Ratings
    3. 6.3 Recommended Operating Conditions
    4. 6.4 Thermal Information
    5. 6.5 Electrical Characteristics
    6. 6.6 Magnetic Characteristics
    7. 6.7 Typical Characteristics
  8. Detailed Description
    1. 7.1 Overview
    2. 7.2 Functional Block Diagram
    3. 7.3 Feature Description
      1. 7.3.1 Magnetic Flux Direction
      2. 7.3.2 Sensitivity Linearity
      3. 7.3.3 Operating VCC Ranges
      4. 7.3.4 Sensitivity Temperature Compensation for Magnets
      5. 7.3.5 Power-On Time
      6. 7.3.6 Hall Element Location
    4. 7.4 Device Functional Modes
  9. Application and Implementation
    1. 8.1 Application Information
      1. 8.1.1 Selecting the Sensitivity Option
      2. 8.1.2 Decoding a PWM
        1. 8.1.2.1 Decoding a PWM (Digital)
          1. 8.1.2.1.1 Capture and Compare Timer Interrupt
          2. 8.1.2.1.2 Oversampling and Counting With a Timer Interrupt
          3. 8.1.2.1.3 Accuracy and Resolution
        2. 8.1.2.2 Decoding a PWM (Analog)
    2. 8.2 Typical Applications
      1. 8.2.1 Full-Swing Orientation Example
        1. 8.2.1.1 Design Requirements
        2. 8.2.1.2 Detailed Design Procedure
        3. 8.2.1.3 Application Curve
      2. 8.2.2 Half-Swing Orientation Example
        1. 8.2.2.1 Design Requirements
        2. 8.2.2.2 Detailed Design Procedure
    3. 8.3 What to Do and What Not to Do
  10. Power Supply Recommendations
  11. 10Layout
    1. 10.1 Layout Guidelines
    2. 10.2 Layout Examples
  12. 11Device and Documentation Support
    1. 11.1 Documentation Support
      1. 11.1.1 Related Documentation
    2. 11.2 接收文档更新通知
    3. 11.3 支持资源
    4. 11.4 Trademarks
    5. 11.5 静电放电警告
    6. 11.6 术语表
  13. 12Mechanical, Packaging, and Orderable Information

封装选项

机械数据 (封装 | 引脚)
散热焊盘机械数据 (封装 | 引脚)
订购信息

说明

DRV5057 是一款线性霍尔效应传感器,可按比例响应磁通量密度。该器件可用于在各种应用中进行精确的位置检测。

该器件由 3.3V 或 5V 电源供电。当不存在磁场时,输出产生占空比为 50% 的时钟。输出占空比会随施加的磁通量密度呈线性变化,四个灵敏度选项可以根据所需的感应范围最大限度扩大输出动态范围。南北磁极产生唯一的输出。典型的脉宽调制 (PWM) 载波频率为 2kHz。

它可检测垂直于封装顶部的磁通量,而且两个封装选项提供不同的检测方向。

由于 PWM 信号基于边沿到边沿定时,因此当存在电压噪声或接地电势失配时,可保持信号完整性。该信号适合嘈杂环境中的远距离传输,始终存在的时钟使得系统控制器能够确认具备良好的互连。此外,该器件具有磁体温度补偿功能,可抵消磁体漂移,在 –40°C 至 +125°C 的宽温度范围内实现线性性能。还提供了无磁体漂移温度补偿的器件选项。

器件信息
器件型号 封装(1) 封装尺寸(标称值)
DRV5057 SOT-23 (3) 2.92mm × 1.30mm
TO-92 (3) 4.00mm × 3.15mm
如需了解所有可用封装,请参阅数据表末尾的封装选项附录。

 

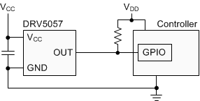
GUID-3E9A1E91-54FF-4CDF-8C72-04FA5DDF793F-low.gif典型原理图
GUID-87D356FB-8EB9-4649-8F9E-8C72B8A35DAC-low.gif磁响应