ZHCSII2E August   2016  – May 2019 DRA790 , DRA791 , DRA793 , DRA797

PRODUCTION DATA.  

  1. 1器件概述
    1. 1.1 特性
    2. 1.2 应用
    3. 1.3 说明
    4. 1.4 功能方框图
  2. 2修订历史记录
  3. 3Device Comparison
    1. 3.1 Related Products
  4. 4Terminal Configuration and Functions
    1. 4.1 Pin Diagram
    2. 4.2 Pin Attributes
    3. 4.3 Signal Descriptions
      1. 4.3.1  VIP
      2. 4.3.2  DSS
      3. 4.3.3  HDMI
      4. 4.3.4  CSI2
      5. 4.3.5  EMIF
      6. 4.3.6  GPMC
      7. 4.3.7  Timers
      8. 4.3.8  I2C
      9. 4.3.9  HDQ1W
      10. 4.3.10 UART
      11. 4.3.11 McSPI
      12. 4.3.12 QSPI
      13. 4.3.13 McASP
      14. 4.3.14 USB
      15. 4.3.15 PCIe
      16. 4.3.16 DCAN
      17. 4.3.17 GMAC_SW
      18. 4.3.18 MLB
      19. 4.3.19 eMMC/SD/SDIO
      20. 4.3.20 GPIO
      21. 4.3.21 KBD
      22. 4.3.22 PWM
      23. 4.3.23 PRU-ICSS
      24. 4.3.24 ATL
      25. 4.3.25 Emulation and Debug Subsystem
      26. 4.3.26 System and Miscellaneous
        1. 4.3.26.1 Sysboot
        2. 4.3.26.2 Power, Reset, and Clock Management (PRCM)
        3. 4.3.26.3 System Direct Memory Access (SDMA)
        4. 4.3.26.4 Interrupt Controllers (INTC)
      27. 4.3.27 Power Supplies
    4. 4.4 Pin Multiplexing
    5. 4.5 Connections for Unused Pins
  5. 5Specifications
    1. 5.1  Absolute Maximum Ratings
    2. 5.2  ESD Ratings
    3. 5.3  Power on Hour (POH) Limits
    4. 5.4  Recommended Operating Conditions
    5. 5.5  Operating Performance Points
      1. 5.5.1 AVS and ABB Requirements
      2. 5.5.2 Voltage And Core Clock Specifications
      3. 5.5.3 Maximum Supported Frequency
    6. 5.6  Power Consumption Summary
    7. 5.7  Electrical Characteristics
      1. Table 5-6  LVCMOS DDR DC Electrical Characteristics
      2. Table 5-7  Dual Voltage LVCMOS I2C DC Electrical Characteristics
      3. Table 5-8  IQ1833 Buffers DC Electrical Characteristics
      4. Table 5-9  IHHV1833 Buffers DC Electrical Characteristics
      5. Table 5-10 LVCMOS CSI2 DC Electrical Characteristics
      6. Table 5-11 BMLB18 Buffers DC Electrical Characteristics
      7. Table 5-12 Dual Voltage SDIO1833 DC Electrical Characteristics
      8. Table 5-13 Dual Voltage LVCMOS DC Electrical Characteristics
      9. 5.7.1      USBPHY DC Electrical Characteristics
      10. 5.7.2      HDMIPHY DC Electrical Characteristics
      11. 5.7.3      PCIEPHY DC Electrical Characteristics
    8. 5.8  VPP Specifications for One-Time Programmable (OTP) eFuses
      1. Table 5-14 Recommended Operating Conditions for OTP eFuse Programming
      2. 5.8.1      Hardware Requirements
      3. 5.8.2      Programming Sequence
      4. 5.8.3      Impact to Your Hardware Warranty
    9. 5.9  Thermal Resistance Characteristics for CBD Package
      1. 5.9.1 Package Thermal Characteristics
    10. 5.10 Timing Requirements and Switching Characteristics
      1. 5.10.1 Timing Parameters and Information
        1. 5.10.1.1 Parameter Information
          1. 5.10.1.1.1 1.8 V and 3.3 V Signal Transition Levels
          2. 5.10.1.1.2 1.8 V and 3.3 V Signal Transition Rates
          3. 5.10.1.1.3 Timing Parameters and Board Routing Analysis
      2. 5.10.2 Interface Clock Specifications
        1. 5.10.2.1 Interface Clock Terminology
        2. 5.10.2.2 Interface Clock Frequency
      3. 5.10.3 Power Supply Sequences
      4. 5.10.4 Clock Specifications
        1. 5.10.4.1 Input Clocks / Oscillators
          1. 5.10.4.1.1 OSC0 External Crystal
          2. 5.10.4.1.2 OSC0 Input Clock
          3. 5.10.4.1.3 Auxiliary Oscillator OSC1 Input Clock
            1. 5.10.4.1.3.1 OSC1 External Crystal
            2. 5.10.4.1.3.2 OSC1 Input Clock
          4. 5.10.4.1.4 RC On-die Oscillator Clock
        2. 5.10.4.2 Output Clocks
        3. 5.10.4.3 DPLLs, DLLs
          1. 5.10.4.3.1 DPLL Characteristics
          2. 5.10.4.3.2 DLL Characteristics
          3. 5.10.4.3.3 DPLL and DLL Noise Isolation
      5. 5.10.5 Recommended Clock and Control Signal Transition Behavior
      6. 5.10.6 Peripherals
        1. 5.10.6.1  Timing Test Conditions
        2. 5.10.6.2  Virtual and Manual I/O Timing Modes
        3. 5.10.6.3  VIP
        4. 5.10.6.4  DSS
        5. 5.10.6.5  HDMI
        6. 5.10.6.6  CSI2
          1. 5.10.6.6.1 CSI-2 MIPI D-PHY
        7. 5.10.6.7  EMIF
        8. 5.10.6.8  GPMC
          1. 5.10.6.8.1 GPMC/NOR Flash Interface Synchronous Timing
          2. 5.10.6.8.2 GPMC/NOR Flash Interface Asynchronous Timing
          3. 5.10.6.8.3 GPMC/NAND Flash Interface Asynchronous Timing
        9. 5.10.6.9  Timers
        10. 5.10.6.10 I2C
          1. Table 5-56 Timing Requirements for I2C Input Timings
          2. Table 5-57 Timing Requirements for I2C HS-Mode (I2C3/4/5/6 Only)
          3. Table 5-58 Switching Characteristics Over Recommended Operating Conditions for I2C Output Timings
        11. 5.10.6.11 HDQ1W
          1. 5.10.6.11.1 HDQ / 1-Wire — HDQ Mode
          2. 5.10.6.11.2 HDQ/1-Wire—1-Wire Mode
        12. 5.10.6.12 UART
          1. Table 5-63 Timing Requirements for UART
          2. Table 5-64 Switching Characteristics Over Recommended Operating Conditions for UART
        13. 5.10.6.13 McSPI
        14. 5.10.6.14 QSPI
        15. 5.10.6.15 McASP
          1. Table 5-71 Timing Requirements for McASP1
          2. Table 5-72 Timing Requirements for McASP2
          3. Table 5-73 Timing Requirements for McASP3/4/5/6/7/8
        16. 5.10.6.16 USB
          1. 5.10.6.16.1 USB1 DRD PHY
          2. 5.10.6.16.2 USB2 PHY
          3. 5.10.6.16.3 USB3 DRD ULPI—SDR—Slave Mode—12-pin Mode
        17. 5.10.6.17 PCIe
        18. 5.10.6.18 DCAN
          1. Table 5-91 Timing Requirements for DCANx Receive
          2. Table 5-92 Switching Characteristics Over Recommended Operating Conditions for DCANx Transmit
        19. 5.10.6.19 GMAC_SW
          1. 5.10.6.19.1 GMAC MII Timings
            1. Table 5-93 Timing Requirements for miin_rxclk - MII Operation
            2. Table 5-94 Timing Requirements for miin_txclk - MII Operation
            3. Table 5-95 Timing Requirements for GMAC MIIn Receive 10/100 Mbit/s
            4. Table 5-96 Switching Characteristics Over Recommended Operating Conditions for GMAC MIIn Transmit 10/100 Mbits/s
          2. 5.10.6.19.2 GMAC MDIO Interface Timings
          3. 5.10.6.19.3 GMAC RMII Timings
            1. Table 5-101 Timing Requirements for GMAC REF_CLK - RMII Operation
            2. Table 5-102 Timing Requirements for GMAC RMIIn Receive
            3. Table 5-103 Switching Characteristics Over Recommended Operating Conditions for GMAC REF_CLK - RMII Operation
            4. Table 5-104 Switching Characteristics Over Recommended Operating Conditions for GMAC RMIIn Transmit 10/100 Mbits/s
          4. 5.10.6.19.4 GMAC RGMII Timings
            1. Table 5-108 Timing Requirements for rgmiin_rxc - RGMIIn Operation
            2. Table 5-109 Timing Requirements for GMAC RGMIIn Input Receive for 10/100/1000 Mbps
            3. Table 5-110 Switching Characteristics Over Recommended Operating Conditions for rgmiin_txctl - RGMIIn Operation for 10/100/1000 Mbit/s
            4. Table 5-111 Switching Characteristics for GMAC RGMIIn Output Transmit for 10/100/1000 Mbps
        20. 5.10.6.20 MLB
        21. 5.10.6.21 eMMC/SD/SDIO
          1. 5.10.6.21.1 MMC1—SD Card Interface
            1. 5.10.6.21.1.1 Default speed, 4-bit data, SDR, half-cycle
            2. 5.10.6.21.1.2 High speed, 4-bit data, SDR, half-cycle
            3. 5.10.6.21.1.3 SDR12, 4-bit data, half-cycle
            4. 5.10.6.21.1.4 SDR25, 4-bit data, half-cycle
            5. 5.10.6.21.1.5 UHS-I SDR50, 4-bit data, half-cycle
            6. 5.10.6.21.1.6 UHS-I SDR104, 4-bit data, half-cycle
            7. 5.10.6.21.1.7 UHS-I DDR50, 4-bit data
          2. 5.10.6.21.2 MMC2 — eMMC
            1. 5.10.6.21.2.1 Standard JC64 SDR, 8-bit data, half cycle
            2. 5.10.6.21.2.2 High-speed JC64 SDR, 8-bit data, half cycle
            3. 5.10.6.21.2.3 High-speed HS200 JEDS84 SDR, 8-bit data, half cycle
            4. 5.10.6.21.2.4 High-speed JC64 DDR, 8-bit data
              1. Table 5-142 Switching Characteristics for MMC2 - JC64 High Speed DDR Mode
          3. 5.10.6.21.3 MMC3 and MMC4—SDIO/SD
            1. 5.10.6.21.3.1 MMC3 and MMC4, SD Default Speed
            2. 5.10.6.21.3.2 MMC3 and MMC4, SD High Speed
            3. 5.10.6.21.3.3 MMC3 and MMC4, SD and SDIO SDR12 Mode
            4. 5.10.6.21.3.4 MMC3 and MMC4, SD SDR25 Mode
            5. 5.10.6.21.3.5 MMC3 SDIO High-Speed UHS-I SDR50 Mode, Half Cycle
        22. 5.10.6.22 GPIO
        23. 5.10.6.23 PRU-ICSS
          1. 5.10.6.23.1 Programmable Real-Time Unit (PRU-ICSS PRU)
            1. 5.10.6.23.1.1 PRU-ICSS PRU Direct Input/Output Mode Electrical Data and Timing
              1. Table 5-164 PRU-ICSS PRU Timing Requirements - Direct Input Mode
              2. Table 5-165 PRU-ICSS PRU Switching Requirements – Direct Output Mode
            2. 5.10.6.23.1.2 PRU-ICSS PRU Parallel Capture Mode Electrical Data and Timing
              1. Table 5-166 PRU-ICSS PRU Timing Requirements - Parallel Capture Mode
            3. 5.10.6.23.1.3 PRU-ICSS PRU Shift Mode Electrical Data and Timing
              1. Table 5-167 PRU-ICSS PRU Timing Requirements – Shift In Mode
              2. Table 5-168 PRU-ICSS PRU Switching Requirements - Shift Out Mode
            4. 5.10.6.23.1.4 PRU-ICSS PRU Sigma Delta and EnDAT Modes
              1. Table 5-169 PRU-ICSS PRU Timing Requirements - Sigma Delta Mode
              2. Table 5-170 PRU-ICSS PRU Timing Requirements - EnDAT Mode
              3. Table 5-171 PRU-ICSS PRU Switching Requirements - EnDAT Mode
          2. 5.10.6.23.2 PRU-ICSS EtherCAT (PRU-ICSS ECAT)
            1. 5.10.6.23.2.1 PRU-ICSS ECAT Electrical Data and Timing
              1. Table 5-172 PRU-ICSS ECAT Timing Requirements – Input Validated With LATCH_IN
              2. Table 5-173 PRU-ICSS ECAT Timing Requirements – Input Validated With SYNCx
              3. Table 5-174 PRU-ICSS ECAT Timing Requirements – Input Validated With Start of Frame (SOF)
              4. Table 5-175 PRU-ICSS ECAT Timing Requirements - LATCHx_IN
              5. Table 5-176 PRU-ICSS ECAT Switching Requirements - Digital IOs
          3. 5.10.6.23.3 PRU-ICSS MII_RT and Switch
            1. 5.10.6.23.3.1 PRU-ICSS MDIO Electrical Data and Timing
              1. Table 5-177 PRU-ICSS MDIO Timing Requirements – MDIO_DATA
              2. Table 5-178 PRU-ICSS MDIO Switching Characteristics - MDIO_CLK
              3. Table 5-179 PRU-ICSS MDIO Switching Characteristics – MDIO_DATA
            2. 5.10.6.23.3.2 PRU-ICSS MII_RT Electrical Data and Timing
              1. Table 5-180 PRU-ICSS MII_RT Timing Requirements – MII[x]_RXCLK
              2. Table 5-181 PRU-ICSS MII_RT Timing Requirements - MII[x]_TXCLK
              3. Table 5-182 PRU-ICSS MII_RT Timing Requirements - MII_RXD[3:0], MII_RXDV, and MII_RXER
              4. Table 5-183 PRU-ICSS MII_RT Switching Characteristics - MII_TXD[3:0] and MII_TXEN
          4. 5.10.6.23.4 PRU-ICSS Universal Asynchronous Receiver Transmitter (PRU-ICSS UART)
            1. Table 5-184 Timing Requirements for PRU-ICSS UART Receive
            2. Table 5-185 Switching Characteristics Over Recommended Operating Conditions for PRU-ICSS UART Transmit
          5. 5.10.6.23.5 PRU-ICSS IOSETs
          6. 5.10.6.23.6 PRU-ICSS Manual Functional Mapping
        24. 5.10.6.24 System and Miscellaneous interfaces
      7. 5.10.7 Emulation and Debug Subsystem
        1. 5.10.7.1 IEEE 1149.1 Standard-Test-Access Port (JTAG)
          1. 5.10.7.1.1 JTAG Electrical Data/Timing
            1. Table 5-202 Timing Requirements for IEEE 1149.1 JTAG
            2. Table 5-203 Switching Characteristics Over Recommended Operating Conditions for IEEE 1149.1 JTAG
            3. Table 5-204 Timing Requirements for IEEE 1149.1 JTAG With RTCK
            4. Table 5-205 Switching Characteristics Over Recommended Operating Conditions for IEEE 1149.1 JTAG With RTCK
        2. 5.10.7.2 Trace Port Interface Unit (TPIU)
          1. 5.10.7.2.1 TPIU PLL DDR Mode
  6. 6Detailed Description
    1. 6.1  Description
    2. 6.2  Functional Block Diagram
    3. 6.3  MPU
    4. 6.4  DSP Subsystem
    5. 6.5  IPU
    6. 6.6  PRU-ICSS
    7. 6.7  Memory Subsystem
      1. 6.7.1 EMIF
      2. 6.7.2 GPMC
      3. 6.7.3 ELM
      4. 6.7.4 OCMC
    8. 6.8  Interprocessor Communication
      1. 6.8.1 MailBox
      2. 6.8.2 Spinlock
    9. 6.9  Interrupt Controller
    10. 6.10 EDMA
    11. 6.11 Peripherals
      1. 6.11.1  VIP
      2. 6.11.2  DSS
      3. 6.11.3  Timers
        1. 6.11.3.1 General-Purpose Timers
        2. 6.11.3.2 32-kHz Synchronized Timer (COUNTER_32K)
        3. 6.11.3.3 Watchdog Timer
      4. 6.11.4  I2C
      5. 6.11.5  UART
        1. 6.11.5.1 UART Features
        2. 6.11.5.2 IrDA Features
        3. 6.11.5.3 CIR Features
      6. 6.11.6  McSPI
      7. 6.11.7  QSPI
      8. 6.11.8  McASP
      9. 6.11.9  USB
      10. 6.11.10 PCIe
      11. 6.11.11 DCAN
      12. 6.11.12 GMAC_SW
      13. 6.11.13 eMMC/SD/SDIO
      14. 6.11.14 GPIO
      15. 6.11.15 ePWM
      16. 6.11.16 eCAP
      17. 6.11.17 eQEP
    12. 6.12 On-chip Debug
  7. 7Applications, Implementation, and Layout
    1. 7.1 Introduction
      1. 7.1.1 Initial Requirements and Guidelines
    2. 7.2 Power Optimizations
      1. 7.2.1 Step 1: PCB Stack-up
      2. 7.2.2 Step 2: Physical Placement
      3. 7.2.3 Step 3: Static Analysis
        1. 7.2.3.1 PDN Resistance and IR Drop
      4. 7.2.4 Step 4: Frequency Analysis
      5. 7.2.5 System ESD Generic Guidelines
        1. 7.2.5.1 System ESD Generic PCB Guideline
        2. 7.2.5.2 Miscellaneous EMC Guidelines to Mitigate ESD Immunity
        3. 7.2.5.3 ESD Protection System Design Consideration
      6. 7.2.6 EMI / EMC Issues Prevention
        1. 7.2.6.1 Signal Bandwidth
        2. 7.2.6.2 Signal Routing
          1. 7.2.6.2.1 Signal Routing—Sensitive Signals and Shielding
          2. 7.2.6.2.2 Signal Routing—Outer Layer Routing
        3. 7.2.6.3 Ground Guidelines
          1. 7.2.6.3.1 PCB Outer Layers
          2. 7.2.6.3.2 Metallic Frames
          3. 7.2.6.3.3 Connectors
          4. 7.2.6.3.4 Guard Ring on PCB Edges
          5. 7.2.6.3.5 Analog and Digital Ground
    3. 7.3 Core Power Domains
      1. 7.3.1 General Constraints and Theory
      2. 7.3.2 Voltage Decoupling
      3. 7.3.3 Static PDN Analysis
      4. 7.3.4 Dynamic PDN Analysis
      5. 7.3.5 Power Supply Mapping
      6. 7.3.6 DPLL Voltage Requirement
      7. 7.3.7 Loss of Input Power Event
      8. 7.3.8 Example PCB Design
        1. 7.3.8.1 Example Stack-up
        2. 7.3.8.2 vdd Example Analysis
    4. 7.4 Single-Ended Interfaces
      1. 7.4.1 General Routing Guidelines
      2. 7.4.2 QSPI Board Design and Layout Guidelines
    5. 7.5 Differential Interfaces
      1. 7.5.1 General Routing Guidelines
      2. 7.5.2 USB 2.0 Board Design and Layout Guidelines
        1. 7.5.2.1 Background
        2. 7.5.2.2 USB PHY Layout Guide
          1. 7.5.2.2.1 General Routing and Placement
          2. 7.5.2.2.2 Specific Guidelines for USB PHY Layout
            1. 7.5.2.2.2.1  Analog, PLL, and Digital Power Supply Filtering
            2. 7.5.2.2.2.2  Analog, Digital, and PLL Partitioning
            3. 7.5.2.2.2.3  Board Stackup
            4. 7.5.2.2.2.4  Cable Connector Socket
            5. 7.5.2.2.2.5  Clock Routings
            6. 7.5.2.2.2.6  Crystals/Oscillator
            7. 7.5.2.2.2.7  DP/DM Trace
            8. 7.5.2.2.2.8  DP/DM Vias
            9. 7.5.2.2.2.9  Image Planes
            10. 7.5.2.2.2.10 Power Regulators
        3. 7.5.2.3 References
      3. 7.5.3 USB 3.0 Board Design and Layout Guidelines
        1. 7.5.3.1 USB 3.0 interface introduction
        2. 7.5.3.2 USB 3.0 General routing rules
      4. 7.5.4 HDMI Board Design and Layout Guidelines
        1. 7.5.4.1 HDMI Interface Schematic
        2. 7.5.4.2 TMDS General Routing Guidelines
        3. 7.5.4.3 TPD5S115
        4. 7.5.4.4 HDMI ESD Protection Device (Required)
        5. 7.5.4.5 PCB Stackup Specifications
        6. 7.5.4.6 Grounding
      5. 7.5.5 PCIe Board Design and Layout Guidelines
        1. 7.5.5.1 PCIe Connections and Interface Compliance
          1. 7.5.5.1.1 Coupling Capacitors
          2. 7.5.5.1.2 Polarity Inversion
        2. 7.5.5.2 Non-standard PCIe connections
          1. 7.5.5.2.1 PCB Stackup Specifications
          2. 7.5.5.2.2 Routing Specifications
            1. 7.5.5.2.2.1 Impedance
            2. 7.5.5.2.2.2 Differential Coupling
            3. 7.5.5.2.2.3 Pair Length Matching
        3. 7.5.5.3 LJCB_REFN/P Connections
      6. 7.5.6 CSI2 Board Design and Routing Guidelines
        1. 7.5.6.1 CSI2_0 MIPI CSI-2 (1.5 Gbps)
          1. 7.5.6.1.1 General Guidelines
          2. 7.5.6.1.2 Length Mismatch Guidelines
            1. 7.5.6.1.2.1 CSI2_0 MIPI CSI-2 (1.5 Gbps)
          3. 7.5.6.1.3 Frequency-domain Specification Guidelines
    6. 7.6 Clock Routing Guidelines
      1. 7.6.1 Oscillator Ground Connection
    7. 7.7 DDR3 Board Design and Layout Guidelines
      1. 7.7.1 DDR3 General Board Layout Guidelines
      2. 7.7.2 DDR3 Board Design and Layout Guidelines
        1. 7.7.2.1  Board Designs
        2. 7.7.2.2  DDR3 EMIF
        3. 7.7.2.3  DDR3 Device Combinations
        4. 7.7.2.4  DDR3 Interface Schematic
          1. 7.7.2.4.1 32-Bit DDR3 Interface
          2. 7.7.2.4.2 16-Bit DDR3 Interface
        5. 7.7.2.5  Compatible JEDEC DDR3 Devices
        6. 7.7.2.6  PCB Stackup
        7. 7.7.2.7  Placement
        8. 7.7.2.8  DDR3 Keepout Region
        9. 7.7.2.9  Bulk Bypass Capacitors
        10. 7.7.2.10 High-Speed Bypass Capacitors
          1. 7.7.2.10.1 Return Current Bypass Capacitors
        11. 7.7.2.11 Net Classes
        12. 7.7.2.12 DDR3 Signal Termination
        13. 7.7.2.13 VREF_DDR Routing
        14. 7.7.2.14 VTT
        15. 7.7.2.15 CK and ADDR_CTRL Topologies and Routing Definition
          1. 7.7.2.15.1 Four DDR3 Devices
            1. 7.7.2.15.1.1 CK and ADDR_CTRL Topologies, Four DDR3 Devices
            2. 7.7.2.15.1.2 CK and ADDR_CTRL Routing, Four DDR3 Devices
          2. 7.7.2.15.2 Two DDR3 Devices
            1. 7.7.2.15.2.1 CK and ADDR_CTRL Topologies, Two DDR3 Devices
            2. 7.7.2.15.2.2 CK and ADDR_CTRL Routing, Two DDR3 Devices
          3. 7.7.2.15.3 One DDR3 Device
            1. 7.7.2.15.3.1 CK and ADDR_CTRL Topologies, One DDR3 Device
            2. 7.7.2.15.3.2 CK and ADDR/CTRL Routing, One DDR3 Device
        16. 7.7.2.16 Data Topologies and Routing Definition
          1. 7.7.2.16.1 DQS and DQ/DM Topologies, Any Number of Allowed DDR3 Devices
          2. 7.7.2.16.2 DQS and DQ/DM Routing, Any Number of Allowed DDR3 Devices
        17. 7.7.2.17 Routing Specification
          1. 7.7.2.17.1 CK and ADDR_CTRL Routing Specification
          2. 7.7.2.17.2 DQS and DQ Routing Specification
  8. 8Device and Documentation Support
    1. 8.1 Device Nomenclature
      1. 8.1.1 Standard Package Symbolization
      2. 8.1.2 Device Naming Convention
    2. 8.2 Tools and Software
    3. 8.3 Documentation Support
    4. 8.4 Related Links
    5. 8.5 Community Resources
    6. 8.6 商标
    7. 8.7 静电放电警告
    8. 8.8 Glossary
  9. 9Mechanical, Packaging, and Orderable Information
    1. 9.1 Packaging Information

封装选项

请参考 PDF 数据表获取器件具体的封装图。

机械数据 (封装 | 引脚)
  • CBD|538
散热焊盘机械数据 (封装 | 引脚)
订购信息

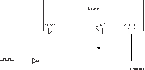
OSC0 Input Clock

A 1.8-V LVCMOS-Compatible Clock Input can be used instead of the internal oscillator to provide the SYS_CLK1 clock input to the system. The external connections to support this are shown in Figure 5-14. The xi_osc0 pin is connected to the 1.8-V LVCMOS-Compatible clock source. The xi_osc0 pin is left unconnected. The vssa_osc0 pin is connected to board ground (VSS).

DRA790 DRA791 DRA793 DRA797 SPRS906_CLK_04.gifFigure 5-14 1.8-V LVCMOS-Compatible Clock Input

Table 5-19 summarizes the OSC0 input clock electrical characteristics.

Table 5-19 OSC0 Input Clock Electrical Characteristics—Bypass Mode

NAME DESCRIPTION MIN TYP MAX UNIT
f Frequency 19.2, 20, 27 MHz
CIN Input capacitance 2.184 2.384 2.584 pF
IIN Input current (3.3V mode) 4 6 10 µA

Table 5-20 details the OSC0 input clock timing requirements.

Table 5-20 OSC0 Input Clock Timing Requirements

NAME DESCRIPTION MIN TYP MAX UNIT
CK0 1 / tc(xiosc0) Frequency, xi_osc0 19.2, 20, 27 MHz
CK1 tw(xiosc0) Pulse duration, xi_osc0 low or high

0.45 × tc(xiosc0)

0.55 × tc(xiosc0) ns
tj(xiosc0) Period jitter(1), xi_osc0 0.01 × tc(xiosc0) ns
tR(xiosc0) Rise time, xi_osc0 5 ns
tF(xiosc0) Fall time, xi_osc0 5 ns
tj(xiosc0) Frequency accuracy(4), xi_osc0 Ethernet and MLB not used ±200 ppm
Ethernet RGMII and RMII using derived clock ±50
Ethernet MII using derived clock ±100
MLB using derived clock ±50
  1. Period jitter is meant here as follows:
  2. – The maximum value is the difference between the longest measured clock period and the expected clock period

    – The minimum value is the difference between the shortest measured clock period and the expected clock period

  3. Crystal characteristics should account for tolerance+stability+aging.
DRA790 DRA791 DRA793 DRA797 SPRS906_CLK_05.gifFigure 5-15 xi_osc0 Input Clock