ZHCSII1F June   2016  – May 2019 DRA710 , DRA712 , DRA714 , DRA716 , DRA718

PRODUCTION DATA.  

  1. 1器件概述
    1. 1.1 特性
    2. 1.2 应用
    3. 1.3 说明
    4. 1.4 功能方框图
  2. 2修订历史记录
  3. 3Device Comparison
    1. 3.1 Related Products
  4. 4Terminal Configuration and Functions
    1. 4.1 Pin Diagram
    2. 4.2 Pin Attributes
    3. 4.3 Signal Descriptions
      1. 4.3.1  VIP
      2. 4.3.2  DSS
      3. 4.3.3  HDMI
      4. 4.3.4  CSI2
      5. 4.3.5  EMIF
      6. 4.3.6  GPMC
      7. 4.3.7  Timers
      8. 4.3.8  I2C
      9. 4.3.9  HDQ1W
      10. 4.3.10 UART
      11. 4.3.11 McSPI
      12. 4.3.12 QSPI
      13. 4.3.13 McASP
      14. 4.3.14 USB
      15. 4.3.15 PCIe
      16. 4.3.16 DCAN
      17. 4.3.17 GMAC_SW
      18. 4.3.18 MLB
      19. 4.3.19 eMMC/SD/SDIO
      20. 4.3.20 GPIO
      21. 4.3.21 KBD
      22. 4.3.22 PWM
      23. 4.3.23 PRU-ICSS
      24. 4.3.24 ATL
      25. 4.3.25 Emulation and Debug Subsystem
      26. 4.3.26 System and Miscellaneous
        1. 4.3.26.1 Sysboot
        2. 4.3.26.2 Power, Reset, and Clock Management (PRCM)
        3. 4.3.26.3 System Direct Memory Access (SDMA)
        4. 4.3.26.4 Interrupt Controllers (INTC)
      27. 4.3.27 Power Supplies
    4. 4.4 Pin Multiplexing
    5. 4.5 Connections for Unused Pins
  5. 5Specifications
    1. 5.1  Absolute Maximum Ratings
    2. 5.2  ESD Ratings
    3. 5.3  Power on Hours (POH) Limits
    4. 5.4  Recommended Operating Conditions
    5. 5.5  Operating Performance Points
      1. 5.5.1 AVS and ABB Requirements
      2. 5.5.2 Voltage And Core Clock Specifications
      3. 5.5.3 Maximum Supported Frequency
    6. 5.6  Power Consumption Summary
    7. 5.7  Electrical Characteristics
      1. Table 5-6  LVCMOS DDR DC Electrical Characteristics
      2. Table 5-7  Dual Voltage LVCMOS I2C DC Electrical Characteristics
      3. Table 5-8  IQ1833 Buffers DC Electrical Characteristics
      4. Table 5-9  IHHV1833 Buffers DC Electrical Characteristics
      5. Table 5-10 LVCMOS CSI2 DC Electrical Characteristics
      6. Table 5-11 BMLB18 Buffers DC Electrical Characteristics
      7. Table 5-12 Dual Voltage SDIO1833 DC Electrical Characteristics
      8. Table 5-13 Dual Voltage LVCMOS DC Electrical Characteristics
      9. 5.7.1      USBPHY DC Electrical Characteristics
      10. 5.7.2      HDMIPHY DC Electrical Characteristics
      11. 5.7.3      PCIEPHY DC Electrical Characteristics
    8. 5.8  VPP Specifications for One-Time Programmable (OTP) eFuses
      1. Table 5-14 Recommended Operating Conditions for OTP eFuse Programming
      2. 5.8.1      Hardware Requirements
      3. 5.8.2      Programming Sequence
      4. 5.8.3      Impact to Your Hardware Warranty
    9. 5.9  Thermal Resistance Characteristics for CBD Package
      1. 5.9.1 Package Thermal Characteristics
    10. 5.10 Timing Requirements and Switching Characteristics
      1. 5.10.1 Timing Parameters and Information
        1. 5.10.1.1 Parameter Information
          1. 5.10.1.1.1 1.8 V and 3.3 V Signal Transition Levels
          2. 5.10.1.1.2 1.8 V and 3.3 V Signal Transition Rates
          3. 5.10.1.1.3 Timing Parameters and Board Routing Analysis
      2. 5.10.2 Interface Clock Specifications
        1. 5.10.2.1 Interface Clock Terminology
        2. 5.10.2.2 Interface Clock Frequency
      3. 5.10.3 Power Supply Sequences
      4. 5.10.4 Clock Specifications
        1. 5.10.4.1 Input Clocks / Oscillators
          1. 5.10.4.1.1 OSC0 External Crystal
          2. 5.10.4.1.2 OSC0 Input Clock
          3. 5.10.4.1.3 Auxiliary Oscillator OSC1 Input Clock
            1. 5.10.4.1.3.1 OSC1 External Crystal
            2. 5.10.4.1.3.2 OSC1 Input Clock
          4. 5.10.4.1.4 RC On-die Oscillator Clock
        2. 5.10.4.2 Output Clocks
        3. 5.10.4.3 DPLLs, DLLs
          1. 5.10.4.3.1 DPLL Characteristics
          2. 5.10.4.3.2 DLL Characteristics
          3. 5.10.4.3.3 DPLL and DLL Noise Isolation
      5. 5.10.5 Recommended Clock and Control Signal Transition Behavior
      6. 5.10.6 Peripherals
        1. 5.10.6.1  Timing Test Conditions
        2. 5.10.6.2  Virtual and Manual I/O Timing Modes
        3. 5.10.6.3  VIP
        4. 5.10.6.4  DSS
        5. 5.10.6.5  HDMI
        6. 5.10.6.6  CSI2
          1. 5.10.6.6.1 CSI-2 MIPI D-PHY
        7. 5.10.6.7  EMIF
        8. 5.10.6.8  GPMC
          1. 5.10.6.8.1 GPMC/NOR Flash Interface Synchronous Timing
          2. 5.10.6.8.2 GPMC/NOR Flash Interface Asynchronous Timing
          3. 5.10.6.8.3 GPMC/NAND Flash Interface Asynchronous Timing
        9. 5.10.6.9  Timers
        10. 5.10.6.10 I2C
          1. Table 5-56 Timing Requirements for I2C Input Timings
          2. Table 5-57 Timing Requirements for I2C HS-Mode (I2C3/4/5/6 Only)
          3. Table 5-58 Switching Characteristics Over Recommended Operating Conditions for I2C Output Timings
        11. 5.10.6.11 HDQ1W
          1. 5.10.6.11.1 HDQ / 1-Wire — HDQ Mode
          2. 5.10.6.11.2 HDQ/1-Wire—1-Wire Mode
        12. 5.10.6.12 UART
          1. Table 5-63 Timing Requirements for UART
          2. Table 5-64 Switching Characteristics Over Recommended Operating Conditions for UART
        13. 5.10.6.13 McSPI
        14. 5.10.6.14 QSPI
        15. 5.10.6.15 McASP
          1. Table 5-71 Timing Requirements for McASP1
          2. Table 5-72 Timing Requirements for McASP2
          3. Table 5-73 Timing Requirements for McASP3/4/5/6/7/8
        16. 5.10.6.16 USB
          1. 5.10.6.16.1 USB1 DRD PHY
          2. 5.10.6.16.2 USB2 PHY
          3. 5.10.6.16.3 USB3 DRD ULPI—SDR—Slave Mode—12-pin Mode
        17. 5.10.6.17 PCIe
        18. 5.10.6.18 DCAN
          1. Table 5-91 Timing Requirements for DCANx Receive
          2. Table 5-92 Switching Characteristics Over Recommended Operating Conditions for DCANx Transmit
        19. 5.10.6.19 GMAC_SW
          1. 5.10.6.19.1 GMAC MII Timings
            1. Table 5-93 Timing Requirements for miin_rxclk - MII Operation
            2. Table 5-94 Timing Requirements for miin_txclk - MII Operation
            3. Table 5-95 Timing Requirements for GMAC MIIn Receive 10/100 Mbit/s
            4. Table 5-96 Switching Characteristics Over Recommended Operating Conditions for GMAC MIIn Transmit 10/100 Mbits/s
          2. 5.10.6.19.2 GMAC MDIO Interface Timings
          3. 5.10.6.19.3 GMAC RMII Timings
            1. Table 5-101 Timing Requirements for GMAC REF_CLK - RMII Operation
            2. Table 5-102 Timing Requirements for GMAC RMIIn Receive
            3. Table 5-103 Switching Characteristics Over Recommended Operating Conditions for GMAC REF_CLK - RMII Operation
            4. Table 5-104 Switching Characteristics Over Recommended Operating Conditions for GMAC RMIIn Transmit 10/100 Mbits/s
          4. 5.10.6.19.4 GMAC RGMII Timings
            1. Table 5-108 Timing Requirements for rgmiin_rxc - RGMIIn Operation
            2. Table 5-109 Timing Requirements for GMAC RGMIIn Input Receive for 10/100/1000 Mbps
            3. Table 5-110 Switching Characteristics Over Recommended Operating Conditions for rgmiin_txctl - RGMIIn Operation for 10/100/1000 Mbit/s
            4. Table 5-111 Switching Characteristics for GMAC RGMIIn Output Transmit for 10/100/1000 Mbps
        20. 5.10.6.20 MLB
        21. 5.10.6.21 eMMC/SD/SDIO
          1. 5.10.6.21.1 MMC1—SD Card Interface
            1. 5.10.6.21.1.1 Default speed, 4-bit data, SDR, half-cycle
            2. 5.10.6.21.1.2 High speed, 4-bit data, SDR, half-cycle
            3. 5.10.6.21.1.3 SDR12, 4-bit data, half-cycle
            4. 5.10.6.21.1.4 SDR25, 4-bit data, half-cycle
            5. 5.10.6.21.1.5 UHS-I SDR50, 4-bit data, half-cycle
            6. 5.10.6.21.1.6 UHS-I SDR104, 4-bit data, half-cycle
            7. 5.10.6.21.1.7 UHS-I DDR50, 4-bit data
          2. 5.10.6.21.2 MMC2 — eMMC
            1. 5.10.6.21.2.1 Standard JC64 SDR, 8-bit data, half cycle
            2. 5.10.6.21.2.2 High-speed JC64 SDR, 8-bit data, half cycle
            3. 5.10.6.21.2.3 High-speed HS200 JEDS84 SDR, 8-bit data, half cycle
            4. 5.10.6.21.2.4 High-speed JC64 DDR, 8-bit data
              1. Table 5-142 Switching Characteristics for MMC2 - JC64 High Speed DDR Mode
          3. 5.10.6.21.3 MMC3 and MMC4—SDIO/SD
            1. 5.10.6.21.3.1 MMC3 and MMC4, SD Default Speed
            2. 5.10.6.21.3.2 MMC3 and MMC4, SD High Speed
            3. 5.10.6.21.3.3 MMC3 and MMC4, SD and SDIO SDR12 Mode
            4. 5.10.6.21.3.4 MMC3 and MMC4, SD SDR25 Mode
            5. 5.10.6.21.3.5 MMC3 SDIO High-Speed UHS-I SDR50 Mode, Half Cycle
        22. 5.10.6.22 GPIO
        23. 5.10.6.23 PRU-ICSS
          1. 5.10.6.23.1 Programmable Real-Time Unit (PRU-ICSS PRU)
            1. 5.10.6.23.1.1 PRU-ICSS PRU Direct Input/Output Mode Electrical Data and Timing
              1. Table 5-164 PRU-ICSS PRU Timing Requirements - Direct Input Mode
              2. Table 5-165 PRU-ICSS PRU Switching Requirements – Direct Output Mode
            2. 5.10.6.23.1.2 PRU-ICSS PRU Parallel Capture Mode Electrical Data and Timing
              1. Table 5-166 PRU-ICSS PRU Timing Requirements - Parallel Capture Mode
            3. 5.10.6.23.1.3 PRU-ICSS PRU Shift Mode Electrical Data and Timing
              1. Table 5-167 PRU-ICSS PRU Timing Requirements – Shift In Mode
              2. Table 5-168 PRU-ICSS PRU Switching Requirements - Shift Out Mode
            4. 5.10.6.23.1.4 PRU-ICSS PRU Sigma Delta and EnDAT Modes
              1. Table 5-169 PRU-ICSS PRU Timing Requirements - Sigma Delta Mode
              2. Table 5-170 PRU-ICSS PRU Timing Requirements - EnDAT Mode
              3. Table 5-171 PRU-ICSS PRU Switching Requirements - EnDAT Mode
          2. 5.10.6.23.2 PRU-ICSS EtherCAT (PRU-ICSS ECAT)
            1. 5.10.6.23.2.1 PRU-ICSS ECAT Electrical Data and Timing
              1. Table 5-172 PRU-ICSS ECAT Timing Requirements – Input Validated With LATCH_IN
              2. Table 5-173 PRU-ICSS ECAT Timing Requirements – Input Validated With SYNCx
              3. Table 5-174 PRU-ICSS ECAT Timing Requirements – Input Validated With Start of Frame (SOF)
              4. Table 5-175 PRU-ICSS ECAT Timing Requirements - LATCHx_IN
              5. Table 5-176 PRU-ICSS ECAT Switching Requirements - Digital IOs
          3. 5.10.6.23.3 PRU-ICSS MII_RT and Switch
            1. 5.10.6.23.3.1 PRU-ICSS MDIO Electrical Data and Timing
              1. Table 5-177 PRU-ICSS MDIO Timing Requirements – MDIO_DATA
              2. Table 5-178 PRU-ICSS MDIO Switching Characteristics - MDIO_CLK
              3. Table 5-179 PRU-ICSS MDIO Switching Characteristics – MDIO_DATA
            2. 5.10.6.23.3.2 PRU-ICSS MII_RT Electrical Data and Timing
              1. Table 5-180 PRU-ICSS MII_RT Timing Requirements – MII[x]_RXCLK
              2. Table 5-181 PRU-ICSS MII_RT Timing Requirements - MII[x]_TXCLK
              3. Table 5-182 PRU-ICSS MII_RT Timing Requirements - MII_RXD[3:0], MII_RXDV, and MII_RXER
              4. Table 5-183 PRU-ICSS MII_RT Switching Characteristics - MII_TXD[3:0] and MII_TXEN
          4. 5.10.6.23.4 PRU-ICSS Universal Asynchronous Receiver Transmitter (PRU-ICSS UART)
            1. Table 5-184 Timing Requirements for PRU-ICSS UART Receive
            2. Table 5-185 Switching Characteristics Over Recommended Operating Conditions for PRU-ICSS UART Transmit
          5. 5.10.6.23.5 PRU-ICSS IOSETs
          6. 5.10.6.23.6 PRU-ICSS Manual Functional Mapping
        24. 5.10.6.24 System and Miscellaneous interfaces
      7. 5.10.7 Emulation and Debug Subsystem
        1. 5.10.7.1 IEEE 1149.1 Standard-Test-Access Port (JTAG)
          1. 5.10.7.1.1 JTAG Electrical Data/Timing
            1. Table 5-202 Timing Requirements for IEEE 1149.1 JTAG
            2. Table 5-203 Switching Characteristics Over Recommended Operating Conditions for IEEE 1149.1 JTAG
            3. Table 5-204 Timing Requirements for IEEE 1149.1 JTAG With RTCK
            4. Table 5-205 Switching Characteristics Over Recommended Operating Conditions for IEEE 1149.1 JTAG With RTCK
        2. 5.10.7.2 Trace Port Interface Unit (TPIU)
          1. 5.10.7.2.1 TPIU PLL DDR Mode
  6. 6Detailed Description
    1. 6.1  Description
    2. 6.2  Functional Block Diagram
    3. 6.3  MPU
    4. 6.4  DSP Subsystem
    5. 6.5  IVA
    6. 6.6  IPU
    7. 6.7  GPU
    8. 6.8  BB2D
    9. 6.9  PRU-ICSS
    10. 6.10 Memory Subsystem
      1. 6.10.1 EMIF
      2. 6.10.2 GPMC
      3. 6.10.3 ELM
      4. 6.10.4 OCMC
    11. 6.11 Interprocessor Communication
      1. 6.11.1 MailBox
      2. 6.11.2 Spinlock
    12. 6.12 Interrupt Controller
    13. 6.13 EDMA
    14. 6.14 Peripherals
      1. 6.14.1  VIP
      2. 6.14.2  DSS
      3. 6.14.3  Timers
        1. 6.14.3.1 General-Purpose Timers
        2. 6.14.3.2 32-kHz Synchronized Timer (COUNTER_32K)
        3. 6.14.3.3 Watchdog Timer
      4. 6.14.4  I2C
      5. 6.14.5  UART
        1. 6.14.5.1 UART Features
        2. 6.14.5.2 IrDA Features
        3. 6.14.5.3 CIR Features
      6. 6.14.6  McSPI
      7. 6.14.7  QSPI
      8. 6.14.8  McASP
      9. 6.14.9  USB
      10. 6.14.10 PCIe
      11. 6.14.11 DCAN
      12. 6.14.12 GMAC_SW
      13. 6.14.13 eMMC/SD/SDIO
      14. 6.14.14 GPIO
      15. 6.14.15 ePWM
      16. 6.14.16 eCAP
      17. 6.14.17 eQEP
    15. 6.15 On-chip Debug
  7. 7Applications, Implementation, and Layout
    1. 7.1 Introduction
      1. 7.1.1 Initial Requirements and Guidelines
    2. 7.2 Power Optimizations
      1. 7.2.1 Step 1: PCB Stack-up
      2. 7.2.2 Step 2: Physical Placement
      3. 7.2.3 Step 3: Static Analysis
        1. 7.2.3.1 PDN Resistance and IR Drop
      4. 7.2.4 Step 4: Frequency Analysis
      5. 7.2.5 System ESD Generic Guidelines
        1. 7.2.5.1 System ESD Generic PCB Guideline
        2. 7.2.5.2 Miscellaneous EMC Guidelines to Mitigate ESD Immunity
        3. 7.2.5.3 ESD Protection System Design Consideration
      6. 7.2.6 EMI / EMC Issues Prevention
        1. 7.2.6.1 Signal Bandwidth
        2. 7.2.6.2 Signal Routing
          1. 7.2.6.2.1 Signal Routing—Sensitive Signals and Shielding
          2. 7.2.6.2.2 Signal Routing—Outer Layer Routing
        3. 7.2.6.3 Ground Guidelines
          1. 7.2.6.3.1 PCB Outer Layers
          2. 7.2.6.3.2 Metallic Frames
          3. 7.2.6.3.3 Connectors
          4. 7.2.6.3.4 Guard Ring on PCB Edges
          5. 7.2.6.3.5 Analog and Digital Ground
    3. 7.3 Core Power Domains
      1. 7.3.1 General Constraints and Theory
      2. 7.3.2 Voltage Decoupling
      3. 7.3.3 Static PDN Analysis
      4. 7.3.4 Dynamic PDN Analysis
      5. 7.3.5 Power Supply Mapping
      6. 7.3.6 DPLL Voltage Requirement
      7. 7.3.7 Loss of Input Power Event
      8. 7.3.8 Example PCB Design
        1. 7.3.8.1 Example Stack-up
        2. 7.3.8.2 vdd Example Analysis
    4. 7.4 Single-Ended Interfaces
      1. 7.4.1 General Routing Guidelines
      2. 7.4.2 QSPI Board Design and Layout Guidelines
    5. 7.5 Differential Interfaces
      1. 7.5.1 General Routing Guidelines
      2. 7.5.2 USB 2.0 Board Design and Layout Guidelines
        1. 7.5.2.1 Background
        2. 7.5.2.2 USB PHY Layout Guide
          1. 7.5.2.2.1 General Routing and Placement
          2. 7.5.2.2.2 Specific Guidelines for USB PHY Layout
            1. 7.5.2.2.2.1  Analog, PLL, and Digital Power Supply Filtering
            2. 7.5.2.2.2.2  Analog, Digital, and PLL Partitioning
            3. 7.5.2.2.2.3  Board Stackup
            4. 7.5.2.2.2.4  Cable Connector Socket
            5. 7.5.2.2.2.5  Clock Routings
            6. 7.5.2.2.2.6  Crystals/Oscillator
            7. 7.5.2.2.2.7  DP/DM Trace
            8. 7.5.2.2.2.8  DP/DM Vias
            9. 7.5.2.2.2.9  Image Planes
            10. 7.5.2.2.2.10 Power Regulators
        3. 7.5.2.3 References
      3. 7.5.3 USB 3.0 Board Design and Layout Guidelines
        1. 7.5.3.1 USB 3.0 interface introduction
        2. 7.5.3.2 USB 3.0 General routing rules
      4. 7.5.4 HDMI Board Design and Layout Guidelines
        1. 7.5.4.1 HDMI Interface Schematic
        2. 7.5.4.2 TMDS General Routing Guidelines
        3. 7.5.4.3 TPD5S115
        4. 7.5.4.4 HDMI ESD Protection Device (Required)
        5. 7.5.4.5 PCB Stackup Specifications
        6. 7.5.4.6 Grounding
      5. 7.5.5 PCIe Board Design and Layout Guidelines
        1. 7.5.5.1 PCIe Connections and Interface Compliance
          1. 7.5.5.1.1 Coupling Capacitors
          2. 7.5.5.1.2 Polarity Inversion
        2. 7.5.5.2 Non-standard PCIe connections
          1. 7.5.5.2.1 PCB Stackup Specifications
          2. 7.5.5.2.2 Routing Specifications
            1. 7.5.5.2.2.1 Impedance
            2. 7.5.5.2.2.2 Differential Coupling
            3. 7.5.5.2.2.3 Pair Length Matching
        3. 7.5.5.3 LJCB_REFN/P Connections
      6. 7.5.6 CSI2 Board Design and Routing Guidelines
        1. 7.5.6.1 CSI2_0 MIPI CSI-2 (1.5 Gbps)
          1. 7.5.6.1.1 General Guidelines
          2. 7.5.6.1.2 Length Mismatch Guidelines
            1. 7.5.6.1.2.1 CSI2_0 MIPI CSI-2 (1.5 Gbps)
          3. 7.5.6.1.3 Frequency-domain Specification Guidelines
    6. 7.6 Clock Routing Guidelines
      1. 7.6.1 Oscillator Ground Connection
    7. 7.7 DDR3 Board Design and Layout Guidelines
      1. 7.7.1 DDR3 General Board Layout Guidelines
      2. 7.7.2 DDR3 Board Design and Layout Guidelines
        1. 7.7.2.1  Board Designs
        2. 7.7.2.2  DDR3 EMIF
        3. 7.7.2.3  DDR3 Device Combinations
        4. 7.7.2.4  DDR3 Interface Schematic
          1. 7.7.2.4.1 32-Bit DDR3 Interface
          2. 7.7.2.4.2 16-Bit DDR3 Interface
        5. 7.7.2.5  Compatible JEDEC DDR3 Devices
        6. 7.7.2.6  PCB Stackup
        7. 7.7.2.7  Placement
        8. 7.7.2.8  DDR3 Keepout Region
        9. 7.7.2.9  Bulk Bypass Capacitors
        10. 7.7.2.10 High-Speed Bypass Capacitors
          1. 7.7.2.10.1 Return Current Bypass Capacitors
        11. 7.7.2.11 Net Classes
        12. 7.7.2.12 DDR3 Signal Termination
        13. 7.7.2.13 VREF_DDR Routing
        14. 7.7.2.14 VTT
        15. 7.7.2.15 CK and ADDR_CTRL Topologies and Routing Definition
          1. 7.7.2.15.1 Four DDR3 Devices
            1. 7.7.2.15.1.1 CK and ADDR_CTRL Topologies, Four DDR3 Devices
            2. 7.7.2.15.1.2 CK and ADDR_CTRL Routing, Four DDR3 Devices
          2. 7.7.2.15.2 Two DDR3 Devices
            1. 7.7.2.15.2.1 CK and ADDR_CTRL Topologies, Two DDR3 Devices
            2. 7.7.2.15.2.2 CK and ADDR_CTRL Routing, Two DDR3 Devices
          3. 7.7.2.15.3 One DDR3 Device
            1. 7.7.2.15.3.1 CK and ADDR_CTRL Topologies, One DDR3 Device
            2. 7.7.2.15.3.2 CK and ADDR/CTRL Routing, One DDR3 Device
        16. 7.7.2.16 Data Topologies and Routing Definition
          1. 7.7.2.16.1 DQS and DQ/DM Topologies, Any Number of Allowed DDR3 Devices
          2. 7.7.2.16.2 DQS and DQ/DM Routing, Any Number of Allowed DDR3 Devices
        17. 7.7.2.17 Routing Specification
          1. 7.7.2.17.1 CK and ADDR_CTRL Routing Specification
          2. 7.7.2.17.2 DQS and DQ Routing Specification
  8. 8Device and Documentation Support
    1. 8.1 Device Nomenclature
      1. 8.1.1 Standard Package Symbolization
      2. 8.1.2 Device Naming Convention
    2. 8.2 Tools and Software
    3. 8.3 Documentation Support
    4. 8.4 Related Links
    5. 8.5 Community Resources
    6. 8.6 商标
    7. 8.7 静电放电警告
    8. 8.8 Glossary
  9. 9Mechanical, Packaging, and Orderable Information
    1. 9.1 Packaging Information

封装选项

请参考 PDF 数据表获取器件具体的封装图。

机械数据 (封装 | 引脚)
  • CBD|538
散热焊盘机械数据 (封装 | 引脚)
订购信息

GPMC/NOR Flash Interface Synchronous Timing

CAUTION

The I/O Timings provided in this section are valid only for some GPMC usage modes when the corresponding Virtual I/O Timings or Manual I/O Timings are configured as described in the tables found in this section.

Table 5-47 and Table 5-48 assume testing over the recommended operating conditions and electrical characteristic conditions below (see Figure 5-23, Figure 5-24, Figure 5-25, Figure 5-26, Figure 5-27 and Figure 5-28).

Table 5-47 GPMC/NOR Flash Interface Timing Requirements - Synchronous Mode - Default

NO. PARAMETER DESCRIPTION MIN MAX UNIT
F12 tsu(dV-clkH) Setup time, read gpmc_ad[15:0] valid before gpmc_clk high 3 ns
F13 th(clkH-dV) Hold time, read gpmc_ad[15:0] valid after gpmc_clk high 1.1 ns
F21 tsu(waitV-clkH) Setup time, gpmc_wait[1:0] valid before gpmc_clk high 2.5 ns
F22 th(clkH-waitV) Hold Time, gpmc_wait[1:0] valid after gpmc_clk high 1.3 ns

NOTE

Wait monitoring support is limited to a WaitMonitoringTime value > 0. For a full description of wait monitoring feature, see the Device TRM.

Table 5-48 GPMC/NOR Flash Interface Switching Characteristics - Synchronous Mode - Default

NO. PARAMETER DESCRIPTION MIN MAX UNIT
F0 tc(clk) Cycle time, output clock gpmc_clk period 11.3 ns
F2 td(clkH-nCSV) Delay time, gpmc_clk rising edge to gpmc_cs[7:0] transition F-1.7 (7) F+4.3 (7) ns
F3 td(clkH-nCSIV) Delay time, gpmc_clk rising edge to gpmc_cs[7:0] invalid E-1.7 (6) E+4.2 (6) ns
F4 td(ADDV-clk) Delay time, gpmc_a[27:0] address bus valid to gpmc_clk first edge B-1.8 (3) B+4.3 (3) ns
F5 td(clkH-ADDIV) Delay time, gpmc_clk rising edge to gpmc_a[27:0] gpmc address bus invalid -1.8 ns
F6 td(nBEV-clk) Delay time, gpmc_ben[1:0] valid to gpmc_clk rising edge B-4.3(3) B+1.5(3) ns
F7 td(clkH-nBEIV) Delay time, gpmc_clk rising edge to gpmc_ben[1:0] invalid D-1.5(5) D+4.3(5) ns
F8 td(clkH-nADV) Delay time, gpmc_clk rising edge to gpmc_advn_ale transition G-1.3 (8) G+4.2 (8) ns
F9 td(clkH-nADVIV) Delay time, gpmc_clk rising edge to gpmc_advn_ale invalid D-1.3 (5) G+4.2 (5) ns
F10 td(clkH-nOE) Delay time, gpmc_clk rising edge to gpmc_oen_ren transition H-1.0 (9) H+3.2 (9) ns
F11 td(clkH-nOEIV) Delay time, gpmc_clk rising edge to gpmc_oen_ren invalid E-1.0 (6) E+3.2 (6) ns
F14 td(clkH-nWE) Delay time, gpmc_clk rising edge to gpmc_wen transition I-0.9 (10) I+4.2 (10) ns
F15 td(clkH-Data) Delay time, gpmc_clk rising edge to gpmc_ad[15:0] data bus transition J-2.1 (11) J+4.6 (11) ns
F17 td(clkH-nBE) Delay time, gpmc_clk rising edge to gpmc_ben[1:0] transition J-1.5 (11) J+4.3 (11) ns
F18 tw(nCSV) Pulse duration, gpmc_cs[7:0] low A (2) ns
F19 tw(nBEV) Pulse duration, gpmc_ben[1:0] low C (4) ns
F20 tw(nADVV) Pulse duration, gpmc_advn_ale low K (12) ns
F23 td(CLK-GPIO) Delay time, gpmc_clk transition to gpio6_16 transition 0.5 7.5 ns

Table 5-49 GPMC/NOR Flash Interface Timing Requirements - Synchronous Mode - Alternate

NO. PARAMETER DESCRIPTION MIN MAX UNIT
F12 tsu(dV-clkH) Setup time, read gpmc_ad[15:0] valid before gpmc_clk high 2.5 ns
F13 th(clkH-dV) Hold time, read gpmc_ad[15:0] valid after gpmc_clk high 1.9 ns
F21 tsu(waitV-clkH) Setup time, gpmc_wait[1:0] valid before gpmc_clk high 2.5 ns
F22 th(clkH-waitV) Hold Time, gpmc_wait[1:0] valid after gpmc_clk high 1.9 ns

Table 5-50 GPMC/NOR Flash Interface Switching Characteristics - Synchronous Mode - Alternate

NO. PARAMETER DESCRIPTION MIN MAX UNIT
F0 tc(clk) Cycle time, output clock gpmc_clk period (13) 15.04 ns
F2 td(clkH-nCSV) Delay time, gpmc_clk rising edge to gpmc_cs[7:0] transition F+0.6 (7) F+7.0 (7) ns
F3 td(clkH-nCSIV) Delay time, gpmc_clk rising edge to gpmc_cs[7:0] invalid E+0.6 (6) E+7.0 (6) ns
F4 td(ADDV-clk) Delay time, gpmc_a[27:0] address bus valid to gpmc_clk first edge B-0.7 (3) B+7.0 (3) ns
F5 td(clkH-ADDIV) Delay time, gpmc_clk rising edge to gpmc_a[27:0] gpmc address bus invalid -0.7 ns
F6 td(nBEV-clk) Delay time, gpmc_ben[1:0] valid to gpmc_clk rising edge B-7.0 B+0.4 ns
F7 td(clkH-nBEIV) Delay time, gpmc_clk rising edge to gpmc_ben[1:0] invalid D-0.4 D+7.0 ns
F8 td(clkH-nADV) Delay time, gpmc_clk rising edge to gpmc_advn_ale transition G+0.7 (8) G+6.1 (8) ns
F9 td(clkH-nADVIV) Delay time, gpmc_clk rising edge to gpmc_advn_ale invalid D+0.7 (5) D+6.1 (5) ns
F10 td(clkH-nOE) Delay time, gpmc_clk rising edge to gpmc_oen_ren transition H+0.7 (9) H+5.1 (9) ns
F11 td(clkH-nOEIV) Delay time, gpmc_clk rising edge to gpmc_oen_ren invalid E+0.7 (6) E+5.1 (6) ns
F14 td(clkH-nWE) Delay time, gpmc_clk rising edge to gpmc_wen transition I+0.7 (10) I+6.1 (10) ns
F15 td(clkH-Data) Delay time, gpmc_clk rising edge to gpmc_ad[15:0] data bus transition J-0.4 (11) J+4.9 (11) ns
F17 td(clkH-nBE) Delay time, gpmc_clk rising edge to gpmc_ben[1:0] transition J-0.4 (11) J+4.9 (11) ns
F18 tw(nCSV) Pulse duration, gpmc_cs[7:0] low A (2) ns
F19 tw(nBEV) Pulse duration, gpmc_ben[1:0] low C (4) ns
F20 tw(nADVV) Pulse duration, gpmc_advn_ale low K (12) ns
F23 td(CLK-GPIO) Delay time, gpmc_clk transition to gpio6_16.clkout1 transition (14) 0.5 7.5 ns
  1. Total GPMC load on any signal at 3.3V must not exceed 10pF.
  2. For single read: A = (CSRdOffTime - CSOnTime) × (TimeParaGranularity + 1) × GPMC_FCLK period
    For burst read: A = (CSRdOffTime - CSOnTime + (n - 1) × PageBurstAccessTime) × (TimeParaGranularity + 1) × GPMC_FCLK period
    For burst write: A = (CSWrOffTime - CSOnTime + (n - 1) × PageBurstAccessTime) × (TimeParaGranularity + 1) × GPMC_FCLK period with n the page burst access number.
  3. B = ClkActivationTime × GPMC_FCLK
  4. For single read: C = RdCycleTime × (TimeParaGranularity + 1) × GPMC_FCLK
    For burst read: C = (RdCycleTime + (n - 1) × PageBurstAccessTime) × (TimeParaGranularity + 1) × GPMC_FCLK
    For Burst write: C = (WrCycleTime + (n - 1) × PageBurstAccessTime) × (TimeParaGranularity + 1) × GPMC_FCLK with n the page burst access number.
  5. For single read: D = (RdCycleTime - AccessTime) × (TimeParaGranularity + 1) × GPMC_FCLK
    For burst read: D = (RdCycleTime - AccessTime) × (TimeParaGranularity + 1) × GPMC_FCLK
    For burst write: D = (WrCycleTime - AccessTime) × (TimeParaGranularity + 1) × GPMC_FCLK
  6. For single read: E = (CSRdOffTime - AccessTime) × (TimeParaGranularity + 1) × GPMC_FCLK
    For burst read: E = (CSRdOffTime - AccessTime) × (TimeParaGranularity + 1) × GPMC_FCLK
    For burst write: E = (CSWrOffTime - AccessTime) × (TimeParaGranularity + 1) × GPMC_FCLK
  7. For nCS falling edge (CS activated):
    Case GpmcFCLKDivider = 0 :
    F = 0.5 × CSExtraDelay × GPMC_FCLK Case GpmcFCLKDivider = 1:
    F = 0.5 × CSExtraDelay × GPMC_FCLK if (ClkActivationTime and CSOnTime are odd) or (ClkActivationTime and CSOnTime are even)
    F = (1 + 0.5 × CSExtraDelay) × GPMC_FCLK otherwise
    Case GpmcFCLKDivider = 2:
    F = 0.5 × CSExtraDelay × GPMC_FCLK if ((CSOnTime - ClkActivationTime) is a multiple of 3)
    F = (1 + 0.5 × CSExtraDelay) × GPMC_FCLK if ((CSOnTime - ClkActivationTime - 1) is a multiple of 3)
    F = (2 + 0.5 × CSExtraDelay) × GPMC_FCLK if ((CSOnTime - ClkActivationTime - 2) is a multiple of 3)
    Case GpmcFCLKDivider = 3:
    F = 0.5 × CSExtraDelay × GPMC_FCLK if ((CSOnTime - ClkActivationTime) is a multiple of 4)
    F = (1 + 0.5 × CSExtraDelay) × GPMC_FCLK if ((CSOnTime - ClkActivationTime - 1) is a multiple of 4)
    F = (2 + 0.5 × CSExtraDelay) × GPMC_FCLK if ((CSOnTime - ClkActivationTime - 2) is a multiple of 4)
    F = (3 + 0.5 × CSExtraDelay) × GPMC_FCLK if ((CSOnTime - ClkActivationTime - 3) is a multiple of 4)
  8. For ADV falling edge (ADV activated):
    Case GpmcFCLKDivider = 0 :
    G = 0.5 × ADVExtraDelay × GPMC_FCLK
    Case GpmcFCLKDivider = 1:
    G = 0.5 × ADVExtraDelay × GPMC_FCLK if (ClkActivationTime and ADVOnTime are odd) or (ClkActivationTime and ADVOnTime are even)
    G = (1 + 0.5 × ADVExtraDelay) × GPMC_FCLK otherwise
    Case GpmcFCLKDivider = 2:
    G = 0.5 × ADVExtraDelay × GPMC_FCLK if ((ADVOnTime - ClkActivationTime) is a multiple of 3)
    G = (1 + 0.5 × ADVExtraDelay) × GPMC_FCLK if ((ADVOnTime - ClkActivationTime - 1) is a multiple of 3)
    G = (2 + 0.5 × ADVExtraDelay) × GPMC_FCLK if ((ADVOnTime - ClkActivationTime - 2) is a multiple of 3)
    For ADV rising edge (ADV desactivated) in Reading mode:
    Case GpmcFCLKDivider = 0:
    G = 0.5 × ADVExtraDelay × GPMC_FCLK
    Case GpmcFCLKDivider = 1:
    G = 0.5 × ADVExtraDelay × GPMC_FCLK if (ClkActivationTime and ADVRdOffTime are odd) or (ClkActivationTime and ADVRdOffTime are even)
    G = (1 + 0.5 × ADVExtraDelay) × GPMC_FCLK otherwise
    Case GpmcFCLKDivider = 2:
    G = 0.5 × ADVExtraDelay × GPMC_FCLK if ((ADVRdOffTime - ClkActivationTime) is a multiple of 3)
    G = (1 + 0.5 × ADVExtraDelay) × GPMC_FCLK if ((ADVRdOffTime - ClkActivationTime - 1) is a multiple of 3)
    G = (2 + 0.5 × ADVExtraDelay) × GPMC_FCLK if ((ADVRdOffTime - ClkActivationTime - 2) is a multiple of 3)
    Case GpmcFCLKDivider = 3:
    G = 0.5 × ADVExtraDelay × GPMC_FCLK if ((ADVRdOffTime - ClkActivationTime) is a multiple of 4)
    G = (1 + 0.5 × ADVExtraDelay) × GPMC_FCLK if ((ADVRdOffTime - ClkActivationTime - 1) is a multiple of 4)
    G = (2 + 0.5 × ADVExtraDelay) × GPMC_FCLK if ((ADVRdOffTime - ClkActivationTime - 2) is a multiple of 4)
    G = (3 + 0.5 × ADVExtraDelay) × GPMC_FCLK if ((ADVRdOffTime - ClkActivationTime - 3) is a multiple of 4)
    For ADV rising edge (ADV desactivated) in Writing mode:
    Case GpmcFCLKDivider = 0:
    G = 0.5 × ADVExtraDelay × GPMC_FCLK
    Case GpmcFCLKDivider = 1:
    G = 0.5 × ADVExtraDelay × GPMC_FCLK if (ClkActivationTime and ADVWrOffTime are odd) or (ClkActivationTime and ADVWrOffTime are even)
    G = (1 + 0.5 × ADVExtraDelay) × GPMC_FCLK otherwise
    Case GpmcFCLKDivider = 2:
    G = 0.5 × ADVExtraDelay × GPMC_FCLK if ((ADVWrOffTime - ClkActivationTime) is a multiple of 3)
    G = (1 + 0.5 × ADVExtraDelay) × GPMC_FCLK if ((ADVWrOffTime - ClkActivationTime - 1) is a multiple of 3)
    G = (2 + 0.5 × ADVExtraDelay) × GPMC_FCLK if ((ADVWrOffTime - ClkActivationTime - 2) is a multiple of 3)
    Case GpmcFCLKDivider = 3:
    G = 0.5 × ADVExtraDelay × GPMC_FCLK if ((ADVWrOffTime - ClkActivationTime) is a multiple of 4)
    G = (1 + 0.5 × ADVExtraDelay) × GPMC_FCLK if ((ADVWrOffTime - ClkActivationTime - 1) is a multiple of 4)
    G = (2 + 0.5 × ADVExtraDelay) × GPMC_FCLK if ((ADVWrOffTime - ClkActivationTime - 2) is a multiple of 4)
    G = (3 + 0.5 × ADVExtraDelay) × GPMC_FCLK if ((ADVWrOffTime - ClkActivationTime - 3) is a multiple of 4)
  9. For OE falling edge (OE activated):
    Case GpmcFCLKDivider = 0:
    - H = 0.5 × OEExtraDelay × GPMC_FCLK
    Case GpmcFCLKDivider = 1:
    - H = 0.5 × OEExtraDelay × GPMC_FCLK if (ClkActivationTime and OEOnTime are odd) or (ClkActivationTime and OEOnTime are even)
    - H = (1 + 0.5 × OEExtraDelay) × GPMC_FCLK otherwise
    Case GpmcFCLKDivider = 2:
    - H = 0.5 × OEExtraDelay × GPMC_FCLK if ((OEOnTime - ClkActivationTime) is a multiple of 3)
    - H = (1 + 0.5 × OEExtraDelay) × GPMC_FCLK if ((OEOnTime - ClkActivationTime - 1) is a multiple of 3)
    - H = (2 + 0.5 × OEExtraDelay) × GPMC_FCLK if ((OEOnTime - ClkActivationTime - 2) is a multiple of 3)
    Case GpmcFCLKDivider = 3:
    - H = 0.5 × OEExtraDelay × GPMC_FCLK if ((OEOnTime - ClkActivationTime) is a multiple of 4)
    - H = (1 + 0.5 × OEExtraDelay) × GPMC_FCLK if ((OEOnTime - ClkActivationTime - 1) is a multiple of 4)
    - H = (2 + 0.5 × OEExtraDelay) × GPMC_FCLK if ((OEOnTime - ClkActivationTime - 2) is a multiple of 4)
    - H = (3 + 0.5 × OEExtraDelay)) × GPMC_FCLK if ((OEOnTime - ClkActivationTime - 3) is a multiple of 4)
    For OE rising edge (OE desactivated):
    Case GpmcFCLKDivider = 0:
    - H = 0.5 × OEExtraDelay × GPMC_FCLK
    Case GpmcFCLKDivider = 1:
    - H = 0.5 × OEExtraDelay × GPMC_FCLK if (ClkActivationTime and OEOffTime are odd) or (ClkActivationTime and OEOffTime are even)
    - H = (1 + 0.5 × OEExtraDelay) × GPMC_FCLK otherwise
    Case GpmcFCLKDivider = 2:
    - H = 0.5 × OEExtraDelay × GPMC_FCLK if ((OEOffTime - ClkActivationTime) is a multiple of 3)
    - H = (1 + 0.5 × OEExtraDelay) × GPMC_FCLK if ((OEOffTime - ClkActivationTime - 1) is a multiple of 3)
    - H = (2 + 0.5 × OEExtraDelay) × GPMC_FCLK if ((OEOffTime - ClkActivationTime - 2) is a multiple of 3)
    Case GpmcFCLKDivider = 3:
    - H = 0.5 × OEExtraDelay × GPMC_FCLK if ((OEOffTime - ClkActivationTime) is a multiple of 4)
    - H = (1 + 0.5 × OEExtraDelay) × GPMC_FCLK if ((OEOffTime - ClkActivationTime - 1) is a multiple of 4)
    - H = (2 + 0.5 × OEExtraDelay) × GPMC_FCLK if ((OEOffTime - ClkActivationTime - 2) is a multiple of 4)
    - H = (3 + 0.5 × OEExtraDelay) × GPMC_FCLK if ((OEOffTime - ClkActivationTime - 3) is a multiple of 4)
  10. For WE falling edge (WE activated):
    Case GpmcFCLKDivider = 0:
    - I = 0.5 × WEExtraDelay × GPMC_FCLK
    Case GpmcFCLKDivider = 1:
    - I = 0.5 × WEExtraDelay × GPMC_FCLK if (ClkActivationTime and WEOnTime are odd) or (ClkActivationTime and WEOnTime are even)
    - I = (1 + 0.5 × WEExtraDelay) × GPMC_FCLK otherwise
    Case GpmcFCLKDivider = 2:
    - I = 0.5 × WEExtraDelay × GPMC_FCLK if ((WEOnTime - ClkActivationTime) is a multiple of 3)
    - I = (1 + 0.5 × WEExtraDelay) × GPMC_FCLK if ((WEOnTime - ClkActivationTime - 1) is a multiple of 3)
    - I = (2 + 0.5 × WEExtraDelay) × GPMC_FCLK if ((WEOnTime - ClkActivationTime - 2) is a multiple of 3)
    Case GpmcFCLKDivider = 3:
    - I = 0.5 × WEExtraDelay × GPMC_FCLK if ((WEOnTime - ClkActivationTime) is a multiple of 4)
    - I = (1 + 0.5 × WEExtraDelay) × GPMC_FCLK if ((WEOnTime - ClkActivationTime - 1) is a multiple of 4)
    - I = (2 + 0.5 × WEExtraDelay) × GPMC_FCLK if ((WEOnTime - ClkActivationTime - 2) is a multiple of 4)
    - I = (3 + 0.5 × WEExtraDelay) × GPMC_FCLK if ((WEOnTime - ClkActivationTime - 3) is a multiple of 4)
    For WE rising edge (WE desactivated):
    Case GpmcFCLKDivider = 0:
    - I = 0.5 × WEExtraDelay × GPMC_FCLK
    Case GpmcFCLKDivider = 1:
    - I = 0.5 × WEExtraDelay × GPMC_FCLK if (ClkActivationTime and WEOffTime are odd) or (ClkActivationTime and WEOffTime are even)
    - I = (1 + 0.5 × WEExtraDelay) × GPMC_FCLK otherwise
    Case GpmcFCLKDivider = 2:
    - I = 0.5 × WEExtraDelay × GPMC_FCLK if ((WEOffTime - ClkActivationTime) is a multiple of 3)
    - I = (1 + 0.5 × WEExtraDelay) × GPMC_FCLK if ((WEOffTime - ClkActivationTime - 1) is a multiple of 3)
    - I = (2 + 0.5 × WEExtraDelay) × GPMC_FCLK if ((WEOffTime - ClkActivationTime - 2) is a multiple of 3)
    Case GpmcFCLKDivider = 3:
    - I = 0.5 × WEExtraDelay × GPMC_FCLK if ((WEOffTime - ClkActivationTime) is a multiple of 4)
    - I = (1 + 0.5 × WEExtraDelay) × GPMC_FCLK if ((WEOffTime - ClkActivationTime - 1) is a multiple of 4)
    - I = (2 + 0.5 × WEExtraDelay) × GPMC_FCLK if ((WEOffTime - ClkActivationTime - 2) is a multiple of 4)
    - I = (3 + 0.5 × WEExtraDelay) × GPMC_FCLK if ((WEOffTime - ClkActivationTime - 3) is a multiple of 4)
  11. J = GPMC_FCLK period, where GPMC_FCLK is the General Purpose Memory Controller internal functional clock
  12. For read:
    K = (ADVRdOffTime - ADVOnTime) × (TimeParaGranularity + 1) × GPMC_FCLK
    For write: K = (ADVWrOffTime - ADVOnTime) × (TimeParaGranularity + 1) × GPMC_FCLK
  13. The gpmc_clk output clock maximum and minimum frequency is programmable in the I/F module by setting the GPMC_CONFIG1_CSx configuration register bit fields GpmcFCLKDivider
  14. gpio6_16 programmed to MUXMODE=9 (clkout1), CM_CLKSEL_CLKOUTMUX1 programmed to 7 (CORE_DPLL_OUT_DCLK), CM_CLKSEL_CORE_DPLL_OUT_CLK_CLKOUTMUX programmed to 1.
  15. CSEXTRADELAY = 0, ADVEXTRADELAY = 0, WEEXTRADELAY = 0, OEEXTRADELAY = 0. Extra half-GPMC_FCLK cycle delay mode is not timed.
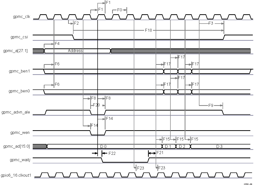
DRA710 DRA712 DRA714 DRA716 DRA718 SPRS906_TIMING_GPMC_01.gifFigure 5-23 GPMC / Multiplexed 16bits NOR Flash - Synchronous Single Read -
(GpmcFCLKDivider = 0)(1)(2)

  1. In gpmc_csi, i = 0 to 7.
  2. In gpmc_waitj, j = 0 to 1.
DRA710 DRA712 DRA714 DRA716 DRA718 SPRS906_TIMING_GPMC_02.gifFigure 5-24 GPMC / Nonmultiplexed 16bits NOR Flash - Synchronous Single Read -
(GpmcFCLKDivider = 0)(1)(2)

  1. In gpmc_csi, i = 0 to 7.
  2. In gpmc_waitj, j = 0 to 1.
DRA710 DRA712 DRA714 DRA716 DRA718 SPRS906_TIMING_GPMC_03.gifFigure 5-25 GPMC / Multiplexed 16bits NOR Flash - Synchronous Burst Read 4x16 bits -
(GpmcFCLKDivider = 0)(1)(2)
  1. In gpmc_csi, i= 0 to 7.
  2. In gpmc_waitj, j = 0 to 1.
DRA710 DRA712 DRA714 DRA716 DRA718 SPRS906_TIMING_GPMC_04.gifFigure 5-26 GPMC / Nonmultiplexed 16bits NOR Flash - Synchronous Burst Read 4x16 bits -
(GpmcFCLKDivider = 0)(1)(2)
  1. In gpmc_csi, i = 0 to 7.
  2. In gpmc_waitj, j = 0 to 1.
DRA710 DRA712 DRA714 DRA716 DRA718 SPRS906_TIMING_GPMC_05.gifFigure 5-27 GPMC / Multiplexed 16bits NOR Flash - Synchronous Burst Write 4x16bits -
(GpmcFCLKDivider = 0)(1)(2)
  1. In “gpmc_csi”, i = 0 to 7.
  2. In “gpmc_waitj”, j = 0 to 1.
DRA710 DRA712 DRA714 DRA716 DRA718 SPRS906_TIMING_GPMC_06.gifFigure 5-28 GPMC / Nonmultiplexed 16bits NOR Flash - Synchronous Burst Write 4x16bits - (GpmcFCLKDivider = 0)(1)(2)
  1. In “gpmc_csi”, i = 1 to 7.
  2. In “gpmc_waitj”, j = 0 to 1.