ZHCSD21 October 2014 DLP6500FLQ
PRODUCTION DATA.
| SUPPLY VOLTAGES | MIN | MAX | UNIT | |
|---|---|---|---|---|
| VCC | Supply voltage for LVCMOS core logic (2) | –0.5 | 4 | V |
| VCCI | Supply voltage for LVDS receivers (2) | –0.5 | 4 | V |
| VOFFSET | Supply voltage for HVCMOS and micromirror electrode(2)(3) | –0.5 | 9 | V |
| VBIAS | Supply voltage for micromirror electrode (2) | –0.5 | 17 | V |
| VRESET | Supply voltage for micromirror electrode(2) | –11 | 0.5 | V |
| | VCC – VCCI | | Supply voltage delta (absolute value) (4) | 0.3 | V | |
| | VBIAS – VOFFSET | | Supply voltage delta (absolute value)(5) | 8.75 | V | |
| INPUT VOLTAGES | ||||
| Input voltage for all other LVCMOS input pins (2) | –0.5 | VCC + 0.3 | V | |
| Input voltage for all other LVDS input pins(2) | –0.5 | VCCI + 0.3 | V | |
| |VID| | Input differential voltage (absolute value)(2)(6) | 700 | mV | |
| IID | Input differential current (7) | 7 | mA | |
| CLOCKS | ||||
| ƒclock | Clock frequency for LVDS interface, DCLK_A | 460 | MHz | |
| Clock frequency for LVDS interface, DCLK_B | 460 | MHz | ||
| Clock frequency for LVDS interface, DCLK_C | 460 | MHz | ||
| Clock frequency for LVDS interface, DCLK_D | 460 | MHz | ||
| ENVIRONMENTAL | ||||
| TCASE | Case temperature: operational(8)(9) | 0 | 70 | °C |
| Case temperature: non–operational (9) | –40 | 80 | °C | |
| Differential temperature(8) | 10 | °C | ||
| Operating relative humidity ( non-condensing ) | 0 | 95% | ||
| MIN | MAX | UNIT | |||
|---|---|---|---|---|---|
| Tstg | Storage temperature range (non-operating)(1)(2)(3) | –40 | 80 | °C | |
| Storage humidity, non – condensing(1)(2)(3) | 0% | 95% | RH | ||
| V(ESD) | Electrostatic discharge | All pins, human body model (HBM), per ANSI/ESDA/JEDEC JS-001(4) |
2000 | V | |
| MIN | NOM | MAX | UNIT | ||
|---|---|---|---|---|---|
| SUPPLY VOLTAGES(1)(2) | |||||
| VCC | Supply voltage for LVCMOS core logic | 3.0 | 3.3 | 3.6 | V |
| VCCI | Supply voltage for LVDS receivers | 3.0 | 3.3 | 3.6 | V |
| VOFFSET | Supply voltage for HVCMOS and micromirror electrodes(3) | 8.25 | 8.5 | 8.75 | V |
| VBIAS | Supply voltage for micromirror electrodes | 15.5 | 16 | 16.5 | V |
| VRESET | Mirror electrode voltage | –9.5 | –10 | –10.5 | V |
| | VCCI–VCC | | Supply voltage delta (absolute value) (4) | 0.3 | V | ||
| | VBIAS–VOFFSET | | Supply voltage delta (absolute value) (5) | 8.75 | V | ||
| LVCMOS PINS | |||||
| VIH | High level Input voltage(6) | 1.7 | 2.5 | VCC + 0.3 | V |
| VIL | Low level Input voltage(6) | –0.3 | 0.7 | V | |
| IOH | High level output current at VOH = 2.4 V | –20 | mA | ||
| IOL | Low level output current at VOL = 0.4 V | 15 | mA | ||
| TPWRDNZ | PWRDNZ pulse width(7) | 10 | ns | ||
| SCP INTERFACE(5) | |||||
| ƒclock | SCP clock frequency(8) | 500 | kHz | ||
| tSCP_SKEW | Time between valid SCPDI and rising edge of SCPCLK(9) | –800 | 800 | ns | |
| tSCP_DELAY | Time between valid SCPDO and rising edge of SCPCLK(9) | 700 | ns | ||
| tSCP_BYTE_INTERVAL_ | Time between consecutive bytes | 1 | µs | ||
| tSCP_NEG_ENZ | Time between falling edge of SCPENZ and the first rising edge of SCPCLK | 30 | ns | ||
| tSCP_PW_ENZ | SCPENZ inactive pulse width (high level) | 1 | µs | ||
| tSCP_OUT_EN | Time required for SCP output buffer to recover after SCPENZ (from tri-state) | 1.5 | ns | ||
| ƒclock | SCP circuit clock oscillator frequency(10) | 9.6 | 11.1 | MHz | |
| LVDS INTERFACE | |||||
| ƒclock | Clock frequency DCLK | 400 | MHz | ||
| | VID | | Input differential voltage (absolute value)(11) | 100 | 400 | 600 | mV |
| VCM | Common mode(11) | 1200 | mV | ||
| VLVDS | LVDS voltage(11) | 0 | 2000 | mV | |
| tLVDS_RSTZ | Time required for LVDS receivers to recover from PWRDNZ | 10 | ns | ||
| ZIN | Internal differential termination resistance | 95 | 105 | Ω | |
| ZLINE | Line differential impedance (PWB/trace) | 90 | 100 | 110 | Ω |
| ENVIRONMENTAL(12) | For Illumination Source between 420 and 700 nm | ||||
| TDMD | DMD temperature – operational(13)(14) | 10 | 40 to 70(14) | °C | |
| TWINDOW | Window temperature – operational | 70 | °C | ||
| TGRADIENT | Device temperature gradient – operational(15) | 10 | °C | ||
| ILLVIS | Illumination, wavelengths between 420 and 700 nm | Thermally Limited(16) | mW /cm2 | ||
| ENVIRONMENTAL(12) | For Illumination Source between 400 and 420 nm | ||||
| TDMD | DMD temperature – operational(13)(14) | 20 | 30(14) | °C | |
| TGRADIENT | Device temperature gradient – operational (15) | 10 | °C | ||
| ILLVIS | Illumination, wavelengths between 400 and 420 nm | 2.5 | W/cm2 | ||
| ENVIRONMENTAL(12) | For Illumination Source <420 and >700 nm | ||||
| TDMD | DMD temperature – operational(13)(14) | 10 | 40 to 70(14) | °C | |
| TWINDOW | Window temperature – operational | 70 | °C | ||
| TGRADIENT | Device temperature gradient – operational(15) | 10 | °C | ||
| ILLUV | Illumination, wavelength < 400 nm | 0.68 | mW /cm2 | ||
| ILLIR | Illumination, wavelength > 700 nm | 10 | mW /cm2 | ||
Figure 1. Max Recommended DMD Temperature – Derating Curve
| THERMAL METRIC(1) | MIN | DLP6500FLQ FLQ (203) |
MAX | UNIT |
|---|---|---|---|---|
| Active Area to Case Ceramic Thermal resistance (1) | 0.7 | °C/W |
| PARAMETER | DESCRIPTION | TEST CONDITIONS(1) | MIN | TYP | MAX | UNIT |
|---|---|---|---|---|---|---|
| VOH | High-level output voltage | VCC = 3 V, IOH = –20 mA | 2.4 | V | ||
| VOL | Low level output voltage | VCC = 3.6 V, IOL = 15 mA | 0.4 | V | ||
| IIH | High–level input current(2)(3) | VCC = 3.6 V , VI = VCC | 250 | µA | ||
| IIL | Low level input current | VCC = 3.6 V, VI = 0 | –250 | µA | ||
| IOZ | High–impedance output current | VCC = 3.6 V | 10 | µA | ||
| CURRENT | ||||||
| ICC | Supply current(4) | VCC = 3.6 V | 1076 | mA | ||
| ICCI | Supply current(4) | VCCI = 3.6 V | 518 | |||
| IOFFSET | Supply current(5) | VOFFSET = 8.75 V | 4 | mA | ||
| IBIAS | Supply current(5) | VBIAS = 16.5 V | 14 | |||
| IRESET | Supply current | VRESET = –10.5 V | 11 | mA | ||
| ITOTAL | Supply current | Total Sum | 1623 | |||
| POWER | ||||||
| PCC | Supply power dissipation | VCC = 3.6 V | 3874 | mW | ||
| PCCI | VCCI = 3.6 V | 1865 | ||||
| POFFSET | VOFFSET = 8.75 V | 35 | ||||
| PBIAS | VBIAS = 16.5 V | 231 | ||||
| PRESET | VRESET = –10.5 V | 116 | ||||
| PTOTAL | Supply power dissipation(6) | Total Sum | 6300 | |||
| CAPACITANCE | ||||||
| CI | Input capacitance | ƒ = 1 MHz | 10 | pF | ||
| CO | Output capacitance | ƒ = 1 MHz | 10 | pF | ||
| CM | Reset group capacitance MBRST(14:0) | ƒ = 1 MHz; 1920 × 72 micromirrors | 330 | 390 | pF | |
| DESCRIPTION(1) | MIN | TYP | MAX | UNIT | |||
|---|---|---|---|---|---|---|---|
| SCP INTERFACE(2) | |||||||
| tr | Rise time | 20% to 80% | 200 | ns | |||
| tƒ | Fall time | 80% to 20% | 200 | ns | |||
| LVDS INTERFACE(2) | |||||||
| tr | Rise time | 20% to 80% | 100 | 400 | ps | ||
| tƒ | Fall time | 80% to 20% | 100 | 400 | ps | ||
| LVDS CLOCKS(3) | |||||||
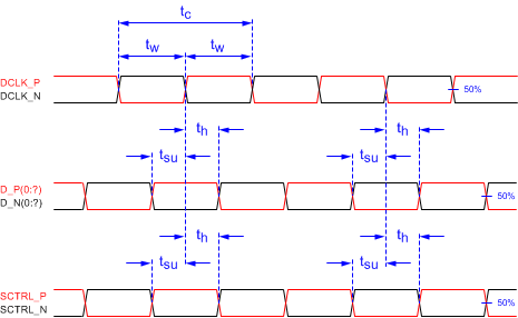
| tc | Cycle time | DCLK_A, 50% to 50% | 2.5 | ns | |||
| DCLK_B, 50% to 50% | 2.5 | ||||||
| tw | Pulse duration | DCLK_A, 50% to 50% | 1.19 | 1.25 | ns | ||
| DCLK_B, 50% to 50% | 1.19 | 1.25 | |||||
| LVDS INTERFACE(3) | |||||||
| tsu | Setup time | D_A(15:0) before rising or falling edge of DCLK_A | 0.2 | ns | |||
| D_B(15:0) before rising or falling edge of DCLK_B | 0.2 | ||||||
| tsu | Setup time | SCTRL_A before rising or falling edge of DCLK_A | 0.2 | ns | |||
| SCTRL_B before rising or falling edge of DCLK_B | 0.2 | ||||||
| th | Hold time | D_A(15:0) after rising or falling edge of DCLK_A | 0.5 | ns | |||
| D_B(15:0) after rising or falling edge of DCLK_B | 0.5 | ||||||
| th | Hold time | SCTRL_A after rising or falling edge of DCLK_A | 0.5 | ns | |||
| SCTRL_B after rising or falling edge of DCLK_B | 0.5 | ||||||
| LVDS INTERFACE(4) | |||||||
| tskew | Skew time | Channel B relative to Channel A | Channel A includes the following LVDS pairs: DCLK_AP and DCLK_AN SCTRL_AP and SCTRL_AN D_AP(15:0) and D_AN(15:0) |
–1.25 | 1.25 | ns | |
| Channel B includes the following LVDS pairs: DCLK_BP and DCLK_BN SCTRL_BP and SCTRL_BN D_BP(15:0) and D_BN(15:0) |
|||||||
Timing Diagrams
The data sheet provides timing at the device pin. For output timing analysis, the tester pin electronics and its transmission line effects must be taken into account. Figure 2 shows an equivalent test load circuit for the output under test. The load capacitance value stated is only for characterization and measurement of AC timing signals. This load capacitance value does not indicate the maximum load the device is capable of driving.
Timing reference loads are not intended as a precise representation of any particular system environment or depiction of the actual load presented by a production test. System designers should use IBIS or other simulation tools to correlate the timing reference load to a system environment. Refer to the Application and Implementation section.
Figure 2. Test Load Circuit







| BIT DEPTH | VIDEO MODE RATE (Hz) | PATTERN MODE RATE (Hz) |
|---|---|---|
| 1 | 2880 | 9523 |
| 2 | 1440 | 3289 |
| 3 | 960 | 2638 |
| 4 | 720 | 1364 |
| 5 | 480 | 823 |
| 6 | 480 | 672 |
| 7 | 360 | 500 |
| 8 | 247 | 247 |
| PARAMETER | MIN | NOM | MAX | UNIT | ||
|---|---|---|---|---|---|---|
| Maximum system mounting interface load to be applied to the: | Thermal Interface area | (See Figure 10) | 25 | lbs | ||
| 95 | lbs | |||||
| Electrical Interface area | ||||||
| Datum “A” Interface area(1) | ||||||
| 90 | lbs | |||||
Figure 10. System Mounting Interface Loads
| VALUE | UNIT | ||||
|---|---|---|---|---|---|
| M | Number of active columns | See Figure 11 | 1920 | micromirrors | |
| N | Number of active rows | 1080 | micromirrors | ||
| P | Micromirror (pixel) pitch | 7.56 | µm | ||
| Micromirror active array width | M × P | 14.5152 | mm | ||
| Micromirror active array height | N × P | 8.1648 | mm | ||
| Micromirror active border | Pond of micromirror (POM)(1) | 14 | micromirrors /side | ||

See Optical Interface and System Image Quality for important information.
| PARAMETER | CONDITIONS | MIN | NOM | MAX | UNIT | |
|---|---|---|---|---|---|---|
| α | Micromirror tilt angle | DMD landed state (1) | 12 | ° | ||
| β | Micromirror tilt angle tolerance(1)(2)(3)(4)(5) | –1 | 1 | ° | ||
| Micromirror tilt direction(5)(6)(7) | Figure 12 | 44 | 45 | 46 | ° | |
| Number of out-of-specification micromirrors (7) | Adjacent micromirrors | 0 | micromirrors | |||
| Non-adjacent micromirrors | 10 | |||||
| Micromirror crossover time (8)(9) | Typical performance | 2.5 | μs | |||
| Micromirror switching time (9) | Typical performance | 5 | μs | |||
| DMD efficiency within the wavelength range 400 nm to 420 nm(10) | 68% | |||||
| DMD photopic efficiency within the wavelength range 420 nm to 700 nm(10) | 66% | |||||

| PARAMETER(1) | CONDITIONS | MIN | TYP | MAX | UNIT |
|---|---|---|---|---|---|
| Window material designation | Corning 7056 | ||||
| Window refractive index | at wavelength 589 nm | 1.487 | |||
| Window aperture(2) | See(2) | ||||
| Illumination overfill(3) | See(3) | ||||
| Window transmittance, single–pass through both surfaces and glass (4) | At wavelength 405 nm. Applies to 0° and 24° AOI only. | 95% | |||
| Minimum within the wavelength range 420 nm to 680 nm. Applies to all angles 0° to 30° AOI. | 97% | ||||
| Average over the wavelength range 420 nm to 680 nm. Applies to all angles 30° to 45° AOI. | 97% |
The DLP6500FLQ is a component of one or more DLP® chipsets. Reliable function and operation of the DLP6500FLQ requires that it be used in conjunction with the other components of the applicable DLP chipset, including those components that contain or implement TI DMD control technology. TI DMD control technology is the TI technology and devices for operating or controlling a DLP DMD.