ZHCSJ40 December   2018 DAC8742H

PRODUCTION DATA.  

  1. 特性
  2. 应用
  3. 说明
    1.     Device Images
      1.      简化原理图
  4. 修订历史记录
  5. Pin Configuration and Functions
    1.     Pin Functions
  6. Specifications
    1. 6.1 Absolute Maximum Ratings
    2. 6.2 ESD Ratings
    3. 6.3 Recommended Operating Conditions
    4. 6.4 Thermal Information
    5. 6.5 Electrical Characteristics
    6. 6.6 Timing Requirements
    7. 6.7 Typical Characteristics
  7. Detailed Description
    1. 7.1 Overview
    2. 7.2 Functional Block Diagram
    3. 7.3 Feature Description
      1. 7.3.1  HART Modulator
      2. 7.3.2  HART Demodulator
      3. 7.3.3  FOUNDATION FIELDBUS / PROFIBUS PA Manchester Encoder
      4. 7.3.4  FOUNDATION FIELDBUS / PROFIBUS PA Manchester Decoder
      5. 7.3.5  Internal Reference
      6. 7.3.6  Clock Configuration
      7. 7.3.7  Reset and Power-Down
      8. 7.3.8  Full-Duplex Mode
      9. 7.3.9  I/O Selection
      10. 7.3.10 Jabber Inhibitor
    4. 7.4 Device Functional Modes
      1. 7.4.1 UART Interfaced HART
      2. 7.4.2 UART Interfaced FOUNDATION FIELDBUS / PROFIBUS PA
      3. 7.4.3 SPI Interfaced HART
      4. 7.4.4 SPI Interfaced FOUNDATION FIELDBUS / PROFIBUS PA
      5. 7.4.5 Interface
        1. 7.4.5.1 UART
          1. 7.4.5.1.1 UART Carrier Detect
        2. 7.4.5.2 SPI
          1. 7.4.5.2.1 SPI Cyclic Redundancy Check
          2. 7.4.5.2.2 SPI Interrupt Request
    5. 7.5 Register Maps
      1. 7.5.1 CONTROL Register (Offset = 2h) [reset = 0x8042]
        1. Table 4. CONTROL Register Field Descriptions
      2. 7.5.2 RESET Register (Offset = 7h) [reset = 0x0000]
        1. Table 5. RESET Register Field Descriptions
      3. 7.5.3 MODEM_STATUS Register (Offset = 20h) [reset = 0x0000]
        1. Table 6. MODEM_STATUS Register Field Descriptions
      4. 7.5.4 MODEM_IRQ_MASK Register (Offset = 21h) [reset = 0x0024]
        1. Table 7. MODEM_IRQ_MASK Register Field Descriptions
      5. 7.5.5 MODEM_CONTROL Register (Offset = 22h) [reset = 0x0048]
        1. Table 8. MODEM_CONTROL Register Field Descriptions
      6. 7.5.6 FIFO_D2M Register (Offset = 23h) [reset = 0x0200]
        1. Table 9. FIFO_D2M Register Field Descriptions
      7. 7.5.7 FIFO_M2D Register (Offset = 24h) [reset = 0x0200]
        1. Table 10. FIFO_M2D Register Field Descriptions
      8. 7.5.8 FIFO_LEVEL_SET Register (Offset = 25h) [reset = 0x0000]
        1. Table 11. FIFO_LEVEL_SET Register Field Descriptions
      9. 7.5.9 PAFF_JABBER Register (Offset = 27h) [reset = 0x0000]
        1. Table 12. PAFF_JABBER Register Field Descriptions
  8. Application and Implementation
    1. 8.1 Application Information
      1. 8.1.1 Design Recommendations
      2. 8.1.2 Selecting the Crystal/Resonator
      3. 8.1.3 Included Functions and Filter Selection
    2. 8.2 Typical Application
      1. 8.2.1 Design Requirements
      2. 8.2.2 Detailed Design Procedure
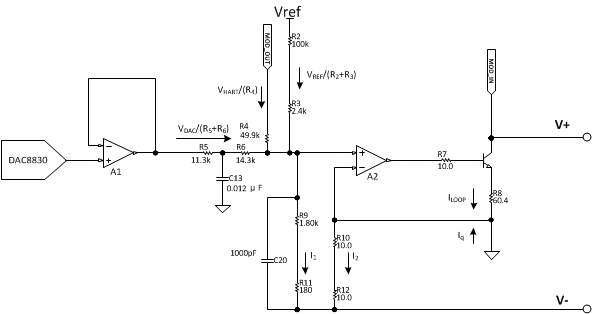
        1. 8.2.2.1 DAC8742H HART Modem
        2. 8.2.2.2 2-Wire Current Loop
        3. 8.2.2.3 Regulator
        4. 8.2.2.4 DAC
        5. 8.2.2.5 Amplifiers
        6. 8.2.2.6 Diodes
        7. 8.2.2.7 Passives
      3. 8.2.3 Application Curves
  9. Power Supply Recommendations
  10. 10Layout
    1. 10.1 Layout Guidelines
    2. 10.2 Layout Example
  11. 11器件和文档支持
    1. 11.1 文档支持
      1. 11.1.1 相关文档
    2. 11.2 接收文档更新通知
    3. 11.3 社区资源
    4. 11.4 商标
    5. 11.5 静电放电警告
    6. 11.6 术语表
  12. 12机械、封装和可订购信息

封装选项

机械数据 (封装 | 引脚)
散热焊盘机械数据 (封装 | 引脚)
订购信息

DAC8742H HART Modem

In this design the DAC8742H internal reference and bandpass filter was chosen to optimize board area, consequently reducing form factor and cost. X7R, 10% accurate, bypass capacitances of 1-µF and 0.1-µF values were chosen for the reference and supplies, respectively.

The DAC8742H device interfaces with the MSP430FR5969, or other similar host controller, through a standard UART interface. The DAC8742H digital pins connected through this interface include UART_RTS, UART_OUT (TX), UART_IN (RX), and CD.

The remaining portion of the schematic includes other TI devices that aid in the realization of a highly accurate 4-mA to 20-mA, 2-wire transmitter. This combination of circuitry is ideally suited for remote signal conditioning of a wide variety of sensors and transducers, including thermocouples, RTDs, thermistors, and strain gauge bridges.

The two-wire transmitter is powered from an external DC power supply that is connected via the two BUS supply lines. The transmitter communicates by sourcing a 4-mA to 20-mA current through the connected bus, and back to the central host, which is typically a PLC analog input module. This expressed range of 4 mA to 20 mA is typically employed to adhere to industry standard, and ensures that the transmitter receives a minimum of 4 mA for correct powered operation.

DAC8742H SBAS_AppsSCH.gifFigure 35. Simplified Schematic of the 2-Wire Current Loop