ZHCSHA9B August   2017  – January 2018 DAC5672A

PRODUCTION DATA.  

  1. 特性
  2. 应用
  3. 说明
    1.     功能框图
  4. 修订历史记录
  5. Pin Configuration and Functions
    1.     Pin Functions
  6. Specifications
    1. 6.1  Absolute Maximum Ratings
    2. 6.2  ESD Ratings
    3. 6.3  Recommended Operating Conditions
    4. 6.4  Thermal Information
    5. 6.5  Electrical Characteristics
    6. 6.6  Electrical Characteristics
    7. 6.7  Electrical Characteristics: AC Characteristics
    8. 6.8  Electrical Characteristics: Digital Characteristics
    9. 6.9  Switching Characteristics
    10. 6.10 Typical Characteristics
  7. Detailed Description
    1. 7.1 Overview
    2. 7.2 Functional Block Diagram
    3. 7.3 Feature Description
      1. 7.3.1 Input Interfaces
      2. 7.3.2 Dual-Bus Data Interface and Timing
      3. 7.3.3 Single-Bus Interleaved Data Interface and Timing
    4. 7.4 Device Functional Modes
      1. 7.4.1 DAC Transfer Function
      2. 7.4.2 Analog Outputs
      3. 7.4.3 Output Configurations
      4. 7.4.4 Differential With Transformer
      5. 7.4.5 Single-Ended Configuration
      6. 7.4.6 Reference Operation
        1. 7.4.6.1 Internal Reference
        2. 7.4.6.2 External Reference
        3. 7.4.6.3 Gain Setting Option
        4. 7.4.6.4 Sleep Mode
    5. 7.5 Programming
      1. 7.5.1 Digital Inputs and Timing
        1. 7.5.1.1 Digital Inputs
  8. Application and Implementation
    1. 8.1 Application Information
    2. 8.2 Typical Application
      1. 8.2.1 Design Requirements
      2. 8.2.2 Detailed Design Procedure
      3. 8.2.3 Application Curves
  9. Power Supply Recommendations
  10. 10Layout
    1. 10.1 Layout Guidelines
    2. 10.2 Layout Example
  11. 11器件和文档支持
    1. 11.1 Receiving Notification of Documentation Updates
    2. 11.2 Community Resources
    3. 11.3 商标
    4. 11.4 静电放电警告
    5. 11.5 Glossary
  12. 12机械、封装和可订购信息

封装选项

机械数据 (封装 | 引脚)
散热焊盘机械数据 (封装 | 引脚)
订购信息

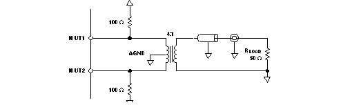
Differential With Transformer

Using an RF transformer provides a convenient way of converting the differential output signal into a single-ended signal while achieving excellent dynamic performance. The appropriate transformer must be carefully selected based on the output frequency spectrum and impedance requirements.

The differential transformer configuration has the benefit of significantly reducing common-mode signals, thus improving the dynamic performance over a wide range of frequencies. Furthermore, by selecting a suitable impedance ratio (winding ratio) the transformer can provide optimum impedance matching while controlling the compliance voltage for the converter outputs.

Figure 20 and Figure 21 show 50-Ω doubly-terminated transformer configurations with 1:1 and 4:1 impedance ratios, respectively. Note that the center tap of the primary input of the transformer has to be grounded to enable a dc-current flow. Applying a 20-mA full-scale output current would lead to a 0.5-VPP output for a 1:1 transformer and a 1-VPP output for a 4:1 transformer. In general, the 1:1 transformer configuration will have slightly better output distortion, but the 4:1 transformer will have 6 dB higher output power.

DAC5672A Drive1-1_LAS440.gifFigure 20. Driving a Doubly-Terminated 50-Ω Cable Using a 1:1 Impedance Ratio Transformer
DAC5672A Drive4-1_LAS440.gifFigure 21. Driving a Doubly-Terminated 50-Ω Cable Using a 4:1 Impedance Ratio Transformer