ZHCSJC2A January   2019  – March 2019 CSD96497Q5MC

PRODUCTION DATA.  

  1. 1特性
  2. 2应用
  3. 3说明
    1.     Device Images
      1.      简化应用
      2.      典型功率级效率
  4. 4修订历史记录
  5. 5器件和文档支持
    1. 5.1 商标
    2. 5.2 静电放电警告
    3. 5.3 术语表
  6. 6机械、封装和可订购信息
    1. 6.1 机械制图
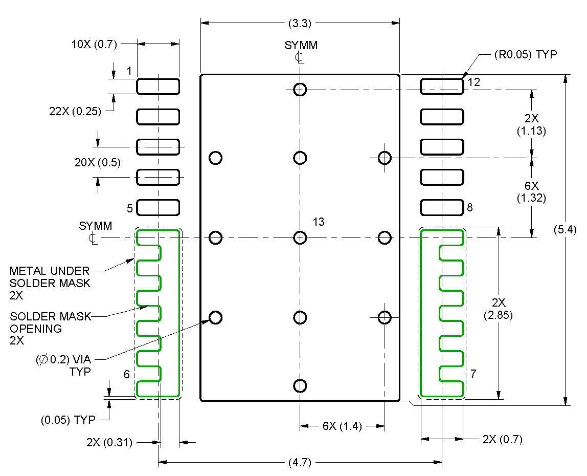
    2. 6.2 推荐 PCB 焊盘图案
    3. 6.3 建议模版开孔
  7. 7Package Option Addendum
    1. 7.1 Packaging Information
    2. 7.2 Tape and Reel Information

封装选项

机械数据 (封装 | 引脚)
  • DMC|12
散热焊盘机械数据 (封装 | 引脚)
订购信息

推荐 PCB 焊盘图案

CSD96497Q5MC PCB1.png
CSD96497Q5MC PCB2.png
  1. 所有线性尺寸的单位均为毫米。括号中的任何尺寸仅供参考。尺寸和公差值符合 ASME Y14.5M 标准。
  2. 本图如有变更,恕不另行通知。
  3. 此封装设计用于焊接到电路板的散热焊盘上。有关更多信息,请参阅《QFN/SON PCB 连接》(SLUA271)。
  4. 根据具体应用决定是否选用通孔,请参见器件数据表。如需实施任意通孔,请参见此视图上的通孔位置。建议对焊锡膏下方的通孔进行填充、堵塞或包覆。