ZHCSS39 september   2020 CSD95410RRB

PRODUCTION DATA  

  1.   1
  2. 1特性
  3. 2应用
  4. 3说明
  5. 4Revision History
  6. 5Device and Documentation Support
    1. 5.1 Device Support
      1. 5.1.1 第三方产品免责声明
    2. 5.2 Documentation Support
    3. 5.3 接收文档更新通知
    4. 5.4 支持资源
    5. 5.5 Trademarks
    6. 5.6 静电放电警告
    7. 5.7 术语表
  7. 6Mechanical, Packaging, and Orderable Information
    1. 6.1 Mechanical Drawing
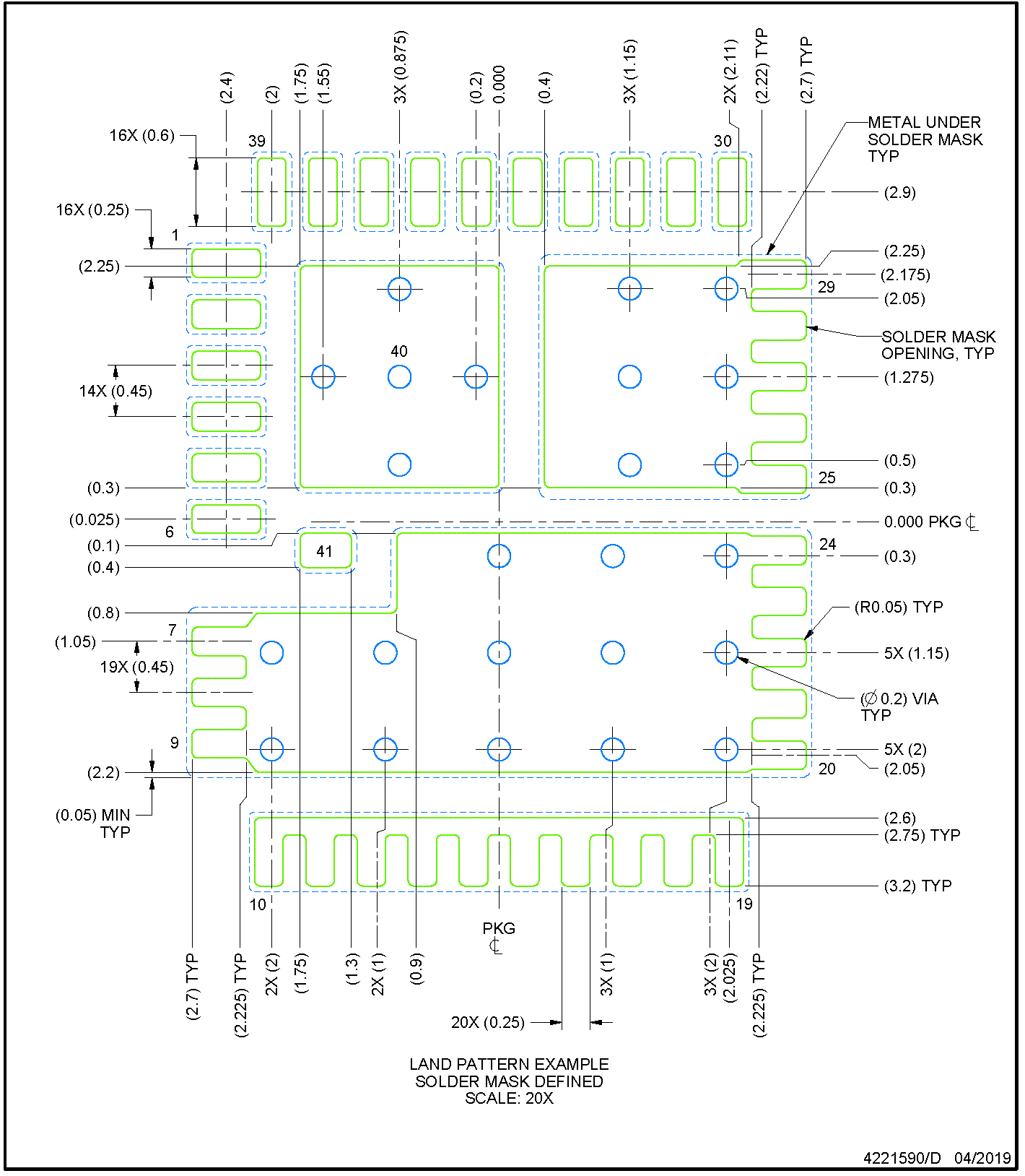
    2. 6.2 Recommended PCB Land Pattern
    3. 6.3 Recommended Stencil Opening
    4. 6.4 Alternate Industry Standard Compatible PCB Land Pattern
    5. 6.5 Alternate Industry Standard Compatible Stencil Opening
    6. 6.6 Package Option Addendum

封装选项

机械数据 (封装 | 引脚)
  • RRB|41
散热焊盘机械数据 (封装 | 引脚)
订购信息

Alternate Industry Standard Compatible PCB Land Pattern

GUID-B49D8490-10DC-4C4D-A36D-5415DAF5DC1A-low.gif
  1. All linear dimensions are in millimeters. Any dimensions in parenthesis are for reference only. Dimensioning and tolerancing per ASME Y14.5M.
  2. This drawing is subject to change without notice.
  3. Laser cutting apertures with trapezoidal walls and rounded corners may offer better paste release. IPC-7525 may have alternate design recommendations.