ZHCSCX3C April   2014  – November 2014 CSD95379Q3M

PRODUCTION DATA.  

  1. 特性
  2. 应用范围
  3. 说明
  4. 修订历史记录
  5. Pin Configuration and Functions
  6. Specifications
    1. 6.1 Absolute Maximum Ratings
    2. 6.2 Handling Ratings
    3. 6.3 Recommended Operating Conditions
    4. 6.4 Thermal Information
    5. 6.5 Electrical Characteristics
    6. 6.6 Typical Characteristics
  7. Detailed Description
    1. 7.1 Functional Block Diagram
    2. 7.2 Feature Description
      1. 7.2.1 Functional Description
        1. 7.2.1.1 Powering CSD95379Q3M and Gate Drivers
      2. 7.2.2 Undervoltage Lockout (UVLO) Protection
      3. 7.2.3 PWM Pin
      4. 7.2.4 SKIP# Pin
      5. 7.2.5 Zero Crossing (ZX) Operation
  8. Application and Implementation
    1. 8.1 Application Information
      1. 8.1.1 Power Loss Curves
      2. 8.1.2 Safe Operating Curves (SOA)
      3. 8.1.3 Normalized Curves
      4. 8.1.4 Calculating Power Loss and SOA
        1. 8.1.4.1 Design Example
        2. 8.1.4.2 Calculating Power Loss
        3. 8.1.4.3 Calculating SOA Adjustments
  9. Layout
    1. 9.1 Layout Guidelines
      1. 9.1.1 Electrical Performance
      2. 9.1.2 Thermal Performance
    2. 9.2 Layout Example
  10. 10器件和文档支持
    1. 10.1 商标
    2. 10.2 静电放电警告
    3. 10.3 术语表
  11. 11机械、封装和可订购信息
    1. 11.1 机械制图
    2. 11.2 建议印刷电路板 (PCB) 焊盘图案
    3. 11.3 建议模板开口

封装选项

机械数据 (封装 | 引脚)
  • DNS|10
散热焊盘机械数据 (封装 | 引脚)
订购信息

11 机械、封装和可订购信息

以下页中包括机械、封装和可订购信息。 这些信息是针对指定器件可提供的最新数据。 这些数据会在无通知且不对本文档进行修订的情况下发生改变。 欲获得该数据表的浏览器版本,请查阅左侧的导航栏。

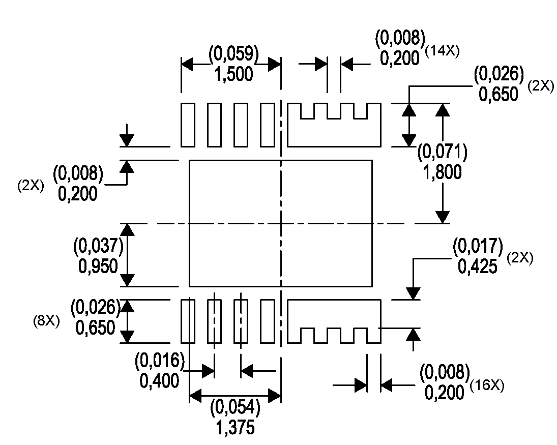
11.1 机械制图

CSD95379Q3M Mechanical_Drawing_0114.png

11.2 建议印刷电路板 (PCB) 焊盘图案

CSD95379Q3M Recommended_Land_Pattern.png
  1. 尺寸单位为 mm(英寸)。

11.3 建议模板开口

CSD95379Q3M Recommended_Stencil_Opening_4mils.png
  1. 尺寸单位为 mm(英寸)。