ZHCSFS2 December   2016 CSD18543Q3A

PRODUCTION DATA.  

  1. 1特性
  2. 2应用范围
  3. 3说明
  4. 4修订历史记录
  5. 5Specifications
    1. 5.1 Electrical Characteristics
    2. 5.2 Thermal Information
    3. 5.3 Typical MOSFET Characteristics
  6. 6器件和文档支持
    1. 6.1 接收文档更新通知
    2. 6.2 社区资源
    3. 6.3 商标
    4. 6.4 静电放电警告
    5. 6.5 Glossary
  7. 7机械、封装和可订购信息
    1. 7.1 Q3A 封装尺寸
    2. 7.2 Q3A 建议的 PCB 布局
    3. 7.3 Q3A 建议的模板布局
    4. 7.4 Q3A 卷带信息

封装选项

请参考 PDF 数据表获取器件具体的封装图。

机械数据 (封装 | 引脚)
  • DNH|8
散热焊盘机械数据 (封装 | 引脚)
订购信息

机械、封装和可订购信息

以下页中包括机械、封装和可订购信息。这些信息是针对指定器件可提供的最新数据。这些数据会在无通知且不对本文档进行修订的情况下发生改变。要获得这份数据表的浏览器版本,请查阅左侧的导航栏。

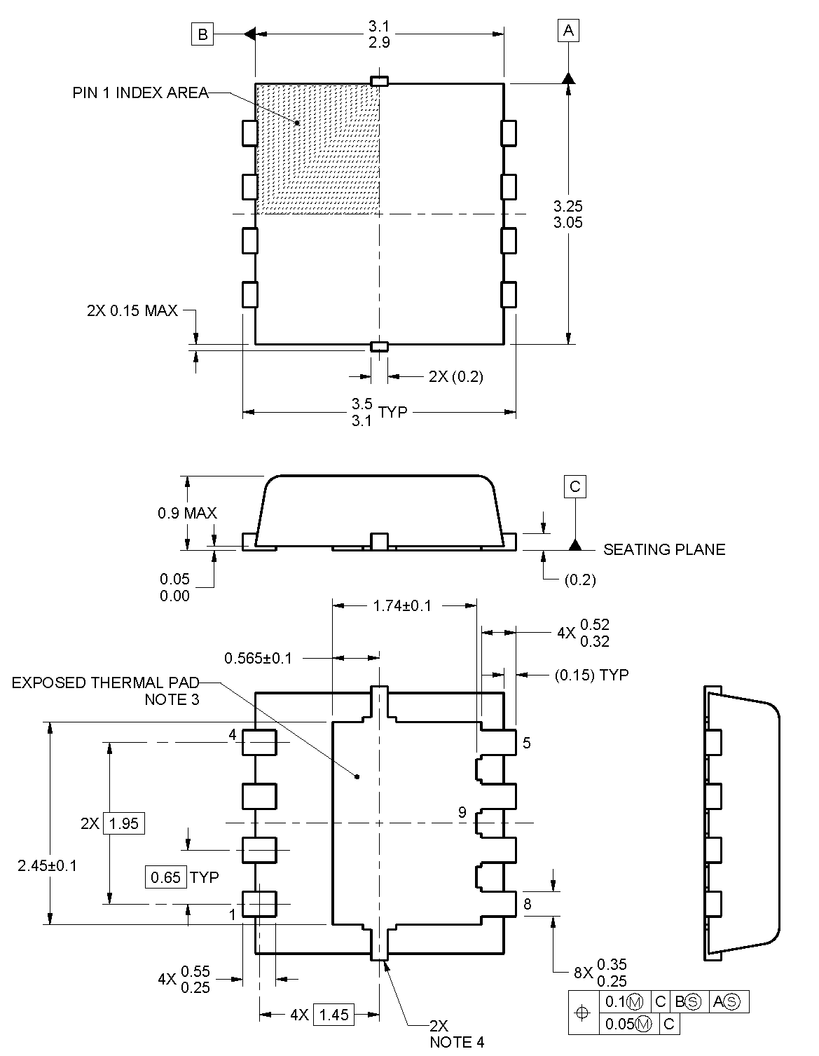
Q3A 封装尺寸

CSD18543Q3A Mech_Dwg.png
  1. 所有线性尺寸的单位均为毫米。括号中的任何尺寸仅供参考。尺寸和容限值遵循 ASME Y14.5M。
  2. 本图纸如有变更,恕不通知。
  3. 必须在印刷电路板上焊接封装散热焊盘,以获得良好的散热和机械性能。
  4. 金属化 特性 为供应商选配特性,因此封装上可能不具备。
  5. 所有尺寸不包括模具毛边或突出部分。

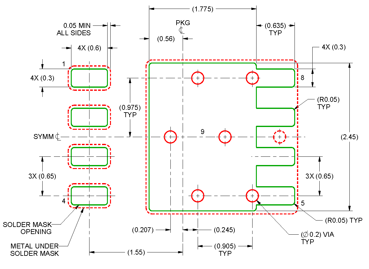
Q3A 建议的 PCB 布局

CSD18543Q3A PCB.png
  1. 此封装设计用于焊接到电路板的散热焊盘上。更多信息,请参见《QFN/SON PCB 连接》(文献编号:SLUA271)。
  2. 根据应用决定是否选用过孔,详情请参见器件数据表。如果实现了部分或全部过孔,则会显示建议的过孔位置。

有关针对 PCB 设计的建议电路布局布线,请参见《通过 PCB 布局布线技巧来减少振铃》(文献编号:SLPA005)。

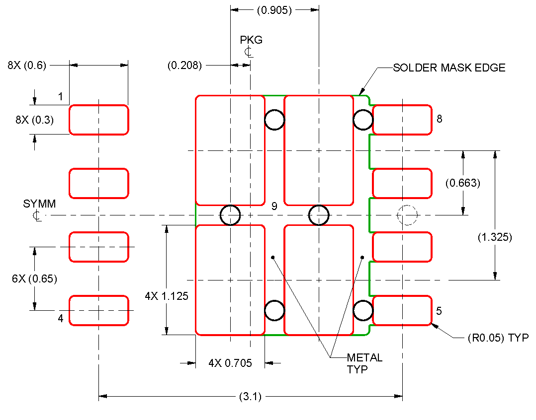
Q3A 建议的模板布局

CSD18543Q3A Stencil.png
  1. 具有漏斗形壁和圆角的激光切割窗孔将提供更佳的焊锡膏脱离。IPC-7525 可能提供其他替代性设计建议。

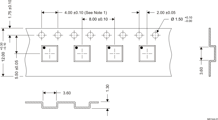
Q3A 卷带信息

CSD18543Q3A m0144-01_lps202.gif

NOTES:

1. 10 个链齿孔的累积容差为 ±0.2。
2. 每 100mm 长度的翘曲不能超过 1mm,在 250mm 长度上不累积。
3. 材料:黑色抗静电聚苯乙烯。
4. 全部尺寸单位为 mm,除非另外注明。
5. 厚度:0.30 ± 0.05mm。
6. MSL1 260°C(红外 (IR) 和传导)PbF 回流焊兼容。