ZHCS970G June   2012  – August 2017 CSD18531Q5A

PRODUCTION DATA.  

  1. 1特性
  2. 2应用
  3. 3说明
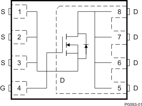
    1.     顶视图
      1.      Device Images
  4. 4修订历史记录
  5. 5Specifications
    1. 5.1 Electrical Characteristics
    2. 5.2 Thermal Information
    3. 5.3 Typical MOSFET Characteristics
  6. 6器件和文档支持
    1. 6.1 Receiving Notification of Documentation Updates
    2. 6.2 社区资源
    3. 6.3 商标
    4. 6.4 静电放电警告
    5. 6.5 Glossary
  7. 7机械、封装和可订购信息
    1. 7.1 Q5A 封装尺寸
    2. 7.2 建议印刷电路板 (PCB) 布局
    3. 7.3 建议模板开口
    4. 7.4 Q5A 卷带信息

封装选项

请参考 PDF 数据表获取器件具体的封装图。

机械数据 (封装 | 引脚)
  • DQJ|8
散热焊盘机械数据 (封装 | 引脚)
订购信息

说明

此 60V、3.5mΩ、5mm × 6mm NexFET™功率 MOSFET 旨在最大限度地减小电源转换应用中的 损耗。

顶视图

CSD18531Q5A P0093-01_LPS198.gif

产品概要

TA = 25°C 典型值 单位
VDS 漏源电压 60 V
Qg 栅极电荷总量 (10V) 36 nC
Qgd 栅极电荷(栅极到漏极) 5.9 nC
RDS(on) 漏源导通电阻 VGS = 4.5V 4.4
VGS = 10V 3.5
VGS(th) 阈值电压 1.8 V

器件信息(1)

器件 数量 包装介质 封装 运输
CSD18531Q5A 2500 13 英寸卷带 SON
5.00mm × 6.00mm
塑料封装
卷带封装
CSD18531Q5AT 250 7 英寸卷带
  1. 如需了解所有可用封装,请参阅产品说明书末尾的可订购产品附录。

绝对最大额定值

TA = 25°C 单位
VDS 漏源电压 60 V
VGS 栅源电压 ±20 V
ID 持续漏极电流(受封装限制) 100 A
持续漏极电流(受芯片限制),TC = 25°C 时测得 134
持续漏极电流(1) 19
IDM 脉冲漏极电流(2) 400 A
PD 功率耗散(1) 3.8 W
功率耗散,TC = 25°C 时测得 156
TJ 运行结温范围 -55 至 175 °C
Tstg 存储温度 -55 至 175 °C
EAS 雪崩能量,单一脉冲
ID = 67A,L = 0.1mH,RG = 25Ω
224 mJ
  1. RθJA = 40°C/W,这是在一块厚度为 0.06 英寸环氧树脂 (FR4) 印刷电路板 (PCB) 上的 1 英寸2,2 盎司铜焊盘上测得的典型值。
  2. 最大 RθJC = 1°C/W,脉冲持续时间 ≤ 100μs,占空比 ≤ 1%。