ZHCS970G June   2012  – August 2017 CSD18531Q5A

PRODUCTION DATA.  

  1. 1特性
  2. 2应用
  3. 3说明
    1.     顶视图
      1.      Device Images
  4. 4修订历史记录
  5. 5Specifications
    1. 5.1 Electrical Characteristics
    2. 5.2 Thermal Information
    3. 5.3 Typical MOSFET Characteristics
  6. 6器件和文档支持
    1. 6.1 Receiving Notification of Documentation Updates
    2. 6.2 社区资源
    3. 6.3 商标
    4. 6.4 静电放电警告
    5. 6.5 Glossary
  7. 7机械、封装和可订购信息
    1. 7.1 Q5A 封装尺寸
    2. 7.2 建议印刷电路板 (PCB) 布局
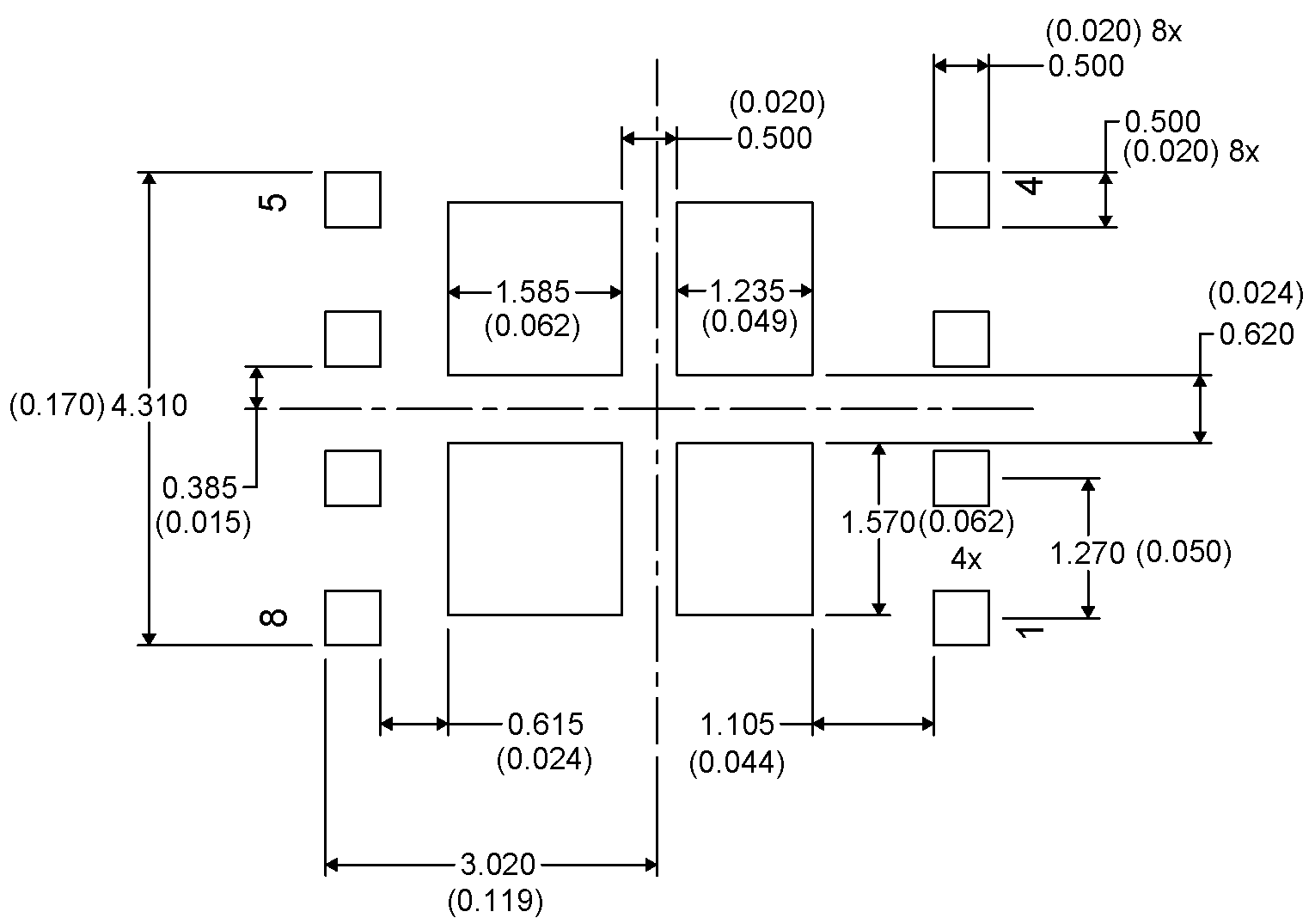
    3. 7.3 建议模板开口
    4. 7.4 Q5A 卷带信息

封装选项

请参考 PDF 数据表获取器件具体的封装图。

机械数据 (封装 | 引脚)
  • DQJ|8
散热焊盘机械数据 (封装 | 引脚)
订购信息

建议模板开口

CSD18531Q5A Stencil_opening.png