ZHCSFS9A December   2016  – March 2019 CSD18512Q5B

PRODUCTION DATA.  

  1. 1特性
  2. 2应用
  3. 3说明
    1.     俯视图
      1.      Device Images
        1.       RDS(on) 与 VGS 对比
        2.       栅极电荷
  4. 4修订历史记录
  5. 5Specifications
    1. 5.1 Electrical Characteristics
    2. 5.2 Thermal Information
    3. 5.3 Typical MOSFET Characteristics
  6. 6器件和文档支持
    1. 6.1 社区资源
    2. 6.2 商标
    3. 6.3 静电放电警告
    4. 6.4 术语表
  7. 7"机械、封装和可订购信息
    1. 7.1 Q5B 封装尺寸
    2. 7.2 建议 PCB 布局
    3. 7.3 建议模板布局
    4. 7.4 Q5B 卷带信息

封装选项

机械数据 (封装 | 引脚)
散热焊盘机械数据 (封装 | 引脚)
订购信息

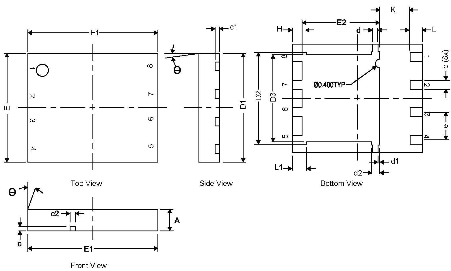
Q5B 封装尺寸

CSD18512Q5B Mechanical_Drawing_1404.png
DIM 毫米
最小值 标称值 最大值
A 0.80 1.00 1.05
b 0.36 0.41 0.46
c 0.15 0.20 0.25
c1 0.15 0.20 0.25
c2 0.20 0.25 0.30
D1 4.90 5.00 5.10
D2 4.12 4.22 4.32
D3 3.90 4.00 4.10
d 0.20 0.25 0.30
d1 0.085 典型值
d2 0.319 0.369 0.419
E 4.90 5.00 5.10
E1 5.90 6.00 6.10
E2 3.48 3.58 3.68
e 1.27 典型值
H 0.36 0.46 0.56
L 0.46 0.56 0.66
L1 0.57 0.67 0.77
θ - -
K 1.40 典型值