ZHCSPC0D November 1997 – November 2021 CD54HC259 , CD54HCT259 , CD74HC259 , CD74HCT259
PRODUCTION DATA
请参考 PDF 数据表获取器件具体的封装图。
Phase relationships between waveforms were chosen arbitrarily. All input pulses are supplied by generators having the following characteristics: PRR ≤ 1 MHz, ZO = 50 Ω, tt < 6 ns.
For clock inputs, fmax is measured when the input duty cycle is 50%.
The outputs are measured one at a time with one input transition per measurement.

Figure 6-2 Voltage Waveforms,
Standard CMOS Inputs Pulse Duration
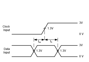
Figure 6-3 Voltage Waveforms,
Standard CMOS Inputs Setup and Hold Times
Figure 6-6 Voltage Waveforms,
TTL-Compatible CMOS Inputs Pulse Duration
Figure 6-7 Voltage Waveforms,
TTL-Compatible CMOS Inputs Setup and Hold Times