ZHCSJC1E April   2019  – December 2024 CC3235S , CC3235SF

PRODUCTION DATA  

  1.   1
  2. 特性
  3. 应用
  4. 说明
  5. 功能方框图
  6. Device Comparison
    1. 5.1 Related Products
  7. Pin Configuration and Functions
    1. 6.1 Pin Diagram
    2. 6.2 Pin Attributes
      1.      11
    3. 6.3 Signal Descriptions
      1.      13
    4. 6.4 Pin Multiplexing
    5. 6.5 Drive Strength and Reset States for Analog and Digital Multiplexed Pins
    6. 6.6 Pad State After Application of Power to Device, Before Reset Release
    7. 6.7 Connections for Unused Pins
  8. Specifications
    1. 7.1  Absolute Maximum Ratings
    2. 7.2  ESD Ratings
    3. 7.3  Power-On Hours (POH)
    4. 7.4  Recommended Operating Conditions
    5. 7.5  Current Consumption Summary (CC3235S)
      1.      24
      2.      25
    6. 7.6  Current Consumption Summary (CC3235SF)
      1.      27
      2.      28
    7. 7.7  TX Power Control for 2.4 GHz Band
    8. 7.8  TX Power Control for 5 GHz
    9. 7.9  Brownout and Blackout Conditions
    10. 7.10 Electrical Characteristics for GPIO Pins
      1.      33
      2.      34
    11. 7.11 Electrical Characteristics for Pin Internal Pullup and Pulldown
    12. 7.12 WLAN Receiver Characteristics
      1.      37
      2.      38
    13. 7.13 WLAN Transmitter Characteristics
      1.      40
      2.      41
    14. 7.14 WLAN Transmitter Out-of-Band Emissions
      1.      43
      2.      44
    15. 7.15 BLE/2.4 GHz Radio Coexistence and WLAN Coexistence Requirements
    16. 7.16 Thermal Resistance Characteristics for RGK Package
    17. 7.17 Timing and Switching Characteristics
      1. 7.17.1 Power Supply Sequencing
      2. 7.17.2 Device Reset
      3. 7.17.3 Reset Timing
        1. 7.17.3.1 nRESET (32kHz Crystal)
        2.       52
        3.       53
        4. 7.17.3.2 nRESET (External 32kHz Clock)
          1.        55
      4. 7.17.4 Wakeup From HIBERNATE Mode
      5. 7.17.5 Clock Specifications
        1. 7.17.5.1 Slow Clock Using Internal Oscillator
        2. 7.17.5.2 Slow Clock Using an External Clock
          1.        60
        3. 7.17.5.3 Fast Clock (Fref) Using an External Crystal
          1.        62
        4. 7.17.5.4 Fast Clock (Fref) Using an External Oscillator
          1.        64
      6. 7.17.6 Peripherals Timing
        1. 7.17.6.1  SPI
          1. 7.17.6.1.1 SPI Master
            1.         68
          2. 7.17.6.1.2 SPI Slave
            1.         70
        2. 7.17.6.2  I2S
          1. 7.17.6.2.1 I2S Transmit Mode
            1.         73
          2. 7.17.6.2.2 I2S Receive Mode
            1.         75
        3. 7.17.6.3  GPIOs
          1. 7.17.6.3.1 GPIO Output Transition Time Parameters (Vsupply = 3.3V)
            1.         78
          2. 7.17.6.3.2 GPIO Input Transition Time Parameters
            1.         80
        4. 7.17.6.4  I2C
          1.        82
        5. 7.17.6.5  IEEE 1149.1 JTAG
          1.        84
        6. 7.17.6.6  ADC
          1.        86
        7. 7.17.6.7  Camera Parallel Port
          1.        88
        8. 7.17.6.8  UART
        9. 7.17.6.9  SD Host
        10. 7.17.6.10 Timers
  9. Detailed Description
    1. 8.1  Overview
    2. 8.2  Arm® Cortex®-M4 Processor Core Subsystem
    3. 8.3  Wi-Fi® Network Processor Subsystem
      1. 8.3.1 WLAN
      2. 8.3.2 Network Stack
    4. 8.4  Security
    5. 8.5  FIPS 140-2 Level 1 Certification
    6. 8.6  Power-Management Subsystem
    7. 8.7  Low-Power Operating Mode
    8. 8.8  Memory
      1. 8.8.1 External Memory Requirements
      2. 8.8.2 Internal Memory
        1. 8.8.2.1 SRAM
        2. 8.8.2.2 ROM
        3. 8.8.2.3 Flash Memory
        4. 8.8.2.4 Memory Map
    9. 8.9  Restoring Factory Default Configuration
    10. 8.10 Boot Modes
      1. 8.10.1 Boot Mode List
    11. 8.11 Hostless Mode
  10. Applications, Implementation, and Layout
    1. 9.1 Application Information
      1. 9.1.1 BLE/2.4GHz Radio Coexistence
      2. 9.1.2 Antenna Selection
      3. 9.1.3 Typical Application
    2. 9.2 PCB Layout Guidelines
      1. 9.2.1 General PCB Guidelines
      2. 9.2.2 Power Layout and Routing
        1. 9.2.2.1 Design Considerations
      3. 9.2.3 Clock Interface Guidelines
      4. 9.2.4 Digital Input and Output Guidelines
      5. 9.2.5 RF Interface Guidelines
  11. 10Device and Documentation Support
    1. 10.1  第三方产品免责声明
    2. 10.2  Tools and Software
    3. 10.3  Firmware Updates
    4. 10.4  Device Nomenclature
    5. 10.5  Documentation Support
    6. 10.6  Related Links
    7. 10.7  支持资源
    8. 10.8  Trademarks
    9. 10.9  静电放电警告
    10. 10.10 Export Control Notice
    11. 10.11 术语表
  12. 11Revision History
  13. 12Mechanical, Packaging, and Orderable Information
    1. 12.1 Packaging Information
      1. 12.1.1 Packaging Option Addendum

封装选项

机械数据 (封装 | 引脚)
散热焊盘机械数据 (封装 | 引脚)
订购信息

Antenna Selection

The CC3235x device is designed to also support antenna selection and is controlled by Image Creator. When enabled, there are three options possible options:

  • ANT 1: When selected, the GPIOs that are defined for antenna selection with set the RF path for antenna 1.
  • ANT 2: When selected, the GPIOs that are defined for antenna selection will set the RF path for antenna 2.
  • Autoselect: When selected, during a scan and prior to connecting to an AP, CC3235x device will determine the best RF path and select the appropriate antenna (13)(14). The result is saved as the port of the profile.

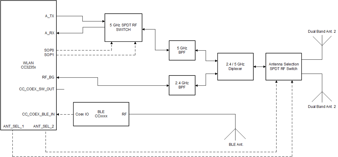
Figure 9-5 shows the implementation of a complete Bluetooth® low energy and WLAN coexistence network with the WLAN operating on either a 2.4- or a 5GHz band with antenna selection. The SOP lines control the 5GHz switch. The Coex switch is controlled by a GPIO signal from the BLE device and a GPIO signal from the CC3235x device. The Antenna switch is controlled by two GPIO lines from the CC3235x device.

CC3235S CC3235SF Antenna Selection Solution with Coexistence Solution and 5GHz Wi-FiFigure 9-5 Antenna Selection Solution with Coexistence Solution and 5GHz Wi-Fi

Figure 9-6 shows the antenna selection implementation for Wi-Fi, with BLE operating on its own antenna. The SOP lines control the 5GHz switch. Note in this implementation no Coex switch is required and only a single GPIO from the BLE device to the CC3235x device is required. The antenna switch is controlled by two GPIO lines from the CC3235x device.

CC3235S CC3235SF Coexistence Solution with Wi-Fi Antenna Selection and dedicated BLE antennaFigure 9-6 Coexistence Solution with Wi-Fi Antenna Selection and dedicated BLE antenna
When selecting Autoselect via the API, a reset is required in order for the CC3235x device to determine the best antenna for use.
Refer to the Uniflash with Image Creator User Guidefor more information.