ZHCSOT4C February 2020 – December 2024 CC3230S , CC3230SF
PRODUCTION DATA
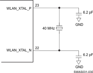
The CC3230x device also incorporates an internal crystal oscillator to support a crystal-based fast clock. The crystal is fed directly between WLAN_XTAL_P (pin 23) and WLAN_XTAL_N (pin 22) with suitable loading capacitors.
Figure 7-11 shows the crystal connections for the fast clock.

Section 7.16.5.3.1 lists the WLAN fast-clock crystal requirements.