ZHCSCJ7E July 2013 – June 2014 CC3200
PRODUCTION DATA.
All measurements are referenced at the device pins, unless otherwise indicated. All specifications are over process and voltage, unless otherwise indicated.
| PARAMETERS | PINS | MIN | MAX | UNIT |
|---|---|---|---|---|
| VBAT and VIO | 37, 39, 44 | –0.5 | 3.8 | V |
| VIO-VBAT (differential) | 10, 54 | 0.0 | V | |
| Digital inputs | –0.5 | VIO + 0.5 | V | |
| RF pins | –0.5 | 2.1 | V | |
| Analog pins (XTAL) | –0.5 | 2.1 | V | |
| Operating temperature range (TA ) | –40 | +85 | °C |
| MIN | MAX | UNIT | |||
|---|---|---|---|---|---|
| Tstg | Storage temperature range | –55 | +125 | °C | |
| VESD | Electrostatic discharge | Human body model (HBM), per ANSI/ESDA/JEDEC JS-001, all pins(1) | –2000 | +2000 | V |
| Charged device model (CDM), per JEDEC specification JESD22-C101, all pins(2) | –500 | +500 | V | ||
| CONDITIONS | POH | |
|---|---|---|
| TAmbient up to 85°C, assuming 20% active mode and 80% sleep mode | 17,500(1) | |
| PARAMETERS | PINS | CONDITIONS(2)(3) | MIN | TYP | MAX | UNIT |
|---|---|---|---|---|---|---|
| VBAT, VIO (shorted to VBAT) | 10, 37, 39, 44, 54 | Direct battery connection | 2.1 | 3.3 | 3.6 | V |
| VBAT, VIO (shorted to VBAT) | 10, 37, 39, 44, 54 | Preregulated 1.85 V | 1.76 | 1.85 | 1.9 | V |
| Ambient thermal slew | –20 | 20 | °C/minute |
The device enters a brown-out condition whenever the input voltage dips below VBROWN (see Figure 4-1). This condition must be considered during design of the power supply routing, especially if operating from a battery. High-current operations (such as a TX packet) cause a dip in the supply voltage, potentially triggering a brown-out. The resistance includes the internal resistance of the battery, contact resistance of the battery holder (4 contacts for a 2 x AA battery) and the wiring and PCB routing resistance.

For example, the device draws about 400 mA from the supply @ 2.3 V for a 1 DSSS packet at maximum power. This condition can cause a drop of 200 mV across a 0.5-Ω routing resistance.
In the brown-out condition, the device is in RESET state except for the Hibernate module (including the 32-kHz RTC clock), which is kept on. The current in this state can reach approximately 400 µA.
| GPIO Pins Except 29, 30, 45, 50, 52, and 53 (25°C)(1) | |||||||
|---|---|---|---|---|---|---|---|
| PARAMETER | TEST CONDITIONS | MIN | NOM | MAX | UNIT | ||
| CIN | Pin capacitance | 4 | pF | ||||
| VIH | High-level input voltage | 0.65 × VDD | VDD + 0.5 V | V | |||
| VIL | Low-level input voltage | –0.5 | 0.35 × VDD | V | |||
| IIH | High-level input current | 5 | nA | ||||
| IIL | Low-level input current | 5 | nA | ||||
| VOH | High-level output voltage (VDD = 3.0 V) | 2.4 | V | ||||
| VOL | Low-level output voltage (VDD = 3.0 V) | 0.4 | V | ||||
| IOH | High-level source current, VOH = 2.4 |
2-mA Drive | 2 | mA | |||
| 4-mA Drive | 4 | mA | |||||
| 6-mA Drive | 6 | mA | |||||
| IOL | Low-level sink current, VOH = 0.4 |
2-mA Drive | 2 | mA | |||
| 4-mA Drive | 4 | mA | |||||
| 6-mA Drive | 6 | mA | |||||
| GPIO Pins 29, 30, 45, 50, 52, and 53 (25°C)(1) | |||||||
|---|---|---|---|---|---|---|---|
| PARAMETER | TEST CONDITIONS | MIN | NOM | MAX | UNIT | ||
| CIN | Pin capacitance | 7 | pF | ||||
| VIH | High-level input voltage | 0.65 × VDD | VDD + 0.5V | V | |||
| VIL | Low-level input voltage | –0.5 | 0.35 × VDD | V | |||
| IIH | High-level input current | 50 | nA | ||||
| IIL | Low-level input current | 50 | nA | ||||
| VOH | High-level output voltage (VDD= 3.0 V) |
2.4 | V | ||||
| VOL | Low-level output voltage (VDD= 3.0 V) |
0.4 | V | ||||
| IOH | High-level source current, VOH = 2.4 | 2-mA Drive | 1.5 | mA | |||
| 4-mA Drive | 2.5 | mA | |||||
| 6-mA Drive | 3.5 | mA | |||||
| IOL | Low-level sink current, VOH = 0.4 | 2-mA Drive | 1.5 | mA | |||
| 4-mA Drive | 2.5 | mA | |||||
| 6-mA Drive | 3.5 | mA | |||||
| Pin Internal Pullup and Pulldown (25°C)(1) | ||||||
|---|---|---|---|---|---|---|
| PARAMETER | TEST CONDITIONS | MIN | NOM | MAX | UNIT | |
| IOH | Pull-Up current, VOH = 2.4 (VDD = 3.0 V) |
5 | 10 | µA | ||
| IOL | Pull-Down current, VOL = 0.4 (VDD = 3.0 V) |
5 | µA | |||
| Parameter | Condition (Mbps) | Min | Typ | Max | Units |
|---|---|---|---|---|---|
| Sensitivity (8% PER for 11b rates, 10% PER for 11g/11n rates)(10% PER)(2) |
1 DSSS | –95.7 | dBm | ||
| 2 DSSS | –93.6 | ||||
| 11 CCK | –88.0 | ||||
| 6 OFDM | –90.0 | ||||
| 9 OFDM | –89.0 | ||||
| 18 OFDM | –86.0 | ||||
| 36 OFDM | –80.5 | ||||
| 54 OFDM | –74.0 | ||||
| MCS0 (GF)(1) | –89.0 | ||||
| MCS7 (GF)(1) | –71.0 | ||||
| Maximum input level (10% PER) |
802.11b | –4.0 | |||
| 802.11g | –10.0 |
| Parameter | Condition(2) | Min | Typ | Max | Units |
|---|---|---|---|---|---|
| Maximum RMS output power measured at 1 dB from IEEE spectral mask or EVM | 1 DSSS | 18.0 | dBm | ||
| 2 DSSS | 18.0 | ||||
| 11 CCK | 18.3 | ||||
| 6 OFDM | 17.3 | ||||
| 9 OFDM | 17.3 | ||||
| 18 OFDM | 17.0 | ||||
| 36 OFDM | 16.0 | ||||
| 54 OFDM | 14.5 | ||||
| MCS7 (MM) | 13.0 | ||||
| Transmit center frequency accuracy | –25 | 25 | ppm |
| PARAMETER | TEST CONDITIONS(1)(6) | MIN | TYP | MAX | UNIT | ||||
|---|---|---|---|---|---|---|---|---|---|
| MCU ACTIVE | NWP ACTIVE | TX | 1 DSSS | TX power level = 0 | 278 | mA | |||
| TX power level = 4 | 194 | ||||||||
| 6 OFDM | TX power level = 0 | 254 | |||||||
| TX power level = 4 | 185 | ||||||||
| 54 OFDM | TX power level = 0 | 229 | |||||||
| TX power level = 4 | 166 | ||||||||
| RX | 1 DSSS | 59 | |||||||
| 54 OFDM | 59 | ||||||||
| NWP idle connected(3) | 15.3 | ||||||||
| MCU SLEEP | NWP ACTIVE | TX | 1 DSSS | TX power level = 0 | 275 | mA | |||
| TX power level = 4 | 191 | ||||||||
| 6 OFDM | TX power level = 0 | 251 | |||||||
| TX power level = 4 | 182 | ||||||||
| 54 OFDM | TX power level = 0 | 226 | |||||||
| TX power level = 4 | 163 | ||||||||
| RX | 1 DSSS | 56 | |||||||
| 54 OFDM | 56 | ||||||||
| NWP idle connected(3) | 12.2 | ||||||||
| MCU LPDS | NWP active | TX | 1 DSSS | TX power level = 0 | 272 | mA | |||
| TX power level = 4 | 188 | ||||||||
| 6 OFDM | TX power level = 0 | 248 | |||||||
| TX power level = 4 | 179 | ||||||||
| 54 OFDM | TX power level = 0 | 223 | |||||||
| TX power level = 4 | 160 | ||||||||
| RX | 1 DSSS | 53 | |||||||
| 54 OFDM | 53 | ||||||||
| NWP LPDS(2) | 0.12 | ||||||||
| NWP idle connected(3) | 0.695 | ||||||||
| MCU hibernate | NWP hibernate(4) | 4 | µA | ||||||
| Peak calibration current (5) | VBAT = 3.3 V | 450 | mA | ||||||
| VBAT = 2.1 V | 670 | ||||||||
| VBAT = 1.85 V | 700 | ||||||||

Figure 4-3 TX Power and IBAT vs TX Power Level Settings (6 OFDM)
Figure 4-4 TX Power and IBAT vs TX Power Level Settings (54 OFDM)
For proper operation of the CC3200 device, perform the recommended power-up sequencing as follows:
For timing diagrams, see Section 4.1.2, Reset Timing.
Figure 4-5 shows the reset timing diagram for the 32K XTAL first-time power-up and reset removal.
Figure 4-5 First-Time Power-Up and Reset Removal Timing Diagram (32K XTAL)
Table 4-1 describes the timing requirements for the 32K XTAL first-time power-up and reset removal.
| Item | Name | Description | Min | Typ | Max |
|---|---|---|---|---|---|
| T1 | Supply settling time | Depends on application board power supply, decap, and so on | 3 ms | ||
| T2 | Hardware wakeup time | 25 ms | |||
| T3 | Time taken by ROM firmware to initialize hardware | Includes 32.768 -kHz XOSC settling time | 1.1 s |
Figure 4-6 shows the reset timing diagram for the external 32K first-time power-up and reset removal.
Figure 4-6 First-Time Power-Up and Reset Removal Timing Diagram (External 32K)
Table 4-2 describes the timing requirements for the external 32K first-time power-up and reset removal.
| Item | Name | Description | Min | Typ | Max |
|---|---|---|---|---|---|
| T1 | Supply settling time | Depends on application board power supply, decap, and so on | 3 ms | ||
| T2 | Hardware wakeup time | 25 ms | |||
| T3 | Time taken by ROM firmware to initialize hardware | Time taken by ROM firmware | 3 ms |
Figure 4-7 shows the timing diagram for wakeup from the hibernate state.
Figure 4-7 nHIB Timing Diagram
NOTE
The 32.768-kHz XTAL is kept enabled by default when the chip goes to hibernate.
Table 4-3 describes the timing requirements for nHIB.
| Item | Name | Description | Min | Typ | Max |
|---|---|---|---|---|---|
| Thib_min | Minimum hibernate time | 10 ms | |||
| Twake_from_hib(1) | Hardware wakeup time plus firmware initialization time | 50 ms |
The CC3200 device requires two separate clocks for its operation:
The device features internal oscillators that enable the use of cheaper crystals rather than dedicated TCXOs for these clocks. The RTC can also be fed externally to provide reuse of an existing clock on the system and reduce overall cost.
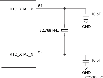
The RTC crystal connected on the device supplies the free-running slow clock. The accuracy of the slow clock frequency must be 32.768 kHz ±150 ppm. In this mode of operation, the crystal is tied between RTC_XTAL_P (pin 51) and RTC_XTAL_N (pin 52) with a suitable load capacitance.
Figure 4-8 shows the crystal connections for the slow clock.
Figure 4-8 RTC Crystal Connections
When an RTC clock oscillator is present in the system, the CC3200 device can accept this clock directly as an input. The clock is fed on the RTC_XTAL_P line and the RTC_XTAL_N line is held to VIO. The clock must be a CMOS-level clock compatible with VIO fed to the device.
Figure 4-9 shows the external RTC clock input connection.
Figure 4-9 External RTC Clock Input
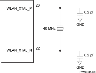
The CC3200 device also incorporates an internal crystal oscillator to support a crystal-based fast clock. The XTAL is fed directly between WLAN_XTAL_P (pin 23) and WLAN_XTAL_N (pin 22) with suitable loading capacitors.
Figure 4-10 shows the crystal connections for the fast clock.
Figure 4-10 Fast Clock Crystal Connections
The CC3200 device can accept an external TCXO/XO for the 40-MHz clock. In this mode of operation, the clock is connected to WLAN_XTAL_P (pin 23). WLAN_XTAL_N (pin 22) is connected to GND. The external TCXO/XO can be enabled by TCXO_EN (pin 21) from the device to optimize the power consumption of the system.
If the TCXO does not have an enable input, an external LDO with an enable function can be used. Using the LDO improves noise on the TCXO power supply.
Figure 4-11 shows the connection.
Figure 4-11 External TCXO Input
Table 4-4 lists the external Fref clock requirements.
| Characteristics | Condition | Sym | Min | Typ | Max | Unit | |
|---|---|---|---|---|---|---|---|
| Frequency | 40.00 | MHz | |||||
| Frequency accuracy (Initial + temp + aging) | ±20 | ppm | |||||
| Frequency input duty cycle | 45 | 50 | 55 | % | |||
| Clock voltage limits | Sine or clipped sine wave, AC coupled | Vpp | 0.7 | 1.2 | Vpp | ||
| Phase noise @ 40 MHz | @ 1 kHz | –125 | dBc/Hz | ||||
| @ 10 kHz | –138.5 | dBc/Hz | |||||
| @ 100 kHz | –143 | dBc/Hz | |||||
| Input impedance | Resistance | 12 | KΩ | ||||
| Capacitance | 7 | pF | |||||
Table 4-5 lists the RTC crystal requirements.
| CHARACTERISTICS | CONDITION | SYM | MIN | TYP | MAX | UNIT |
|---|---|---|---|---|---|---|
| Frequency | 32.768 | kHz | ||||
| Frequency accuracy | Initial + temp + aging | ±150 | ppm | |||
| Crystal ESR | 32.768 kHz, C1 = C2 = 10 pF | 70 | kΩ |
Table 4-6 lists the external RTC digital clock requirements.
| CHARACTERISTICS | CONDITION | SYM | MIN | TYP | MAX | UNIT |
|---|---|---|---|---|---|---|
| Frequency | 32768 | Hz | ||||
| Frequency accuracy | ±150 | ppm | ||||
| (Initial + temp + aging) | ||||||
| Input transition time tr/tf (10% to 90%) | tr/tf | 100 | ns | |||
| Frequency input duty cycle | 20 | 50 | 80 | % | ||
| Slow clock input voltage limits | Square wave, DC coupled | Vih | 0.65 × VIO | VIO | V | |
| Vil | 0 | 0.35 × VIO | V peak | |||
| Input impedance | 1 | MΩ | ||||
| 5 | pF |
Table 4-7 lists the WLAN fast-clock crystal requirements.
| CHARACTERISTICS | CONDITION | SYM | MIN | TYP | MAX | UNIT |
|---|---|---|---|---|---|---|
| Frequency | 40 | MHz | ||||
| Frequency accuracy | Initial + temp + aging | ±20 | ppm | |||
| Crystal ESR | 40 MHz, C1 = C2 = 6.2 pF | 40 | 50 | 60 | Ohm |
This section describes the peripherals that are supported by the CC3200 device:
The CC3200 microcontroller includes one SPI module, which can be configured as a master or slave device. The SPI includes a serial clock with programmable frequency, polarity, and phase, a programmable timing control between chip select and external clock generation, and a programmable delay before the first SPI word is transmitted. Slave mode does not include a dead cycle between two successive words.
Figure 4-12 shows the timing diagram for the SPI master.
Figure 4-12 SPI Master Timing Diagram
Table 4-8 lists the timing parameters for the SPI master.
| Parameter Number | Parameter(1) | Parameter Name | Min | Max | Unit |
|---|---|---|---|---|---|
| I1 | F | Clock frequency | 20 | MHz | |
| I2 | Tclk | Clock period | 50 | ns | |
| I3 | tLP | Clock low period | 25 | ns | |
| I4 | tHT | Clock high period | 25 | ns | |
| I5 | D | Duty cycle | 45 | 55 | % |
| I6 | tIS | RX data setup time | 1 | ns | |
| I7 | tIH | RX data hold time | 2 | ns | |
| I8 | tOD | TX data output delay | 8.5 | ns | |
| I9 | tOH | TX data hold time | 8 | ns |
Figure 4-13 shows the timing diagram for the SPI slave.
Figure 4-13 SPI Slave Timing Diagram
Table 4-9 lists the timing parameters for the SPI slave.
| Parameter Number | Parameter(1) | Parameter Name | Min | Max | Unit |
|---|---|---|---|---|---|
| I1 | F | Clock frequency @ VBAT = 3.3 V | 20 | MHz | |
| Clock frequency @ VBAT ≤ 2.1 V | 12 | ||||
| I2 | Tclk | Clock period | 50 | ns | |
| I3 | tLP | Clock low period | 25 | ns | |
| I4 | tHT | Clock high period | 25 | ns | |
| I5 | D | Duty cycle | 45 | 55 | % |
| I6 | tIS | RX data setup time | 4 | ns | |
| I7 | tIH | RX data hold time | 4 | ns | |
| I8 | tOD | TX data output delay | 20 | ||
| I9 | tOH | TX data hold time | 24 | ns |
The McASP interface functions as a general-purpose audio serial port optimized for multichannel audio applications and supports transfer of two stereo channels over two data pins. The McASP consists of transmit and receive sections that operate synchronously and have programmable clock and frame-sync polarity. A fractional divider is available for bit-clock generation.
Figure 4-14 shows the timing diagram for the I2S transmit mode.
Figure 4-14 I2S Transmit Mode Timing Diagram
Table 4-10 lists the timing parameters for the I2S transmit mode.
| Parameter Number | Parameter(1) | Parameter Name | Min | Max | Unit |
|---|---|---|---|---|---|
| I1 | fclk | Clock frequency | 9.216 | MHz | |
| I2 | tLP | Clock low period | 1/2 fclk | ns | |
| I3 | tHT | Clock high period | 1/2 fclk | ns | |
| I4 | tOH | TX data hold time | 22 | ns |
Figure 4-15 shows the timing diagram for the I2S receive mode.
Figure 4-15 I2S Receive Mode Timing Diagram
Table 4-11 lists the timing parameters for the I2S receive mode.
| Parameter Number | Parameter(1) | Parameter Name | Min | Max | Unit |
|---|---|---|---|---|---|
| I1 | fclk | Clock frequency | 9.216 | MHz | |
| I2 | tLP | Clock low period | 1/2 fclk | ns | |
| I3 | tHT | Clock high period | 1/2 fclk | ns | |
| I4 | tOH | RX data hold time | 0 | ns | |
| I5 | tOS | RX data setup time | 15 | ns |
All digital pins of the device can be used as general-purpose input/output (GPIO) pins.The GPIO module consists of four GPIO blocks, each of which provides eight GPIOs. The GPIO module supports 24 programmable GPIO pins, depending on the peripheral used. Each GPIO has configurable pullup and pulldown strength (weak 10 µA), configurable drive strength (2, 4, and 6 mA), and open-drain enable.
Figure 4-16 shows the GPIO timing diagram.
Figure 4-16 GPIO Timing
Table 4-12 lists the GPIO output transition times for Vsupply = 3.3 V.
| Drive Strength (mA) | Drive Strength Control Bits | Tr (ns) | Tf (ns) | ||||
|---|---|---|---|---|---|---|---|
| Min | Nom | Max | Min | Nom | Max | ||
| 2 | 2MA_EN=1 | 8.0 | 9.3 | 10.7 | 8.2 | 9.5 | 11.0 |
| 4MA_EN=0 | |||||||
| 8MA_EN=0 | |||||||
| 4 | 2MA_EN=0 | 6.6 | 7.1 | 7.6 | 4.7 | 5.2 | 5.8 |
| 4MA_EN=1 | |||||||
| 8MA_EN=0 | |||||||
| 8 | 2MA_EN=0 | 3.2 | 3.5 | 3.7 | 2.3 | 2.6 | 2.9 |
| 4MA_EN=0 | |||||||
| 8MA_EN=1 | |||||||
| 14 | 2MA_EN=1 | 1.7 | 1.9 | 2.0 | 1.3 | 1.5 | 1.6 |
| 4MA_EN=1 | |||||||
| 8MA_EN=1 | |||||||
Table 4-13 lists the GPIO output transition times for Vsupply = 1.8 V.
| Drive Strength (mA) | Drive Strength Control Bits | Tr (ns) | Tf (ns) | ||||
|---|---|---|---|---|---|---|---|
| Min | Nom | Max | Min | Nom | Max | ||
| 2 | 2MA_EN=1 | 11.7 | 13.9 | 16.3 | 11.5 | 13.9 | 16.7 |
| 4MA_EN=0 | |||||||
| 8MA_EN=0 | |||||||
| 4 | 2MA_EN=0 | 13.7 | 15.6 | 18.0 | 9.9 | 11.6 | 13.6 |
| 4MA_EN=1 | |||||||
| 8MA_EN=0 | |||||||
| 8 | 2MA_EN=0 | 5.5 | 6.4 | 7.4 | 3.8 | 4.7 | 5.8 |
| 4MA_EN=0 | |||||||
| 8MA_EN=1 | |||||||
| 14 | 2MA_EN=1 | 2.9 | 3.4 | 4.0 | 2.2 | 2.7 | 3.3 |
| 4MA_EN=1 | |||||||
| 8MA_EN=1 | |||||||
Table 4-14 lists the input transition time parameters.
| Parameter | Condition | Symbol | Min | Max | Unit |
|---|---|---|---|---|---|
| Input transition time (tr,tf), 10% to 90% | tr | 1 | 3 | ns | |
| tf | 1 | 3 |
The CC3200 microcontroller includes one I2C module operating with standard (100 Kbps) or fast (400 Kbps) transmission speeds.
Figure 4-17 shows the I2C timing diagram.
Figure 4-17 I2C Timing
Table 4-15 lists the I2C timing parameters.
| Parameter Number | Parameter | Parameter Name | Min | Max | Unit |
|---|---|---|---|---|---|
| I2 | tLP | Clock low period | See (1). | - | System clock |
| I3 | tSRT | SCL/SDA rise time | – | See (2). | ns |
| I4 | tDH | Data hold time | NA | – | |
| I5 | tSFT | SCL/SDA fall time | – | 3 | ns |
| I6 | tHT | Clock high time | See (1). | – | System clock |
| I7 | tDS | Data setup time | tLP/2 | System clock | |
| I8 | tSCSR | Start condition setup time | 36 | – | System clock |
| I9 | tSCS | Stop condition setup time | 24 | – | System clock |
The Joint Test Action Group (JTAG) port is an IEEE standard that defines a test access port (TAP) and boundary scan architecture for digital integrated circuits and provides a standardized serial interface to control the associated test logic. For detailed information on the operation of the JTAG port and TAP controller, see the IEEE Standard 1149.1,Test Access Port and Boundary- Scan Architecture.
Figure 4-18 shows the JTAG timing diagram.
Figure 4-18 JTAG Timing
Table 4-16 lists the JTAG timing parameters.
Table 4-17 lists the ADC electrical specifications.
| Parameter | Description | Condition and Assumptions | Min | Typ | Max | Unit |
|---|---|---|---|---|---|---|
| Nbits | Number of bits | 12 | Bits | |||
| INL | Integral nonlinearity | Worst-case deviation from histogram method over full scale (not including first and last three LSB levels) | –2.5 | 2.5 | LSB | |
| DNL | Differential nonlinearity | Worst-case deviation of any step from ideal | –1 | 4 | LSB | |
| Input range | 0 | 1.4 | V | |||
| Driving source impedance | 100 | Ω | ||||
| FCLK | Clock rate | Successive approximation input clock rate | 10 | MHz | ||
| Input capacitance | 3.2 | pF | ||||
| Number of channels | 4 | |||||
| Fsample | Sampling rate of each ADC | 62.5 | KSPS | |||
| F_input_max | Maximum input signal frequency | 31 | kHz | |||
| SINAD | Signal-to-noise and distortion | Input frequency dc to 300 Hz and 1.4 Vpp sine wave input | 55 | 60 | dB | |
| I_active | Active supply current | Average for analog-to-digital during conversion without reference current | 1.5 | mA | ||
| I_PD | Power-down supply current for core supply | Total for analog-to-digital when not active (this must be the SoC level test) | 1 | µA | ||
| Absolute offset error | FCLK = 10 MHz | ±2 | mV | |||
| Gain error | ±2 | % |
Figure 4-19 shows the ADC clock timing diagram.
Figure 4-19 ADC Clock Timing
The fast camera parallel port interfaces with a variety of external image sensors, stores the image data in a FIFO, and generates DMA requests. The camera parallel port supports 8 bits.
Figure 4-20 shows the timing diagram for the camera parallel port.
Figure 4-20 Camera Parallel Port Timing Diagram
Table 4-18 lists the timing parameters for the camera parallel port.
| Parameter Number | Parameter | Parameter Name | Min | Max | Unit |
|---|---|---|---|---|---|
| pCLK | Clock frequency | 2 | MHz | ||
| I2 | Tclk | Clock period | 1/pCLK | ns | |
| I3 | tLP | Clock low period | Tclk/2 | ns | |
| I4 | tHT | Clock high period | Tclk/2 | ns | |
| I7 | D | Duty cycle | 45 to 55 | % | |
| I8 | tIS | RX data setup time | 2 | ns | |
| I9 | tIH | RX data hold time | 2 | ns |
The CC3200 device includes two UARTs with the following features: