ZHCSEV6A February   2016  – March 2016

PRODUCTION DATA.  

  1. 特性
  2. 应用
  3. 说明
  4. 修订历史记录
  5. Device Comparison Table
  6. Pin Configuration and Functions
  7. Specifications
    1. 7.1  Absolute Maximum Ratings
    2. 7.2  ESD Ratings
    3. 7.3  Recommended Operating Conditions
    4. 7.4  Thermal Information
    5. 7.5  Supply Current
    6. 7.6  Digital Input and Output DC Characteristics
    7. 7.7  Power-On Reset
    8. 7.8  2.5-V LDO Regulator
    9. 7.9  Internal Clock Oscillators
    10. 7.10 ADC (Temperature and Cell Measurement) Characteristics
    11. 7.11 Integrating ADC (Coulomb Counter) Characteristics
    12. 7.12 Data Flash Memory Characteristics
    13. 7.13 I2C-Compatible Interface Communication Timing Characteristics
    14. 7.14 SDQ Switching Characteristics
    15. 7.15 Typical Characteristics
  8. Detailed Description
    1. 8.1 Overview
    2. 8.2 Functional Block Diagram
    3. 8.3 Feature Description
      1. 8.3.1 Data Commands
        1. 8.3.1.1 Standard Data Commands
          1. 8.3.1.1.1 Control(): 0x00/0x01
      2. 8.3.2 SDQ Signaling
      3. 8.3.3 Reset and Presence Pulse
      4. 8.3.4 WRITE
      5. 8.3.5 READ
      6. 8.3.6 Program Pulse
      7. 8.3.7 IDLE
      8. 8.3.8 CRC Generation
      9. 8.3.9 Communications
        1. 8.3.9.1 I2C Interface
        2. 8.3.9.2 I2C Time Out
        3. 8.3.9.3 I2C Command Waiting Time
        4. 8.3.9.4 I2C Clock Stretching
    4. 8.4 Device Functional Modes
  9. Application and Implementation
    1. 9.1 Application Information
    2. 9.2 Typical Applications
      1. 9.2.1 Design Requirements
      2. 9.2.2 Detailed Design Procedure
        1. 9.2.2.1 BAT Voltage Sense Input
        2. 9.2.2.2 SRP and SRN Current Sense Inputs
        3. 9.2.2.3 Sense Resistor Selection
        4. 9.2.2.4 TS Temperature Sense Input
        5. 9.2.2.5 Thermistor Selection
        6. 9.2.2.6 REGIN Power Supply Input Filtering
        7. 9.2.2.7 VCC LDO Output Filtering
      3. 9.2.3 Application Curves
  10. 10Power Supply Recommendations
    1. 10.1 Power Supply Decoupling
  11. 11Layout
    1. 11.1 Layout Guidelines
      1. 11.1.1 Sense Resistor Connections
      2. 11.1.2 Thermistor Connections
      3. 11.1.3 High-Current and Low-Current Path Separation
    2. 11.2 Layout Example
  12. 12器件和文档支持
    1. 12.1 文档支持
      1. 12.1.1 相关文档 
    2. 12.2 社区资源
    3. 12.3 商标
    4. 12.4 静电放电警告
    5. 12.5 Glossary
  13. 13机械、封装和可订购信息

封装选项

机械数据 (封装 | 引脚)
散热焊盘机械数据 (封装 | 引脚)
订购信息

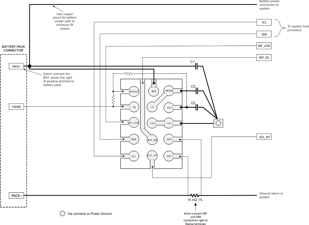
11 Layout

11.1 Layout Guidelines

11.1.1 Sense Resistor Connections

Kelvin connections at the sense resistor are just as critical as those for the battery terminals themselves. The differential traces should be connected at the inside of the sense resistor pads and not anywhere along the high-current trace path to prevent false increases to measured current that could result when measuring between the sum of the sense resistor and trace resistance between the tap points. In addition, the routing of these leads from the sense resistor to the input filter network and finally into the SRP and SRN pins needs to be as closely matched in length as possible else additional measurement offset could occur. It is further recommended to add copper trace or pour-based "guard rings" around the perimeter of the filter network and coulomb counter inputs to shield these sensitive pins from radiated EMI into the sense nodes. This prevents differential voltage shifts that could be interpreted as real current change to the fuel gauge. All of the filter components need to be placed as close as possible to the coulomb counter input pins.

11.1.2 Thermistor Connections

The thermistor sense input should include a ceramic bypass capacitor placed as close to the TS input pin as possible. The capacitor helps to filter measurements of any stray transients as the voltage bias circuit pulses periodically during temperature sensing windows.

11.1.3 High-Current and Low-Current Path Separation

For best possible noise performance, it is extremely important to separate the low-current and high-current loops to different areas of the board layout. The fuel gauge and all support components should be situated on one side of the boards and tap off of the high-current loop (for measurement purposes) at the sense resistor. Routing the low-current ground around instead of under high-current traces will further help to improve noise rejection.

11.2 Layout Example

bq27320 LayoutExample_slusb20.gif Figure 16. Layout Recommendation